电脑桌面
添加小米粒文库到电脑桌面
安装后可以在桌面快捷访问

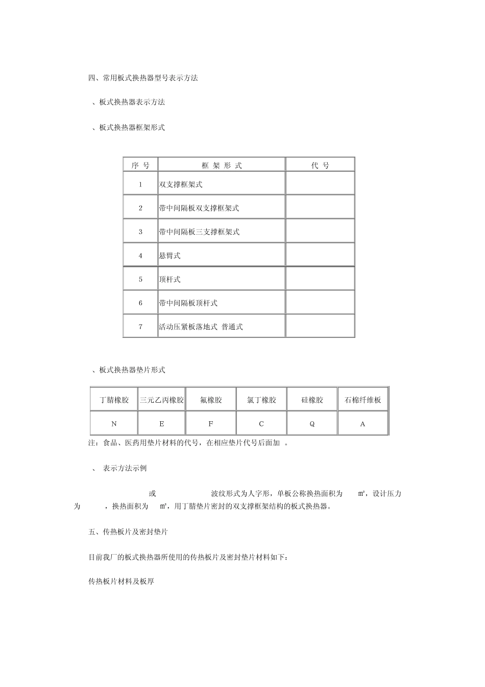
板式换热器系列产品

板式换热器系列产品_第1页
1/9
板式换热器系列产品_第2页
2/9
板式换热器系列产品_第3页
3/9
板 式 换 热 器 系 列 产 品 一 、 概 述 板 式 换 热 器 设 备 是 加 热 、 冷 却 领 域 中 最 新 型 的 设 备 之 一 , 具 有 结 构 紧 凑 、 占 地 面 积 小 、 传 热 效 率 高 、操 作 维 修 方 便 等 优 点 , 并 具 有 处 理 小 温 差 的 能 力 。 板 式 换 热 器 作 为 一 种 高 效 节 能 产 品 , 已 广 泛 应 用 于 矿山 、 冶 金 、 石 油 、 化 工 、 机 械 、 电 力 、 医 药 、 食 品 、 轻 纺 、 造 纸 、 船 舶 、 海 洋 开 发 等 各 个 工 业 领 域 、 近年 来 在 集 中 供 热 和 热 电 联 产 行 业 中 的 推 广 尤 为 迅 速 。 我 厂 生 产 的 BR、 BRB、 BZL系 列 板 式 换 热 器 , 以 质 优 价 廉 、 畅 销 全 国 各 地 , 深 受 各 行 业 用 户 的 赞 誉 。此 系 列 板 式 换 热 器 适 用 于 各 种 介 质 和 物料的 冷 却 、 加 热 、 蒸发 、 冷 凝、 消毒和 余热 回收等 工 艺过程。 主要技术性能 参数如下: 1、 单板 换 热 面 积 :0.05 ㎡-2.0㎡ 2、 装机 面 积 :0.5 ㎡-700㎡, (在 此 范围可实现任意规格)。 3、 传 热 系 数:2500-6000W/㎡.℃(2150-5160KCal/㎡.h.℃) 4、 工 作 压力 :0.6-1.6Mpa 5、 工 作 温 度:最 高 280℃ 6、 单台最 大处 理 量:1200m3/h 二、 板 式 换 热 器 的 特点 : 1、 传 热 系 数较高 板 片选用 导热 系 数较高 的 材料, 如:不锈耐酸钢、 工 业 纯钛、 碳素钢、 换 热 器 专用 铜材等 。 经冷 冲压形成不同波纹形状结 构 , 板 片波纹能 使流体在 较小 的 流速 下产 生 湍流。 所以 板 式 换 热 器 具 有 较高 的 传热 系 数。 在 相同的 情况下, 其传 热 系 数比一 般钢制管壳式 换 热 器 高 3-5倍。 换 热 面 积 紧 为 管壳式 换 热 面积 的 1/3-1/4。 2、 结 构 紧 凑 由于 传 热 板 片紧 密排列 , 板 间距较小 , 而板 片表面 经冲压成形的 波纹又大大增加 了有 效 换 热 面 积 ,故单位容积 中 容纳的 换 热 面 积 很大, 占 地 面 积 明显少于...

1、当您付费下载文档后,您只拥有了使用权限,并不意味着购买了版权,文档只能用于自身使用,不得用于其他商业用途(如 [转卖]进行直接盈利或[编辑后售卖]进行间接盈利)。
2、本站所有内容均由合作方或网友上传,本站不对文档的完整性、权威性及其观点立场正确性做任何保证或承诺!文档内容仅供研究参考,付费前请自行鉴别。
3、如文档内容存在违规,或者侵犯商业秘密、侵犯著作权等,请点击“违规举报”。

碎片内容

板式换热器系列产品

您可能关注的文档

确认删除?
VIP
微信客服
  • 扫码咨询
会员Q群
  • 会员专属群点击这里加入QQ群
客服邮箱
回到顶部