电脑桌面
添加小米粒文库到电脑桌面
安装后可以在桌面快捷访问

柱子、WKL、基础钢筋计算实例

柱子、WKL、基础钢筋计算实例_第1页
1/7
柱子、WKL、基础钢筋计算实例_第2页
2/7
柱子、WKL、基础钢筋计算实例_第3页
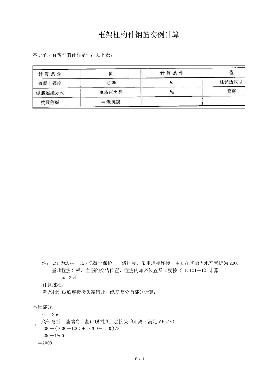
3/7
1 / 7 梁构件钢筋实例计算 WKL 钢筋计算实例 1.平法施工图 WKL1 平法施工图,见下图。锚固方式:采用“梁包柱”锚固方式。 2.钢筋计算 (1)计算参数 ①柱保护层厚度c=30mm; ②梁保护层=25mm; ③laE=33d; ④双肢箍长度计算公式:(b-2c+d)×2+(h-2c+d) × 2+(1.9d+lOd)×2; ⑤箍筋起步距离=50mm; ⑥锚固方式:采用“梁包柱”锚固方式。P59 (2)钢筋计算过程 1)上部通长筋218 ①按梁包柱锚固方式,两端均伸至端部下弯 1.7 laE ②上部通长筋长度: =7000+5000+6000+300+450- 60+2×1.7laE =7000+5000+6000+300+450-60+2×1.7×33×18 =20771mm ③接头个数=20771/9000-1=2 个 2 / 7 2)支座1 负筋上排28 下排218 ①上排支座负筋长度=1.7laE+(7000-600)/3+600-30 =1.7×34×18+(7000- 600)/3+600- 30=3745mm ②下排支座负筋长度=1.7laE+(7000-600)/4+600-30 =1.7×34×18+(7000-600)/4+600-30= 3211mm 3)支座2 负筋上排218 下排218 ①上排支座负筋长度=2×(7000-600)/3+600=4867mm ②下排支座负筋长度=2×(7000- 600)/4+600=3800mm 4)支座3 负筋上排28 下排28 ①上排支座负筋长度=2×(6000-750)/3+600=4100mm ②下排支座负筋长度=2×(6000-750)/4+600=3225mm 5)支座4 负筋上排218 下排218 ①上排支座负筋长度=1.7laE 十(6000-750)/3+900-30 =1.7×34×18+(6000-750)/3+900-30=3661mm ②下排支座负筋长度=1. 7laE+(6000-750)/4+900-30 =1.7×34× 18+( 6000-750)/4+900- 30=3223mm 6)下部通长筋422 P79 ①上部通长筋长度= 7000+5000+6000+300+450-60+2×15d =7000+5000+6000+300+450-60+2×15×22 =19350mm ②接头个数=19350/9000-1=2 个 7)箍筋长度(4 肢箍) ①外大箍筋长度=(200-2×25+8) 2+(500-2×25+8) ×2+2×11.9×8 =1423mm ②里小箍筋长度=2×{[(200-50)/3+25+8]+(500-50+8) }+2 ×11.9×8 =1273mm 8)每跨箍筋根数 ①箍筋加密区长度=2×500=lOOOmm ②第一跨=21+21=42 根 加密区根数=2×[(1000-50)/100+1]=21 根 非加密区根数=(7000-600-2000)/200-1= 21 根 ③第二跨=21+11=32 根 加密区根数=2×[(1000- 50)/100+1] =21 根 非加密区根数=(5000- 600-2000)/200-1=11 根 ...

1、当您付费下载文档后,您只拥有了使用权限,并不意味着购买了版权,文档只能用于自身使用,不得用于其他商业用途(如 [转卖]进行直接盈利或[编辑后售卖]进行间接盈利)。
2、本站所有内容均由合作方或网友上传,本站不对文档的完整性、权威性及其观点立场正确性做任何保证或承诺!文档内容仅供研究参考,付费前请自行鉴别。
3、如文档内容存在违规,或者侵犯商业秘密、侵犯著作权等,请点击“违规举报”。

碎片内容

柱子、WKL、基础钢筋计算实例

您可能关注的文档

小辰3+ 关注
实名认证
内容提供者

出售各种资料和文档

确认删除?
VIP
微信客服
  • 扫码咨询
会员Q群
  • 会员专属群点击这里加入QQ群
客服邮箱
回到顶部