柱子基础内箍筋是怎样计算出来的?软件也给出了公式,但是公式看不懂,很多学员问我这个问题,我自己也没搞懂,前一段时间和广联达开发人员...
柱子基础内箍筋是怎样计算出来的?软件也给出了公式,但是公式看不懂,很多学员问我这个问题,我自己也没搞懂,前一段时间和广联达开发人员...
技术交底记录编 号工程名称交 底 日 期2011 年 6 月 16 日施工单位分项工程名称一般抹灰交底提要柱子梁抹灰施工技术交底交底内容...
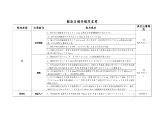
柱设计相关规定汇总结构类型注意部位相关规定参见法律规范柱纵向钢筋1、纵向受力钢筋直径不宜小于12 mm;全部纵向钢筋得配筋率不宜大于 ...
过柱子得经验总结 单一溶剂得极性大小顺序为:石油醚(小)→环己烷→四氯化碳→三氯乙烯→苯→甲苯→二氯甲烷→氯仿→乙醚→乙酸乙酯→乙...
柱模板的计算依据《建筑施工手册》第四版、《建筑施工计算手册》江正荣著、《建筑结构荷载法律规范》(GB 50009-2025)、《混凝土结构设计法...
1 带地下室高层房屋建筑框架柱子嵌固部位箍筋加密范围施工中,遇到有些带地下室高层房屋建筑框架柱子不仅要求地下室顶板以上得首层框架柱...
柱子上的母鸡 春天,邻居给了四只鹅蛋。我们把它放到我家那只外号叫黑桃皇后的母鸡窝里,黑桃皇后孵出了四只淡黄色的小鹅。它们唧唧叫着,...
楼梯柱子设计教学楼梯柱子是连接楼梯扶手和地面的重要结构元素,它不仅承载着楼梯上下行的安全性,还起到美化空间、增加楼梯设计感的作用。...
柱子钢筋绑扎技术交底施工准备: 材料及主要机具:1、 钢筋:应有出厂合格证,根据相关规定做力学性能复试。当加工过程当中发生脆断等特...
目录第一章编制依据 2.第二章编制原则 2.第三章工程概况 2.第四章施工准备 3.1、技术准备 3.2、物资准备 3.3、劳动组织准备 3.4、施...
合肥市图书馆多功能厅维修改造工程柱子加固专项施工方案安 徽 八 方 工 程 有 限 公 司2024年 3 月 3 日目 录一 、 工 程...
柱子烂根专项处理方案报审表工程名称:平顶山市洁利康新材料科技园 3#车间致:平顶山是科正工程建设监理有限公司我方己完成了柱子烂根专...
一、编制依据:1、天津钢铁有限公司 3500mm 中厚板材工程车间柱子、屋面钢结构,设计图纸 38。391J91141。2、《钢结构工程施工及验收法...
海博 51#楼室外加固拆除施工方案编制人审核人审批人青岛建安建设集团有限公司2024。3。3一、工程概况1、工程名称:海博 51#楼修缮工程2、...
柱子混凝土烂根解决方法一 、 原 因 分 析框 架 柱 出 现 了 不 同 程 度 的 “ 烂 根 ” 现 象 , 其 主 要原 ...
第 1 页共 14 页混凝土缺陷处理方案:柱子偏位 10cm 补救措施江南小学**校区工程混凝土缺陷处理方案编制:审核:审批:日期:中天建设...
梁.柱子的钢筋量怎么计算 2009-07-20 09:33 钢筋计算原理及计算方法 钢筋重量=钢筋长度*根数*理论重量 钢筋长度=净长+节点锚固+搭接+...
反 相 色 谱 是 迄 今 在 高 效 液 相 色 谱 中 应 用 最 广 泛 的 技 术 ,主 要 是 因 为 它 适 用 于 ...
柱 子 尺 寸 确 定 角 柱 的 受 力 特 征 : 按 照 高 规 JGJ3-2002 第 6。 2。 4 条 解 释 , 角 柱 承 受...

