电脑桌面
添加小米粒文库到电脑桌面
安装后可以在桌面快捷访问

标准化与创建标准化良好行为企业的规定和流程

标准化与创建标准化良好行为企业的规定和流程_第1页
1/21
标准化与创建标准化良好行为企业的规定和流程_第2页
2/21
标准化与创建标准化良好行为企业的规定和流程_第3页
3/21
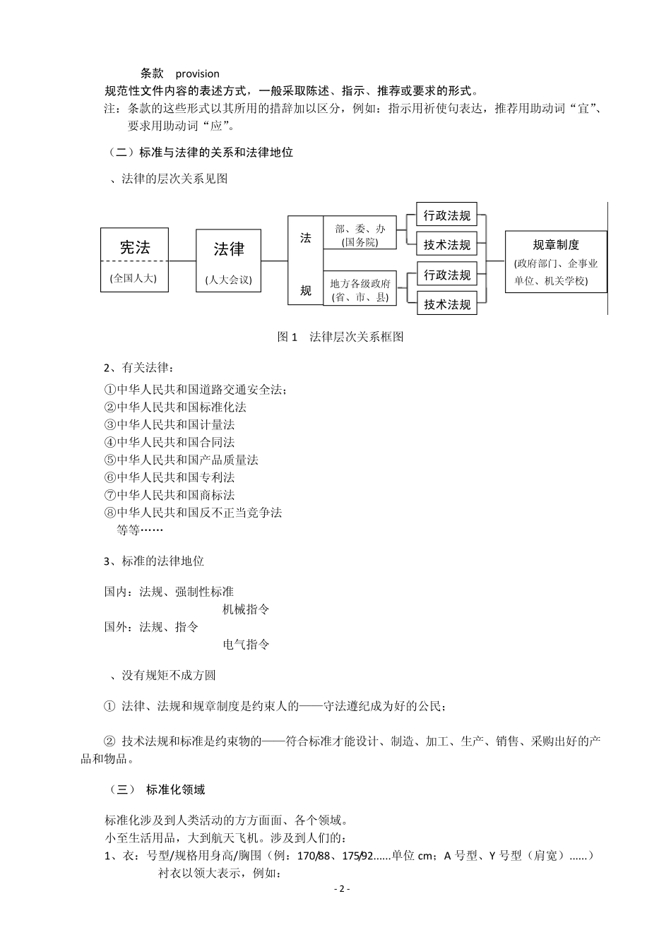
- 1 - 标准化与创建标准化良好行为企业的规定和流程 一、标准化概述 (一)术语和定义 1.1 标准化 standardizition 为了在一定范围内获得最佳秩序,对现实问题或潜在问题制定共同使用和重复使用的条款的活动。 注1:上述活动主要包括制定、发布和实施标准的过程。 注2:标准化的主要作用在于为了其预期目的改进产品、过程或服务的适用性,防止贸易壁垒,并促进技术合作。 注3:标准化对象“产品、过程或服务”——材料、元件、设备、系统、接口、协议、程序、功能、方式或活动。 1.2 标准 standard 为了在一定的范围内获得最佳秩序,经协商一致制定并由公认机构批准,共同使用的和重复使用的一种规范性文件。 注:标准宜以科学、技术和经验的综合成果为基础,以促进最佳的共同效益为目的。 1.3 协商一致 consensus 普遍同意,表征为对于实质性问题,有关重要方面没有坚决反对意见并按程序对有关各方的观点进行了研究和对争议进行了协调。 注:协商一致并不意味着没有异议。 1.4 适用性 fitness for purpose 产品、过程或服务在具体条件下适合规定用途的能力。 1.5 规范性文件 normative document 为各种活动或其结果提供规划、导则或规定特性的文件。 注1:“规范性文件”是标准、技术规范、规程和法规等技术文件的通称。 注2:“文件”可理解为记录有信息的各种媒体。 1.6 技术规范 technical specification 规定产品、过程或服务应满足的技术要求的文件。 注1:适宜时,技术规范宜指明可以判定其要求是否得到满足的程序。 注2:技术规范可以是标准、标准的一个部分或与标准无关的文件。 1.7 规程 code of practice 为设备、构件或产品的设计、制造、安装、维护或使用而推荐惯例或程序的文件。 注:规程可以是标准、标准的一个部分或与标准无关的文件。 1.8 法规 regulation 由权力机构通过的有约束力的法律性文件。 1.9 技术法规 technical regulation 规定技术要求的法规、它或者直接规定技术要求,或者通过引用标准、技术规范或规程来规定技术要求,或者将标准、技术规范或规程的内容纳入法规中。 注:技术法规可附带技术指导,列出为了符合法规要求可采取的某些途径,即权宜性条款。 - 2 - 1.10 条款 provision 规范性文件内容的表述方式,一般采取陈述、指示、推荐或要求的形式。 注:条款的这些形式以其所用的措辞加以区分,例如:指示用祈使句表达,推荐用助动词“宜...

1、当您付费下载文档后,您只拥有了使用权限,并不意味着购买了版权,文档只能用于自身使用,不得用于其他商业用途(如 [转卖]进行直接盈利或[编辑后售卖]进行间接盈利)。
2、本站所有内容均由合作方或网友上传,本站不对文档的完整性、权威性及其观点立场正确性做任何保证或承诺!文档内容仅供研究参考,付费前请自行鉴别。
3、如文档内容存在违规,或者侵犯商业秘密、侵犯著作权等,请点击“违规举报”。

碎片内容

标准化与创建标准化良好行为企业的规定和流程

您可能关注的文档

小辰4+ 关注
实名认证
内容提供者

出售各种资料和文档

确认删除?
VIP
微信客服
  • 扫码咨询
会员Q群
  • 会员专属群点击这里加入QQ群
客服邮箱
回到顶部