电脑桌面
添加小米粒文库到电脑桌面
安装后可以在桌面快捷访问

标高抄测记录

标高抄测记录_第1页
1/17
标高抄测记录_第2页
2/17
标高抄测记录_第3页
3/17
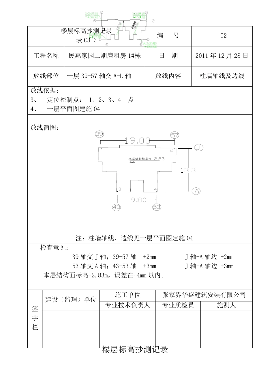
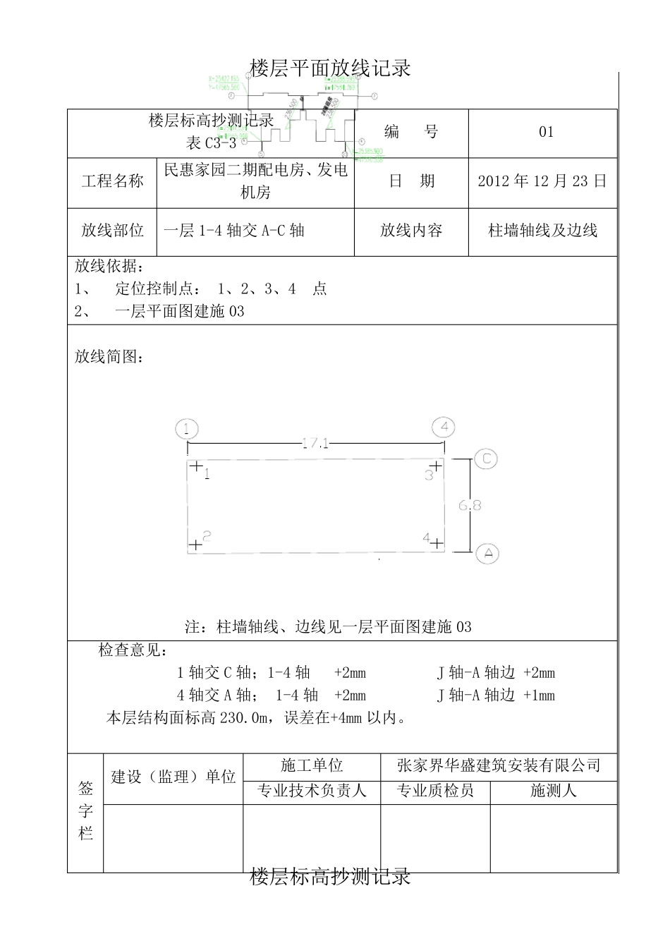
楼层平面放线记录 楼层标高抄测记录 表C3-3 编 号 01 工程名称 民惠家园二期配电房、发电机房 日 期 2012 年 12 月 23 日 放线部位 一层1-4 轴交 A-C 轴 放线内容 柱墙轴线及边线 放线依据: 1、 定位控制点: 1、2、3、4 点 2、 一层平面图建施 03 放线简图: 注:柱墙轴线、边线见一层平面图建施 03 检查意见: 1 轴交 C 轴;1-4 轴 +2mm J 轴-A 轴边 +2mm 4 轴交 A 轴; 1-4 轴 +2mm J 轴-A 轴边 +1mm 本层结构面标高230.0m,误差在+4mm 以内。 签 字 栏 建设(监理)单位 施工单位 张家界华盛建筑安装有限公司 专业技术负责人 专业质检员 施测人 楼层标高抄测记录 楼层标高抄测记录 编号 01 工程名称 民惠家园二期配电房、发电机房 日 期 2012 年12 月23 日 抄测部位 一层 抄测内容 墙柱+1.00m=0.95m 抄测依据:1、原甲方所定±0.000= 230.00m 水平控制点。 2、一层建筑平面图 抄测说明: 测仪器:TOPCON 全战仪 厂编号:TOPCON-102N 检查意见: 经检查:墙柱所抄测+1m=0.95m,就近两点在 1mm 以内。 签 字 栏 建设(监理)单位 施工单位 张家界华盛建筑安装有限公司 专业技术负责人 专业质检员 施测人 楼层平面放线记录 楼层标高抄测记录 表C3-3 编 号 02 工程名称 民惠家园二期廉租房1#栋 日 期 2011 年12 月28 日 放线部位 一层39-57 轴交A-L 轴 放线内容 柱墙轴线及边线 放线依据: 3、 定位控制点: 1、2、3、4 点 4、 一层平面图建施 04 放线简图: 注:柱墙轴线、边线见一层平面图建施 04 检查意见: 39 轴交J 轴;39-57 轴 +2mm J 轴-A 轴边 +2mm 53 轴交A 轴;43-53 轴 +3mm J 轴-A 轴边 +3mm 本层结构面标高-2.83m,误差在+4mm 以内。 签 字 栏 建设(监理)单位 施工单位 张家界华盛建筑安装有限公司 专业技术负责人 专业质检员 施测人 楼层标高抄测记录 楼层标高抄测记录 编号 02 工程名称 民惠家园二期廉租房1#栋 日 期 2011 年12 月28 日 抄测部位 一层39-57 轴交A-L 轴 抄测内容 柱+1.00m=-1.83m 抄测依据:1、原甲方所定±0.000= 235.800m 水平控制点。 2、一层建筑平面图 抄测说明: 测仪器:TOPCON 全战仪 厂编号:TOPCON-102N 检查意见: 经检查:墙柱所抄测+1m=-1.83m,标高误差在+2mm 以内,就近两点在 1mm以内。...

1、当您付费下载文档后,您只拥有了使用权限,并不意味着购买了版权,文档只能用于自身使用,不得用于其他商业用途(如 [转卖]进行直接盈利或[编辑后售卖]进行间接盈利)。
2、本站所有内容均由合作方或网友上传,本站不对文档的完整性、权威性及其观点立场正确性做任何保证或承诺!文档内容仅供研究参考,付费前请自行鉴别。
3、如文档内容存在违规,或者侵犯商业秘密、侵犯著作权等,请点击“违规举报”。

碎片内容

标高抄测记录

您可能关注的文档

确认删除?
VIP
微信客服
  • 扫码咨询
会员Q群
  • 会员专属群点击这里加入QQ群
客服邮箱
回到顶部