电脑桌面
添加小米粒文库到电脑桌面
安装后可以在桌面快捷访问

树穴隐蔽工程验收记录VIP专享

树穴隐蔽工程验收记录_第1页
1/14
树穴隐蔽工程验收记录_第2页
2/14
树穴隐蔽工程验收记录_第3页
3/14
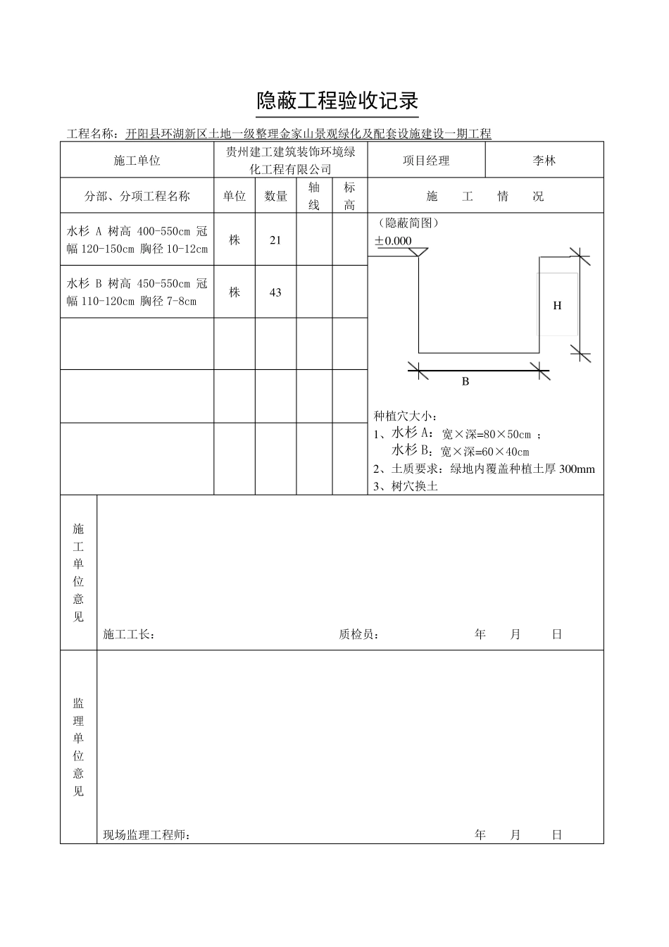
H 隐蔽工程验收记录 工程名称:开阳县环湖新区土地一级整理金家山景观绿化及配套设施建设一期工程 施工单位 贵州建工建筑装饰环境绿化工程有限公司 项目经理 李林 分部、分项工程名称 单位 数量 轴线 标高 施 工 情 况 朴树 高度500-550cm 冠幅200-250cm 胸径20-21cm 株 16 (隐蔽简图) ±0.000 B 种植穴大小: 1、朴树:宽×深=150×100cm ; 银杏:宽×深=150×100cm 2、土质要求:绿地内覆盖种植土厚 300m m 3、树穴换土 银杏 高度400-450cm 冠幅250-350cm 胸径21-22cm 株 15 施 工 单 位 意 见 施工工长: 质检员: 年 月 日 监 理 单 位 意 见 现场监理工程师: 年 月 日 H 隐蔽工程验收记录 工程名称:开阳县环湖新区土地一级整理金家山景观绿化及配套设施建设一期工程 施工单位 贵州建工建筑装饰环境绿化工程有限公司 项目经理 李林 分部、分项工程名称 单位 数量 轴线 标高 施 工 情 况 水杉A 树高400-550cm 冠幅120-150cm 胸径10-12cm 株 21 (隐蔽简图) ±0.000 B 种植穴大小: 1、水杉A:宽×深=80×50cm ; 水杉B:宽×深=60×40cm 2、土质要求:绿地内覆盖种植土厚 300mm 3、树穴换土 水杉B 树高450-550cm 冠幅110-120cm 胸径7-8cm 株 43 施 工 单 位 意 见 施工工长: 质检员: 年 月 日 监 理 单 位 意 见 现场监理工程师: 年 月 日 H 隐蔽工程验收记录 工程名称:开阳县环湖新区土地一级整理金家山景观绿化及配套设施建设一期工程 施工单位 贵州建工建筑装饰环境绿化工程有限公司 项目经理 李林 分部、分项工程名称 单位 数量 轴线 标高 施 工 情 况 柳树B 冠幅100-150cm 树高200-250cm 胸径5-6cm 株 319 (隐蔽简图) ±0.000 B 种植穴大小: 1、柳树B:宽×深=50×25cm 红 枫:宽×深=40×20cm 2、土质要求:绿地内覆盖种植土厚 300m m 3、树穴换土 红枫 冠幅80-100cm 树高100-120cm 胸径2-3cm 株 29 施 工 单 位 意 见 施工工长: 质检员: 年 月 日 监 理 单 位 意 见 现场监理工程师: 年 月 日 H 隐蔽工程验收记录 工程名称:开阳县环湖新区土地一级整理金家山景观绿化及配套设施建设一期工程 施工单位 贵州建工建筑装饰环境绿化工程有限公司 项目经理 李林 分部、分项工程名称 单位 数量 轴线 标高 施 工 情 况...

1、当您付费下载文档后,您只拥有了使用权限,并不意味着购买了版权,文档只能用于自身使用,不得用于其他商业用途(如 [转卖]进行直接盈利或[编辑后售卖]进行间接盈利)。
2、本站所有内容均由合作方或网友上传,本站不对文档的完整性、权威性及其观点立场正确性做任何保证或承诺!文档内容仅供研究参考,付费前请自行鉴别。
3、如文档内容存在违规,或者侵犯商业秘密、侵犯著作权等,请点击“违规举报”。

碎片内容

树穴隐蔽工程验收记录

确认删除?
VIP
微信客服
  • 扫码咨询
会员Q群
  • 会员专属群点击这里加入QQ群
客服邮箱
回到顶部