电脑桌面
添加小米粒文库到电脑桌面
安装后可以在桌面快捷访问

桥梁台背回填施工方案(常规碾压)MicrosoftOfficeWord文档

桥梁台背回填施工方案(常规碾压)MicrosoftOfficeWord文档_第1页
1/6
桥梁台背回填施工方案(常规碾压)MicrosoftOfficeWord文档_第2页
2/6
桥梁台背回填施工方案(常规碾压)MicrosoftOfficeWord文档_第3页
3/6
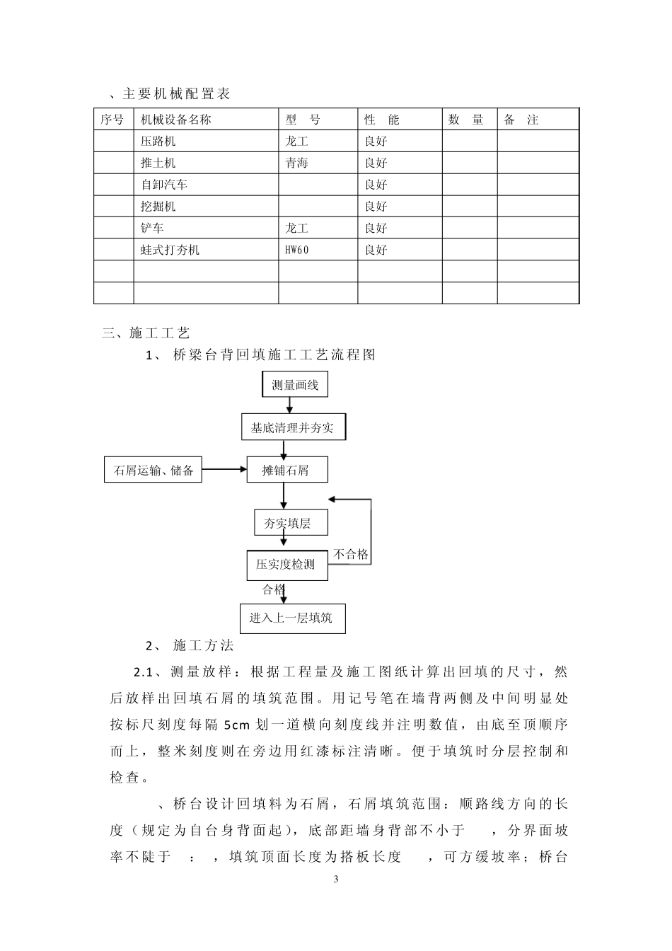
1 目录 一、工 程 概 况 ..............................................2 二 、拟 投 入 的 机 械 组 合 及 人 员 配 置 .............................2 三 、施 工 工 艺 ..............................................3 四 、 施 工 注 意 事 项 ..........................................4 五 、 质 量 保 证 措 施 ..........................................5 六 、 安 全 保 证 措 施 ..........................................6 七 、 环 境 保 护 措 施 ..........................................6 2 桥梁台背回填施工技术方案 (常规碾压) 一、工程 概 况 桥梁台背回填是 特 殊 的 分 项 工程 , 加 强 台背回填质 量 监 控 是 保 证工程 质 量 , 防 止 桥头 跳 车 的 重 要 措 施。 梅 大 高 速 1标 共 有 桥梁四 座 ,需 要 进 行 台背回填的 桥台1 0 个 , 设 计 均 采 用 石 屑 作 为 台背填料 。 台背填筑 主 要 工程 量 如 下 表 序号 项目名称 桥台类型 台后回填石屑(m3) 包边粘性土(m3) C15素砼层(m3) 1 三角立交桥35#台 扶壁式 1129.9 173.1 49 2 漳龙立交桥0#台 柱式 264.2 49.6 24.5 3 漳龙立交桥53#台 肋式 3005.8 227.9 49 4 泮坑大桥左线 0#台 柱式 190.9* 63.5 12.5 5 泮坑大桥左线 16#台 柱式 190.9 63.5 12.5 6 泮坑大桥右线 0#台 柱式 190.9 63.5 12.5 7 泮坑大桥右线 15#台 柱式 190.9 63.5 12.5 8 径下大桥左线 8#台 柱式 217.5 69.4 12.5 9 径下大桥右线 0# 柱式 217.5 69.4 12.5 10 径下大桥右线 11#台 柱式 217.5 69.4 12.5 二、拟投入的机械组合及人员配置 1、 现 场 管 理 人 员 、 施工人 员 配 备 表 序号 姓名 岗 位 数量 备注 1 沈叶华 路基施工负责人 1 2、 赖成忠 试验技术负责人 1 3、 罗超 试验员 1 3、 詹建锋 测量工程师 1 4 刘梅月 测量技术员 1 5、 张军明 质检工程师 1 6、 杨建华 安全员 1 7、 黄晓康 施工员 1 8、 机械操作人员 8 3 2、主 要 机 械 配 置 表 序号 机械设备名称 型 号 性 能 数 量 备 注 1 压路机 龙工 20T 良好 1 2 推土机 青海 120 良好 1 3...

1、当您付费下载文档后,您只拥有了使用权限,并不意味着购买了版权,文档只能用于自身使用,不得用于其他商业用途(如 [转卖]进行直接盈利或[编辑后售卖]进行间接盈利)。
2、本站所有内容均由合作方或网友上传,本站不对文档的完整性、权威性及其观点立场正确性做任何保证或承诺!文档内容仅供研究参考,付费前请自行鉴别。
3、如文档内容存在违规,或者侵犯商业秘密、侵犯著作权等,请点击“违规举报”。

碎片内容

桥梁台背回填施工方案(常规碾压)MicrosoftOfficeWord文档

您可能关注的文档

确认删除?
VIP
微信客服
  • 扫码咨询
会员Q群
  • 会员专属群点击这里加入QQ群
客服邮箱
回到顶部