电脑桌面
添加小米粒文库到电脑桌面
安装后可以在桌面快捷访问

桥梁桩基资料

桥梁桩基资料_第1页
1/20
桥梁桩基资料_第2页
2/20
桥梁桩基资料_第3页
3/20
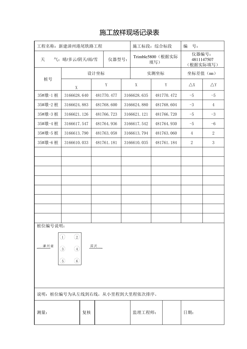
施 工 测 量 放 样 报 验 单 工程名称: 施工标段: 编号: 致 (项目监理机构): 根据合同要求,我单位已完成 南溪特大桥3 5 # 墩墩柱桩基 的施工测量放样工作,清单如下,请予以核验。 附件:施工放样现场记录表 工 程 地 点 放 样 内 容 备 注 南溪特大桥3 5 # 墩墩柱桩基 平面位置及标高 测 量 人 审 核 人 主管工程师 日 期 专业监理工程师的结论: 检验合格 □ 纠正偏差后合格 □ 纠正偏差后再报 □ 专业监理工程师: 日 期: 施 工 放 样 现 场记录表 工程名称:新建漳州港尾铁路工程 施工标段:综合标段 编 号: 天 气:晴/多云/阴天/雨/雪 仪器型号: Trimble5800(根据实际填写) 仪器编号:4811147507 (根据实际填写) 桩号 设计坐标 实测坐标 坐标差值(mm) X Y X Y △X △Y 35#墩-1 桩 3166628.640 481770.477 3166628.635 481770.472 -5 -5 35#墩-2 桩 3166624.883 481768.600 3166624.880 481768.604 -3 4 35#墩-3 桩 3166621.126 481766.723 3166621.121 481766.720 -5 -3 35#墩-4 桩 3166617.547 481764.936 3166617.542 481764.930 -5 -6 35#墩-5 桩 3166613.790 481763.058 3166613.794 481763.060 4 2 35#墩-6 桩 3166610.033 481761.181 3166610.035 481761.184 2 3 桩位编号说明: 深沃漳州南123456 说明:桩位编号为从左线到右线,从小里程到大里程依次排序。 测量: 复核 监理工程师: 日期: 工程报验申请表 工程名称:新建漳州港尾铁路工程 施工标段:综合标段 编号: 致:中国华西工程设计有限公司漳州港尾铁路项目监理站: 根据施工承包合同和设计文件的要求,我单位已完成 南溪特大桥3 5 # 墩柱×# 桩基的钻孔 工程,并自检合格,报请检查。 附件:见自检资料。 主管工程师 各项目部工程部长 质检工程师 各项目部安质部长 日 期 监理工程师意见: 专业监理工程师 日 期 与钻孔检验批 时间一致 钻 ( 挖 ) 孔 桩 桩 位检查表 编号: 工程名称 新建漳州港尾铁路工程 桩 基 编 号 35#墩 单位工程名称 南溪特大桥 1#桩 施工水位 施工控制水位 据实 实 测 水 位 据实 护 筒 类型 钢护筒 直径 1.7m 筒顶标高 19.010m 埋深 据实 中 心 位 置 X 设计 3166628.640m 实测 3166628.635m 偏差 -5mm Y...

1、当您付费下载文档后,您只拥有了使用权限,并不意味着购买了版权,文档只能用于自身使用,不得用于其他商业用途(如 [转卖]进行直接盈利或[编辑后售卖]进行间接盈利)。
2、本站所有内容均由合作方或网友上传,本站不对文档的完整性、权威性及其观点立场正确性做任何保证或承诺!文档内容仅供研究参考,付费前请自行鉴别。
3、如文档内容存在违规,或者侵犯商业秘密、侵犯著作权等,请点击“违规举报”。

碎片内容

桥梁桩基资料

您可能关注的文档

确认删除?
VIP
微信客服
  • 扫码咨询
会员Q群
  • 会员专属群点击这里加入QQ群
客服邮箱
回到顶部