电脑桌面
添加小米粒文库到电脑桌面
安装后可以在桌面快捷访问

桩基开工报告

桩基开工报告_第1页
1/17
桩基开工报告_第2页
2/17
桩基开工报告_第3页
3/17
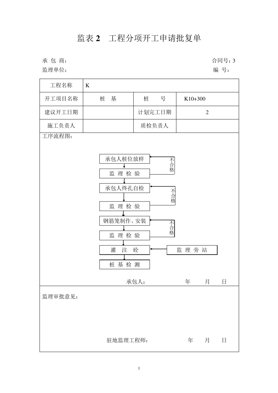
1 监表2 工程分项开工申请批复单 承 包 商: 合同号:3 监理单位: 编 号: 工程名称 K 开工项目名称 桩 基 桩 号 K 10+300 建议开工日期 计划完工日期 2 施工负责人 质检负责人 工序流程图: 承包人: 年 月 日 监理审批意见: 驻地监理工程师: 年 月 日 不合格 不合格 监 理 旁 站 承包人桩位放样 监 理 检 验 承包人终孔自检 监 理 检 验 钢筋笼制作、安装 监 理 检 验 灌 注 砼 桩 基 检 测 不合格 2 施表1 工程技术交底卡片 承 包 商: 合同号:3 监理单位: 编 号: 工程名称 施工时间 桩号及部位 工程项目 桩 基 础 技术设计要求 1、挖孔灌注桩,设计直径为1.5m。 2、护壁支护,护壁厚度15~20cm,深2~4m,地面上加30cm 井口围护。 3、开孔的孔位要准确。 4、水灰比为0.38,重量配合比 水泥:砂:碎石 1:1.64:2.45 5、塌落度控制在70~90cm 质量标准 1、孔心位置允许偏差50mm,倾斜度小于0.5%。 2、孔径不小于设计桩径150cm。 3、孔底无松渣、淤泥等扰动软土层。 导线点、水准点闭合情况及其它: 1、 导线点方位角闭合差:fβ=0 2、 边长中误差:k=1/69379<1/10000 3、 水准基点闭合差:△h=+3.5cm<30√K=51mm 交底人 接收人 监理意见 交底时间 3 监表3 施工放样报告单 承 包 商: 合同号:3 监理单位: 编 号: 致(监理工程师): 根据合同要求,已完成蔡家桩大桥4 号墩K 10+300 桩基础桩位的施工放样工作,清单如下,请予检验。 承包人: 年 月 日 桩号及位置 工程或部位名称 放样内容 备注 K 10+300 4-1 桩基 极坐标法确定桩位 K 10+300 4-2 桩基 极坐标法确定桩位 K 10+300 4-3 桩基 极坐标法确定桩位 K 10+300 4-4 桩基 极坐标法确定桩位 监理收件日期签字: 年 月 日 监理抽检结果及附件: 监理员: 年 月 日 结论: 监理工程师: 年 月 日 4 施表3 施工放样记录表 承 包 商 : 合 同 号 :3 监 理 单 位: 编 号 : 工 程 名 称 K 10+262.5 5-25 米预应力砼连续箱梁 施工时间 2006 年6 月1 日 桩号及部位 K 10+300 4#墩桩基 水 准 点 导线点 坐 标 测站点: 后视点: 计 算 说 明 桩 号 桩 位 坐 标 方 位 角 平 距 X Y 4-1 4-2 4-3 4-4 4# 墩桩位放样计算表 放样图示: 技术负责人 测...

1、当您付费下载文档后,您只拥有了使用权限,并不意味着购买了版权,文档只能用于自身使用,不得用于其他商业用途(如 [转卖]进行直接盈利或[编辑后售卖]进行间接盈利)。
2、本站所有内容均由合作方或网友上传,本站不对文档的完整性、权威性及其观点立场正确性做任何保证或承诺!文档内容仅供研究参考,付费前请自行鉴别。
3、如文档内容存在违规,或者侵犯商业秘密、侵犯著作权等,请点击“违规举报”。

碎片内容

桩基开工报告

您可能关注的文档

确认删除?
VIP
微信客服
  • 扫码咨询
会员Q群
  • 会员专属群点击这里加入QQ群
客服邮箱
回到顶部