电脑桌面
添加小米粒文库到电脑桌面
安装后可以在桌面快捷访问

桩基首件施工方案

桩基首件施工方案_第1页
1/18
桩基首件施工方案_第2页
2/18
桩基首件施工方案_第3页
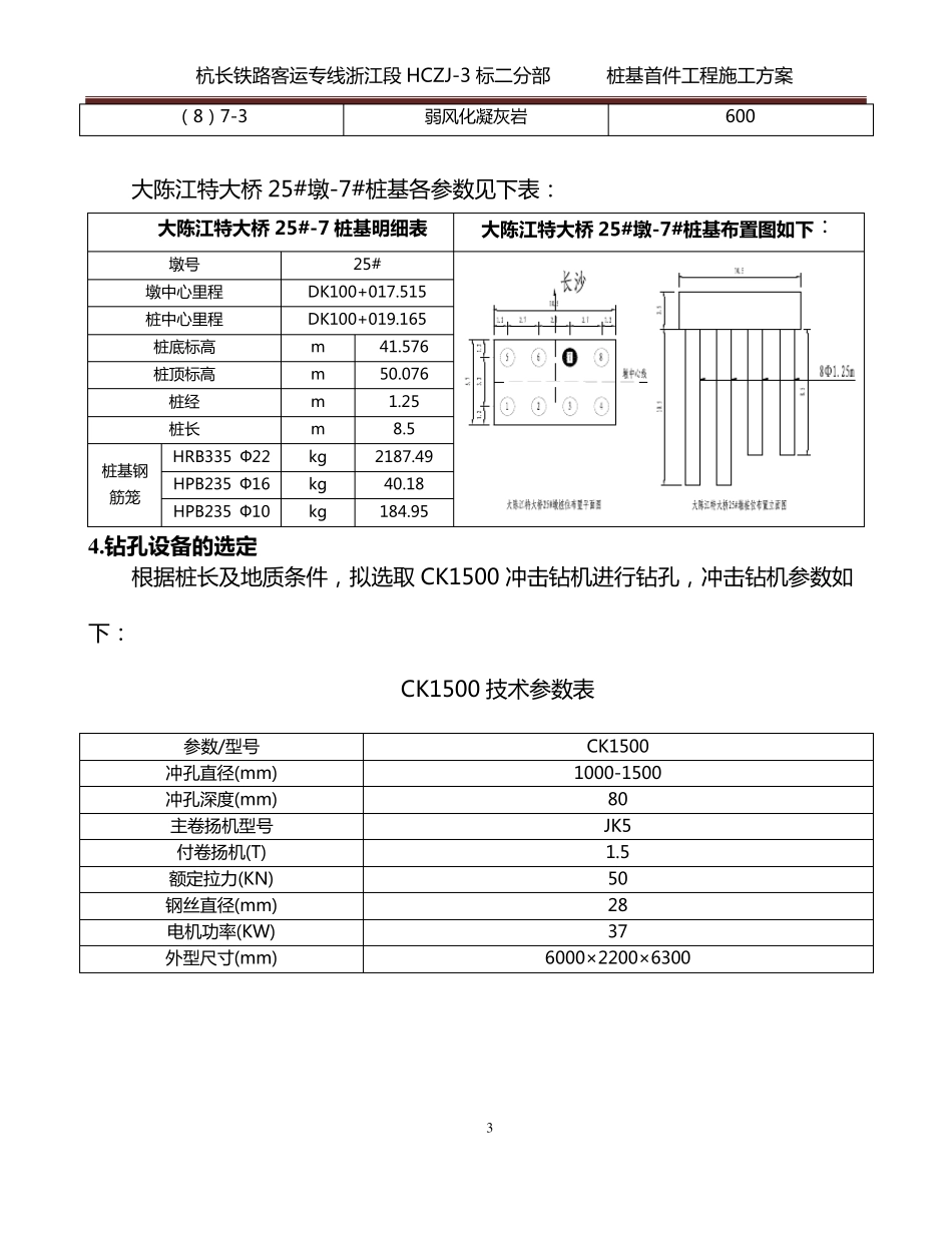
3/18
杭 长 铁 路 客 运 专 线 浙 江 段 HCZJ-3 标 二 分 部 桩 基 首 件 工 程 施 工 方 案 1 桩 基 首 件施工方案 1 .编制目的 为 保 证 桩 基 工 程 施 工 质 量 、 确 定 最 优 施 工 方 案 , 更 好 的 为 其 他 桩 基 施 工 提 供依 据 , 我 部 选 择 大 陈 江 特 大 桥 25#墩 -7#桩 基 作 为 我 标 段 桩 基 施 工 的 首 件 工 程 , 我们 将 通 过 大 陈 江 特 大 桥 25#墩 -7#桩 基 首 件 工 程 的 实 施 , 总 结 出 适 合 本 分 部 桩 基 施工 的 施 工 工 艺 , 对 重 点 、 难 点 部 位 采 取 控 制 措 施 。 2 .编制依据 ⑴《 杭 长 铁 路 客 运 专 线 浙 江 段 “首 件 负 责 制 ”实 施 办法》沪昆浙 安函【2011】50 号 ⑵铁 四院下发的 设计资料、 设计图纸、 设计文件 。 ⑶《 铁 路 混凝土工 程 施 工 质 量 验收标 准》(TB10424-2010) ⑷《 高速铁 路 桥 涵工 程 施 工 质 量 验收标 准》(TB10752-2010) ⑸《 高速铁 路 桥 涵工 程 施 工 施 工 技术指南》(铁 建设【2010】241 号 ⑹本 单位 积累的 类似 工 程 的 施 工 经 验。 3 .工程概况 3 .1 桥梁工程概况 我 分 部 共 包 括 桥 梁 15 座 : 蔡 家 畈 特 大 桥 、 球 山 大 桥 、 球 山 特 大 桥 、 大 陈 村 大桥 、 大 陈 江 特 大 桥 、 官 塘 顶 特 大 桥 、 浦 江 特 大 桥 、 郑 家 坞 2 号大 桥 、 郑 家 坞 3 号大 桥 、 郑 家 坞 4 号大 桥 、 大 陈 江 特 大 桥 、 大 陈 江 特 大 桥 、 金 都 大 桥 、 潘 塘 中 桥 、稠 下线 1 号大 桥 。 序 号 桥 段 设计情 况 已 明 确 桩 基 墩 台 设计参 数 根 数 混凝土标号 墩 台数 桩 基个 数 墩 台 数 桩 基 个数 桩 基 总长 度 ≤10m > 10m 1 蔡 家 畈 特 大 桥 38 304 38 304 3718 129 175 C40 2 球 山 大 桥 12 100 12 100 1392.5 25 75 C35 3 球 山 特 大 桥 20 165 20 165 3266 165 C35 杭 长 铁 路 客 运 专 线 浙 江 段 HCZJ-3 标 二 分 部 桩 ...

1、当您付费下载文档后,您只拥有了使用权限,并不意味着购买了版权,文档只能用于自身使用,不得用于其他商业用途(如 [转卖]进行直接盈利或[编辑后售卖]进行间接盈利)。
2、本站所有内容均由合作方或网友上传,本站不对文档的完整性、权威性及其观点立场正确性做任何保证或承诺!文档内容仅供研究参考,付费前请自行鉴别。
3、如文档内容存在违规,或者侵犯商业秘密、侵犯著作权等,请点击“违规举报”。

碎片内容

桩基首件施工方案

确认删除?
VIP
微信客服
  • 扫码咨询
会员Q群
  • 会员专属群点击这里加入QQ群
客服邮箱
回到顶部