电脑桌面
添加小米粒文库到电脑桌面
安装后可以在桌面快捷访问

检验批质量验收记录表格

检验批质量验收记录表格_第1页
1/39
检验批质量验收记录表格_第2页
2/39
检验批质量验收记录表格_第3页
3/39
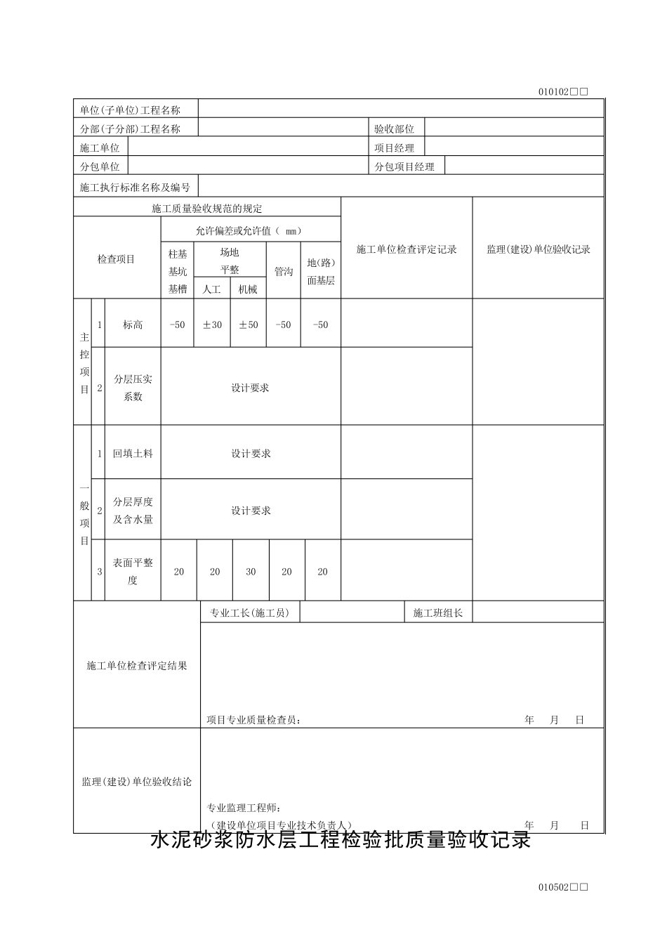
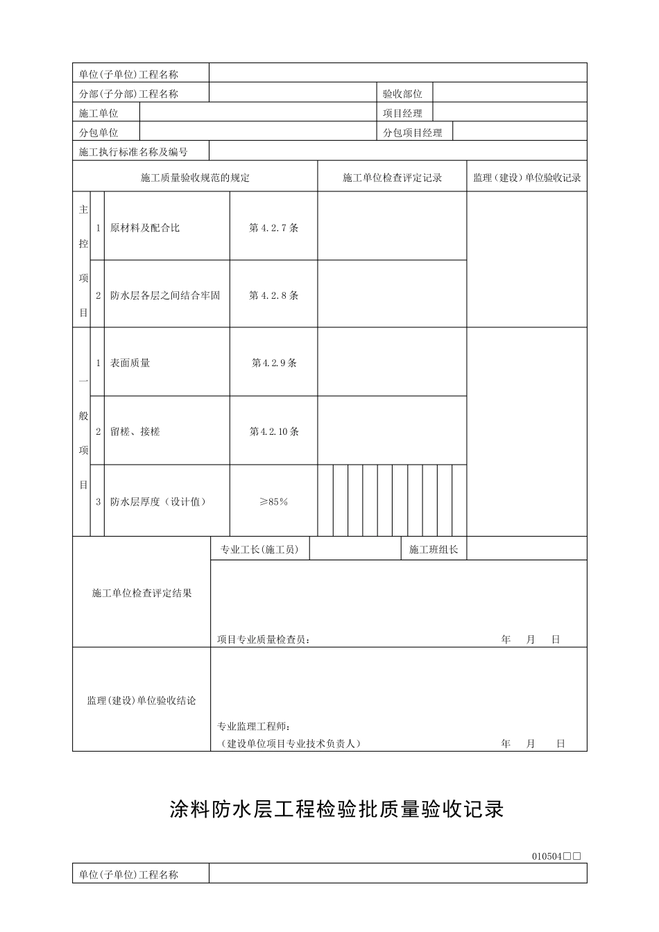
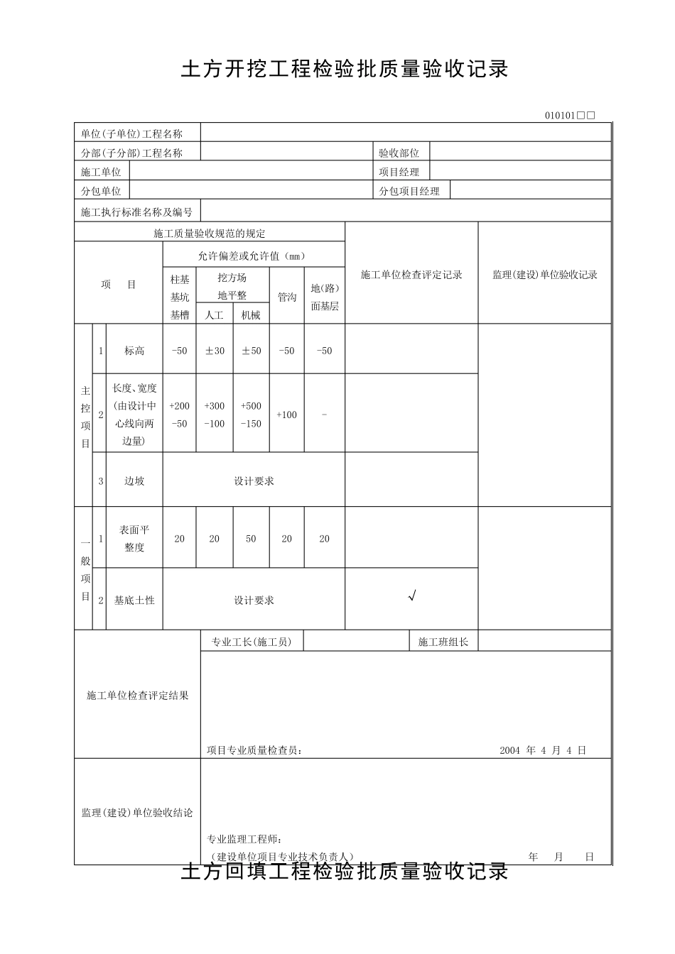
土方开挖工程检验批质量验收记录 010101□□ 单位(子单位)工程名称 分部(子分部)工程名称 验收部位 施工单位 项目经理 分包单位 分包项目经理 施工执行标准名称及编号 施工质量验收规范的规定 施工单位检查评定记录 监理(建设)单位验收记录 项 目 允许偏差或允许值(mm) 柱基基坑基槽 挖方场 地平整 管沟 地(路)面基层 人工 机械 主控项目 1 标高 -50 ±30 ±50 -50 -50 2 长度、宽度(由设计中心线向两边量) +200-50 +300-100 +500-150 +100 - 3 边坡 设计要求 一般项目 1 表面平 整度 20 20 50 20 20 2 基底土性 设计要求 √ 施工单位检查评定结果 专业工长(施工员) 施工班组长 项目专业质量检查员: 2004 年 4 月 4 日 监理(建设)单位验收结论 专业监理工程师: (建设单位项目专业技术负责人) 年 月 日 土方回填工程检验批质量验收记录 010102□□ 单位(子单位)工程名称 分部(子分部)工程名称 验收部位 施工单位 项目经理 分包单位 分包项目经理 施工执行标准名称及编号 施工质量验收规范的规定 施工单位检查评定记录 监理(建设)单位验收记录 检查项目 允许偏差或允许值(mm) 柱基基坑基槽 场地 平整 管沟 地(路)面基层 人工 机械 主控项目 1 标高 -50 ±30 ±50 -50 -50 2 分层压实系数 设计要求 一般项目 1 回填土料 设计要求 2 分层厚度及含水量 设计要求 3 表面平整度 20 20 30 20 20 施工单位检查评定结果 专业工长(施工员) 施工班组长 项目专业质量检查员: 年 月 日 监理(建设)单位验收结论 专业监理工程师: (建设单位项目专业技术负责人) 年 月 日 水泥砂浆防水层工程检验批质量验收记录 010502□□ 单位(子单位)工程名称 分部(子分部)工程名称 验收部位 施工单位 项目经理 分包单位 分包项目经理 施工执行标准名称及编号 施工质量验收规范的规定 施工单位检查评定记录 监理(建设)单位验收记录 主 控 项 目 1 原材料及配合比 第4.2.7 条 2 防水层各层之间结合牢固 第4.2.8 条 一 般 项 目 1 表面质量 第4.2.9 条 2 留槎、接槎 第4.2.10 条 3 防水层厚度(设计值) ≥85% 施工单位检查评定结果 专业工长(施工员) 施工班组长 项目专业质量检查员: 年 月 日 监理(建设)单位验收结论 专业监理工程师: (建设单位项目专业技术负责人...

1、当您付费下载文档后,您只拥有了使用权限,并不意味着购买了版权,文档只能用于自身使用,不得用于其他商业用途(如 [转卖]进行直接盈利或[编辑后售卖]进行间接盈利)。
2、本站所有内容均由合作方或网友上传,本站不对文档的完整性、权威性及其观点立场正确性做任何保证或承诺!文档内容仅供研究参考,付费前请自行鉴别。
3、如文档内容存在违规,或者侵犯商业秘密、侵犯著作权等,请点击“违规举报”。

碎片内容

检验批质量验收记录表格

您可能关注的文档

确认删除?
VIP
微信客服
  • 扫码咨询
会员Q群
  • 会员专属群点击这里加入QQ群
客服邮箱
回到顶部