电脑桌面
添加小米粒文库到电脑桌面
安装后可以在桌面快捷访问

欧陆EV500变频器

欧陆EV500变频器_第1页
1/8
欧陆EV500变频器_第2页
2/8
欧陆EV500变频器_第3页
3/8
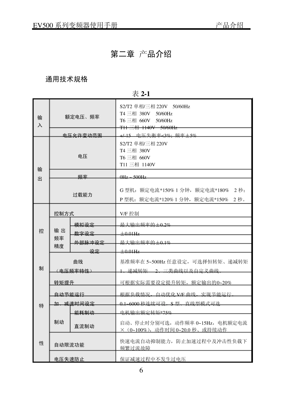
EV500 系列变频器使用手册 产品介绍 6 第二章 产品介绍 2.1通用技术规格 表2 -1 输入 额定电压、频率 S2/T2 单相/三相220V 50/60Hz T4 三相 380V 50/60Hz T6 三相 660V 50/60Hz T11 三相 1140V 50/60Hz 电压允许变动范围 +/-15% 电压失衡率<3%; 频率±5% 输 出 电压 S2/T2 单相/三相220V T4 三相 380V T6 三相 660V T11 三相 1140V 频率 0Hz ~ 500Hz 过载能力 G 型机:额定电流*150% 1 分钟,额定电流*180% 2 秒; P 型机:额定电流*120% 1 分钟,额定电流*150% 2 秒。 控 制 特 性 控制方式 V/F 控制 输出频率 精度 模拟设定 最大输出频率的±0.2% 数字设定 ±0.01Hz 外部脉冲设定 最大输出频率的±0.1% RS485 设定 ±0.01Hz V/F曲线 (电压频率特性) 基准频率在 5~500Hz 任意设定,可选择恒转矩、递减转矩1、递减转矩 2、三类曲线以及自定义曲线。 转矩提升 可根据实际需要设定提升转矩,额定输出的0~20% 自动节能运行 根据负载情况,自动优化 V/F 曲线,实现节能运行。 加、减速时间设定 0.1~6000 秒连续可设,S 型、直线型模式可选 制动 能耗制动 电机输出额定转矩*75% 直流制动 启动、停止时分别可选,动作频率0~15Hz,电机额定电流×(0~100%),动作时间 0~20.0 秒、或持续动作 自动限流功能 快速电流自动抑制能力,防止加速过程中及冲击性负载下频繁过流故障 电压失速防止 保证减速过程中不发生过电压 EV500 系列变频器使用手册 产品介绍 7 控 制 特 载波调整 载波频率1.5KHz ~ 15.0KHz 连续可调,最大限度降低电机噪声 频率 设定 通道 模拟输入 面板电位器,直流电压0~10V、-10V~10V,直流电流0~20mA(上、下限可选) 数字设定 使用操作面板 脉冲输入 0~50.000KHz (上、下限可选) RS485 上位机设定 启动信号 正转、反转、启动信号自保持(三线控制)可选 定时器、计数器 内置定时器、计数器各一个,方便系统集成 多段速/PLC控制功能 当用外部端子选择多段速控制时,可达 15 段速;可编程多段速控制(PLC)最多 7 段,每段速度的运行方向、运行时间分别可设 摆频功能 适用于纺织场合 内置 PID控制 可以方便地构成简易闭环控制系统而不需附加 PID 控制器。 输出 信号 开关信号(Y1,Y2和继电器T)输出 变频器运转中,频率到达,频率水平检测,过载报警,外部故障停机,频率上...

1、当您付费下载文档后,您只拥有了使用权限,并不意味着购买了版权,文档只能用于自身使用,不得用于其他商业用途(如 [转卖]进行直接盈利或[编辑后售卖]进行间接盈利)。
2、本站所有内容均由合作方或网友上传,本站不对文档的完整性、权威性及其观点立场正确性做任何保证或承诺!文档内容仅供研究参考,付费前请自行鉴别。
3、如文档内容存在违规,或者侵犯商业秘密、侵犯著作权等,请点击“违规举报”。

碎片内容

欧陆EV500变频器

确认删除?
VIP
微信客服
  • 扫码咨询
会员Q群
  • 会员专属群点击这里加入QQ群
客服邮箱
回到顶部