电脑桌面
添加小米粒文库到电脑桌面
安装后可以在桌面快捷访问

气浮机使用说明书

气浮机使用说明书_第1页
1/10
气浮机使用说明书_第2页
2/10
气浮机使用说明书_第3页
3/10
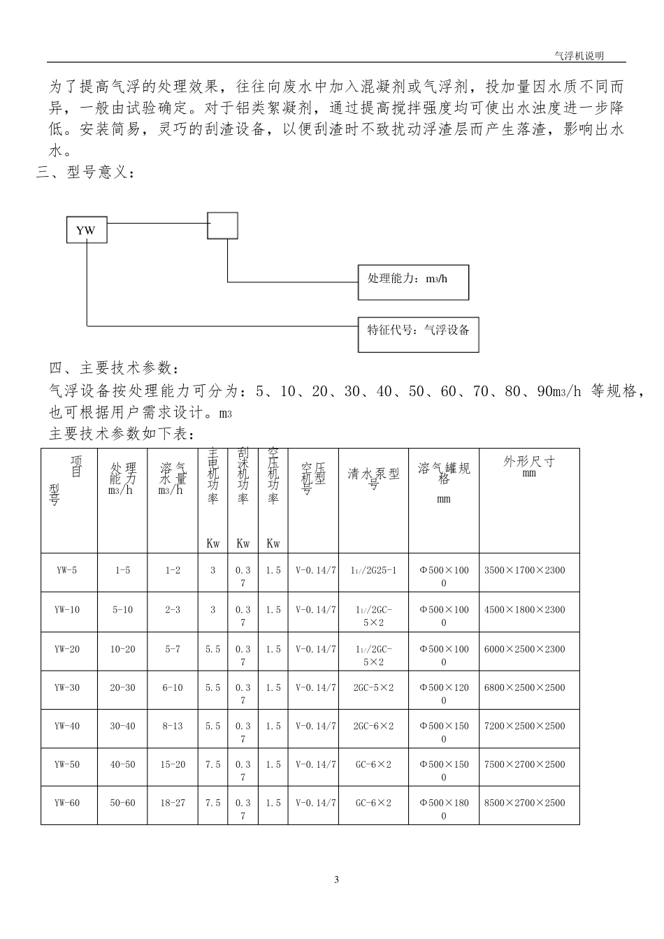
气浮机说明 1 目录 一、 用途二、 特点 三、 各部分组成和作用四、 型号意义 五、 主要技术参数六、 工作原理 七、 安装、调试、操作规程及注意事 气浮机说明 2 一、用途 气浮技术近年来广泛应用于给排水及废水处理中,它可以有效地去除废水中难以沉淀的轻浮絮体。溶气气浮(DAF)适用于处理低浊度、高色度、高有机物含量、低含油量、低表面活性物质含量或具有富藻的水。相对于其它的气浮方式,它具有水力负荷高,池体紧凑等优点。但是它的工艺复杂,电能消耗较大,空压机的噪音大等缺点也限制着它的应用。DAF 一般设置在生物处理单元之前,物理处理单元之后,习惯上将其归为物理处理单元。 二、特点 1、处理能力大、效率高、占地少。 2、工艺过程及设备构造简单,便于使用、维护。 3、能消除污泥膨胀。 4、气浮时向水中曝气,对去除水中的表面活性剂及臭味有明显的效果,同时由于曝气增加了水中的溶解氧,为后续处理提供了有利条件。 5、对低温、低浊、含藻类多的水源,采用气浮法 可取 得 最 好 的效果。 三 、DAF 主 要 由空气饱 和 设备(也称 压力溶气系 统 )、空气释 放 设备(也称 溶气释 放系 统 )和 气浮池(也称 气浮分 离 系 统 )等组 成 。目 前,溶气气浮工艺的设计 和 最 佳 操作 的确 定 ,需 要 依 靠 中试 和 经 验 。以下 ,根 据 各 种 应用中总 结 出 的经 验 ,分 别 介 绍 各个 组 成 部 分 的设计 原 理。 2. 1 压力溶气系 统 (包 括 压力溶气罐 、空压机、水泵 及其附 属 设备) 容 器 罐 : 加压,使空气溶于水,气水混 合 ; 空压机: 压缩 空气进 入 容 器 罐 与 水混 合 ; 水泵 : 水泵 将水从 气浮分 离 区 抽 到 容 器 罐 中。 溶气系 统 占整 个 气浮过程能量消耗的 50%,溶气罐 价 值 占设备投 资 的 12%,因 此 优化溶气系 统 的设计 对缩 小 气浮操 作 费 用是很 重 要 的。 2. 2 溶气释 放 系 统 (主 要 是释 放 头 ) 释 放 器 是该 系 统 的关 键 装 置,它对气泡 形 成 的大小 、分 布 以及对气浮净 水效果和 运 行费 用均 有明显影 响 。目 前被 采用的释 放 器 的释 气效率可达 99.2%。 以前的研 究 认 为,释 气泡 的大小 与 溶气压力有关 ,低压时形 成 大气泡 居 多...

1、当您付费下载文档后,您只拥有了使用权限,并不意味着购买了版权,文档只能用于自身使用,不得用于其他商业用途(如 [转卖]进行直接盈利或[编辑后售卖]进行间接盈利)。
2、本站所有内容均由合作方或网友上传,本站不对文档的完整性、权威性及其观点立场正确性做任何保证或承诺!文档内容仅供研究参考,付费前请自行鉴别。
3、如文档内容存在违规,或者侵犯商业秘密、侵犯著作权等,请点击“违规举报”。

碎片内容

气浮机使用说明书

您可能关注的文档

确认删除?
VIP
微信客服
  • 扫码咨询
会员Q群
  • 会员专属群点击这里加入QQ群
客服邮箱
回到顶部