电脑桌面
添加小米粒文库到电脑桌面
安装后可以在桌面快捷访问

水上吊装作业安全交底

水上吊装作业安全交底_第1页
1/19
水上吊装作业安全交底_第2页
2/19
水上吊装作业安全交底_第3页
3/19
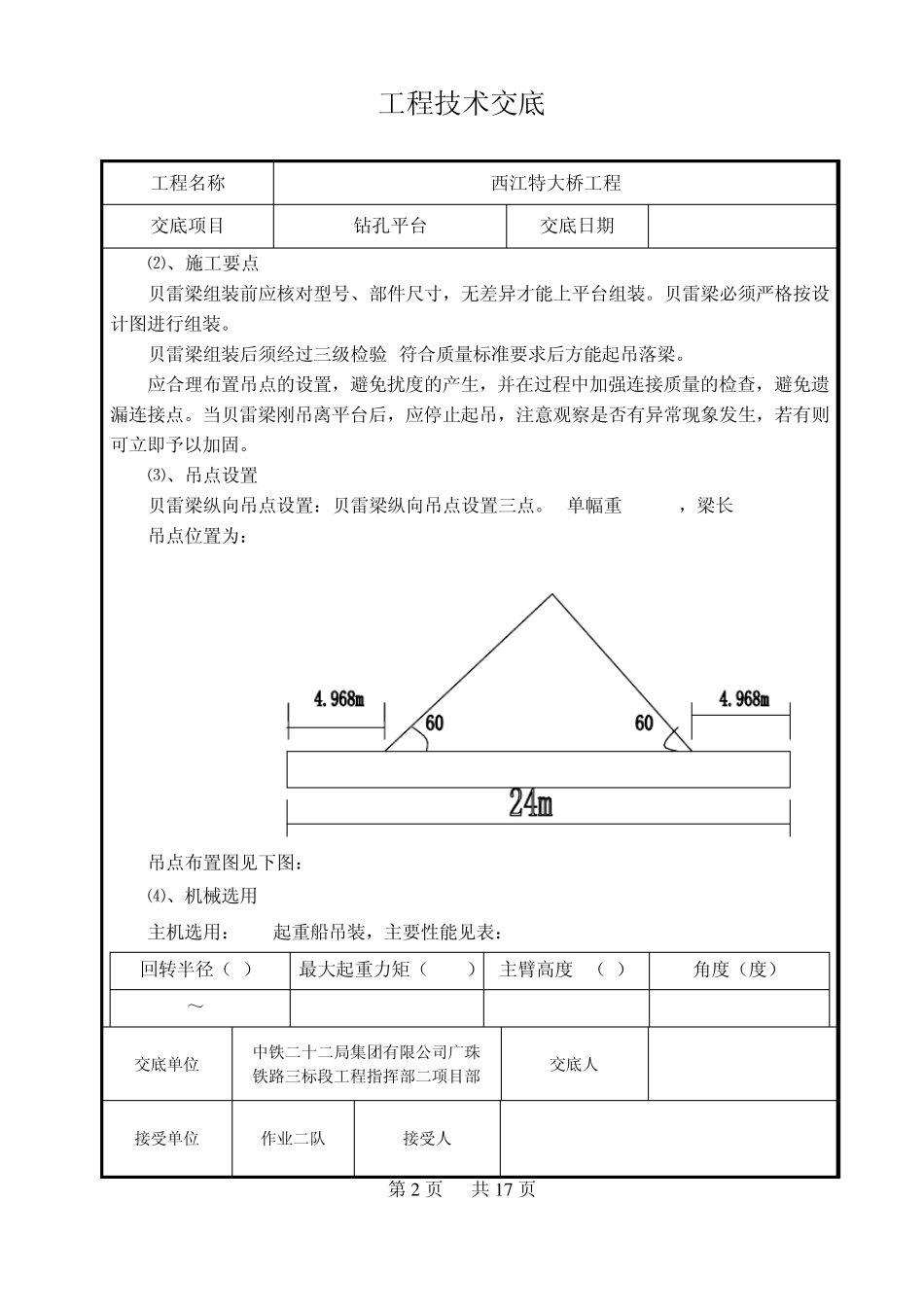
广州至珠海新建铁路复工工程 SG-3标段 技 术 交 底 (水上吊装作业) K72+713.11 中铁二十二局集团有限公司 广珠铁路三标段工程指挥部 中国广东·鹤山 工程技术交底 工程名称 西江特大桥工程 交底项目 钻孔平台 交底日期 2008-10-4 一、计划交底 工程数量:138#~144#钻孔平台及栈桥钢管桩、钢护筒及贝雷梁吊装作业。 计划工期:2008-10-4~2008-11-30。 二、施工交底 ㈠、贝雷梁吊装 1、概述 本方案主要考虑24m长一联贝雷梁的吊装。一联24m贝雷梁按6.98t进行计算。 计算依据:《起重吊装常用数据手册》 《建筑施工计算手册》 《钢结构设计规范》(GB50017-2003) 2、吊装施工方案 本工程贝雷梁采取一次性吊装施工方案,即理论计算满足要求和吊装方案满足安全施工要求。 根据上述特点和以往施工经验,采取抬吊二点吊装、整体落梁的吊装方案。吊装设备选用50t起重船吊装。 ⑴、贝雷梁吊装方法 贝雷梁吊放采用50t起重船吊装。起吊时必须使吊钩中心与贝雷梁重心相重合,保证起吊平衡。 贝雷梁吊放具体分六步走: 第一步:指挥转移到起吊位置,起重工分别安装吊点的卸扣。 第二步:检查二吊点钢丝绳的安装情况及受力重心后,开始同时平吊。 第三步:贝雷梁吊至离地面 0.3m~0.5m后,应检查贝雷梁是否平稳后主钩起钩。 第四步:贝雷梁吊起后,主钩匀速起钩。 第五步:指挥吊机吊笼入孔、定位,吊机走行应平稳,贝雷梁上应拉牵引绳。下放时不得强行落梁。 第六步:指挥起重工卸除贝雷梁上的吊环。 交底单位 中铁二十二局集团有限公司广珠 铁路三标段工程指挥部二项目部 交底人 接受单位 作业二队 接受人 第 1 页 共 1 7 页 工程技术交底 工程名称 西江特大桥工程 交底项目 钻孔平台 交底日期 2008-10-4 ⑵、施工要点 贝雷梁组装前应核对型号、部件尺寸,无差异才能上平台组装。贝雷梁必须严格按设计图进行组装。 贝雷梁组装后须经过三级检验,符合质量标准要求后方能起吊落梁。 应合理布置吊点的设置,避免扰度的产生,并在过程中加强连接质量的检查,避免遗漏连接点。当贝雷梁刚吊离平台后,应停止起吊,注意观察是否有异常现象发生,若有则可立即予以加固。 ⑶、吊点设置 贝雷梁纵向吊点设置:贝雷梁纵向吊点设置三点。 (单幅重:6.98T,梁长 24m) 吊点位置为:x=0.207*24=4.968m 吊点布置图见下图: ⑷、机械选用 主机选用:50t起重船吊装,主要性能见表: 回转半径(m) ...

1、当您付费下载文档后,您只拥有了使用权限,并不意味着购买了版权,文档只能用于自身使用,不得用于其他商业用途(如 [转卖]进行直接盈利或[编辑后售卖]进行间接盈利)。
2、本站所有内容均由合作方或网友上传,本站不对文档的完整性、权威性及其观点立场正确性做任何保证或承诺!文档内容仅供研究参考,付费前请自行鉴别。
3、如文档内容存在违规,或者侵犯商业秘密、侵犯著作权等,请点击“违规举报”。

碎片内容

水上吊装作业安全交底

确认删除?
VIP
微信客服
  • 扫码咨询
会员Q群
  • 会员专属群点击这里加入QQ群
客服邮箱
回到顶部