电脑桌面
添加小米粒文库到电脑桌面
安装后可以在桌面快捷访问

水塘施工组织设计

水塘施工组织设计_第1页
1/23
水塘施工组织设计_第2页
2/23
水塘施工组织设计_第3页
3/23
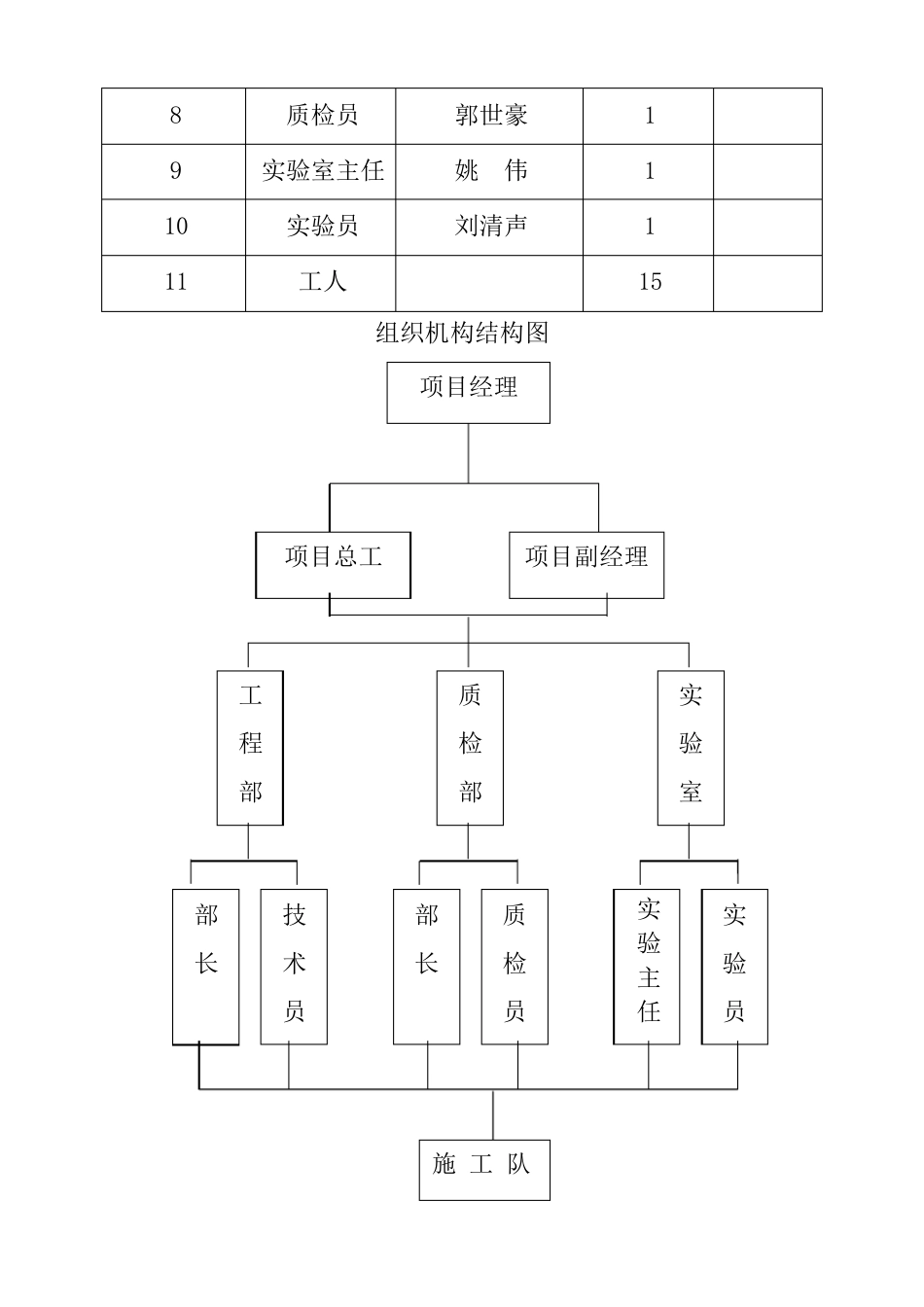
青岛滨海公路南段一期工程第三合同段 (水(虾)塘路段) 施工技术方案 内蒙古自治区公路工程局 青岛滨海公路南段一期工程第三合同段项目经理部 2008 年 5 月 13 日 水(虾)塘路段施工组织设计 一、施工概况 我合同段共有水(虾)塘15 处,主要工程量:清淤 20880 立方,换填碎石土 21477 立方,针对本合同段水(虾)塘的具体情况,因工程需要对水(虾)塘进行处理,根据规范要求,在听取施工、技术人员意见的基础上,特编制此施工组织设计。 二、施工准备 1、组织机构设置及人员分工 本分项工程在总体施工组织设计中属于重点工程,本工程能否按时完工,直接关系到总体施工组织的顺利实施,因此我部在人员设置上非常重视,成立了以项目经理王瑞为领导小组的机构组织,具体人员如下: 参 加 施 工 人 员 表 序号 职位 姓名 人数 备注 1 项目经理 王瑞 1 2 项目副经理 张云光 1 3 项目总工 尚颖涛 1 4 工程部部长 刘兆岳 1 5 技术员 姜奎、邵立龙 2 6 测量员 孙会进 4 7 质检部部长 杨雪磊 1 8 质检员 郭世豪 1 9 实验室主任 姚 伟 1 10 实验员 刘清声 1 11 工人 15 组织机构结构图 项目副经理 项目总工 工程部 质检部 实验室 部长 部长 实 验 主 任 技术员 质检员 实验员 项目经理 施 工 队 项目部职责分工 1)项目经理 :全面负责本工程的生产、安全、质量工作,负责协调个方面之间的工作,确保本工程的工程质量,按期顺利完成。 2)项目副经理 :负责生产、材料供应、安全生产及机械设备调度等工作。 3)项目总工:全面负责本工程的工程技术、计划、质量检验、试验等工作,通过工程、质检部门对本工程的施工进行技术管理和质量管理等。 4)工程部:负责组织施工队伍,优化施工队人员、机械等其它生产资源的配置,优质高效的组织施工。加强施工工艺控制,并对施工过程中各工序的质量进行控制,确保施工质量满足设计规范要求。专业测量小组,负责本工程测量定线、施工放样及施工测量控制工作。 5)质检部:负责质量检测、监控工作,确保质量保证体系的正常运转,保证本工程的工程质量。 6)中心试验室 :负责本工程材料的质量检验、土工试验等各项施工项目的检测工作,确保各项指标满足设计及规范要求。 7)施工队:依据试验段的计划安排,施工图纸及技术、质量的要求组织施工,对施工进度、质量、安全等各项内容直接负责。 2、机械配备 ...

1、当您付费下载文档后,您只拥有了使用权限,并不意味着购买了版权,文档只能用于自身使用,不得用于其他商业用途(如 [转卖]进行直接盈利或[编辑后售卖]进行间接盈利)。
2、本站所有内容均由合作方或网友上传,本站不对文档的完整性、权威性及其观点立场正确性做任何保证或承诺!文档内容仅供研究参考,付费前请自行鉴别。
3、如文档内容存在违规,或者侵犯商业秘密、侵犯著作权等,请点击“违规举报”。

碎片内容

水塘施工组织设计

确认删除?
VIP
微信客服
  • 扫码咨询
会员Q群
  • 会员专属群点击这里加入QQ群
客服邮箱
回到顶部