电脑桌面
添加小米粒文库到电脑桌面
安装后可以在桌面快捷访问

水泥路面设计计算书

水泥路面设计计算书_第1页
1/20
水泥路面设计计算书_第2页
2/20
水泥路面设计计算书_第3页
3/20
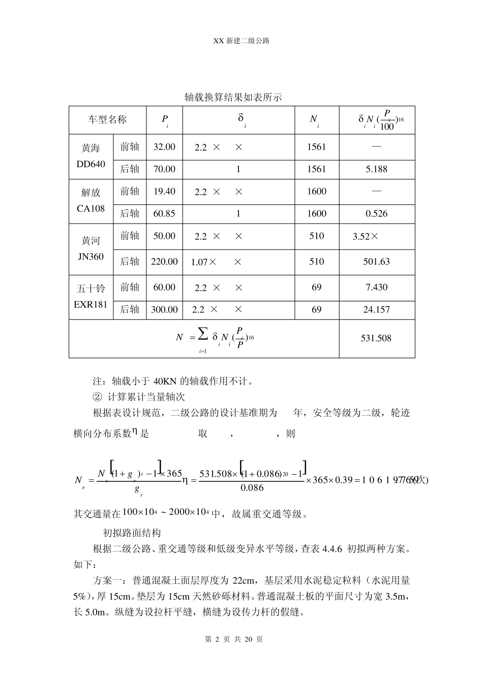
XX 新建二级公路 第 1 页 共 20 页 第四章 路面设计 4.1水泥混凝土路面设计 交通组成表 车型名称 单轴单轮组的个数 轴重 (KN) 单轴双轮组个数 轴重 (KN) 双轴单轮组的个数 轴重 (KN) 三轴单轮组的个数 轴重 (KN) 交通量 黄海DD640 1 32 1 70 0 0 0 0 1561 解放CA108 1 19.4 1 60.85 0 0 0 0 1600 黄河JN360 1 50 0 0 1 220 0 0 510 五十铃EXR181 1 60 1 100 1 200 0 0 69 4.1.1 轴载分析 水泥混凝土路面结构设计以100KN 单轴—双轮组荷载为标准轴载。 ⑴以设计弯沉值为指标及验算面层层底拉力中的累计当量轴次。 ① 轴载换算: 161100niiiisPNN 式中 : sN ——100KN的单轴—双轮组标准轴载的作用次数; iP ——单轴—单轮、单轴—双轮组、双轴—双轮组或三轴—双轮组轴型i级轴载的总重KN; iN ——各类轴型i级轴载的作用次数; n ——轴型和轴载级位数; i ——轴—轮型系数,单轴—双轮组时,i =1;单轴—单轮时,按 式43.031022.2iiP计算 ; 双轴— 双轮组时 , 按 式22.051007.1iiP;三轴—双轮组时,按式22.081024.2iiP计算。 XX 新建二级公路 第 2 页 共 20 页 轴载换算结果如表所示 车型名称 iP i iN 16)100(iiiPN 黄海DD640 前轴 32.00 2.22×103×32.00-0.43 1561 — 后轴 70.00 1 1561 5.188 解放CA108 前轴 19.40 2.22×103×19.40-0.43 1600 — 后轴 60.85 1 1600 0.526 黄河JN360 前轴 50.00 2.22×103×50.00-0.43 510 3.52×10-0.8 后轴 220.00 1.07×10-5×220.00-0.22 510 501.63 五十铃EXR181 前轴 60.00 2.22×103×60.00-0.43 69 7.430 后轴 300.00 2.24×10-8×100.00-0.22 69 24.157 161)( PPNNiiini 531.508 注:轴载小于 40KN 的轴载作用不计。 ② 计算累计当量轴次 根据表设计规范,二级公路的设计基准期为 20年,安全等级为二级,轮迹横向分布系数 是 0.34~0.39取 0.39,gr=0.086,则 )(7 6 9.1 0 6 1 9 7 539.0365086.01)086.01(508.5313651)1(20次rtrseggNN其交通量在44102000~10100中,故属重交通等级。 4.1.2 初拟路面结构 根据二级公路、重交通等级和低级变异水平等级,查表4.4.6 初拟两种方案。如下: 方...

1、当您付费下载文档后,您只拥有了使用权限,并不意味着购买了版权,文档只能用于自身使用,不得用于其他商业用途(如 [转卖]进行直接盈利或[编辑后售卖]进行间接盈利)。
2、本站所有内容均由合作方或网友上传,本站不对文档的完整性、权威性及其观点立场正确性做任何保证或承诺!文档内容仅供研究参考,付费前请自行鉴别。
3、如文档内容存在违规,或者侵犯商业秘密、侵犯著作权等,请点击“违规举报”。

碎片内容

水泥路面设计计算书

您可能关注的文档

确认删除?
VIP
微信客服
  • 扫码咨询
会员Q群
  • 会员专属群点击这里加入QQ群
客服邮箱
回到顶部