电脑桌面
添加小米粒文库到电脑桌面
安装后可以在桌面快捷访问

水泵维护保养检修制度

水泵维护保养检修制度_第1页
1/6
水泵维护保养检修制度_第2页
2/6
水泵维护保养检修制度_第3页
3/6
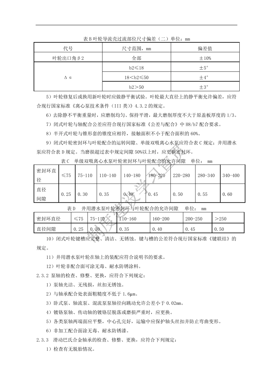
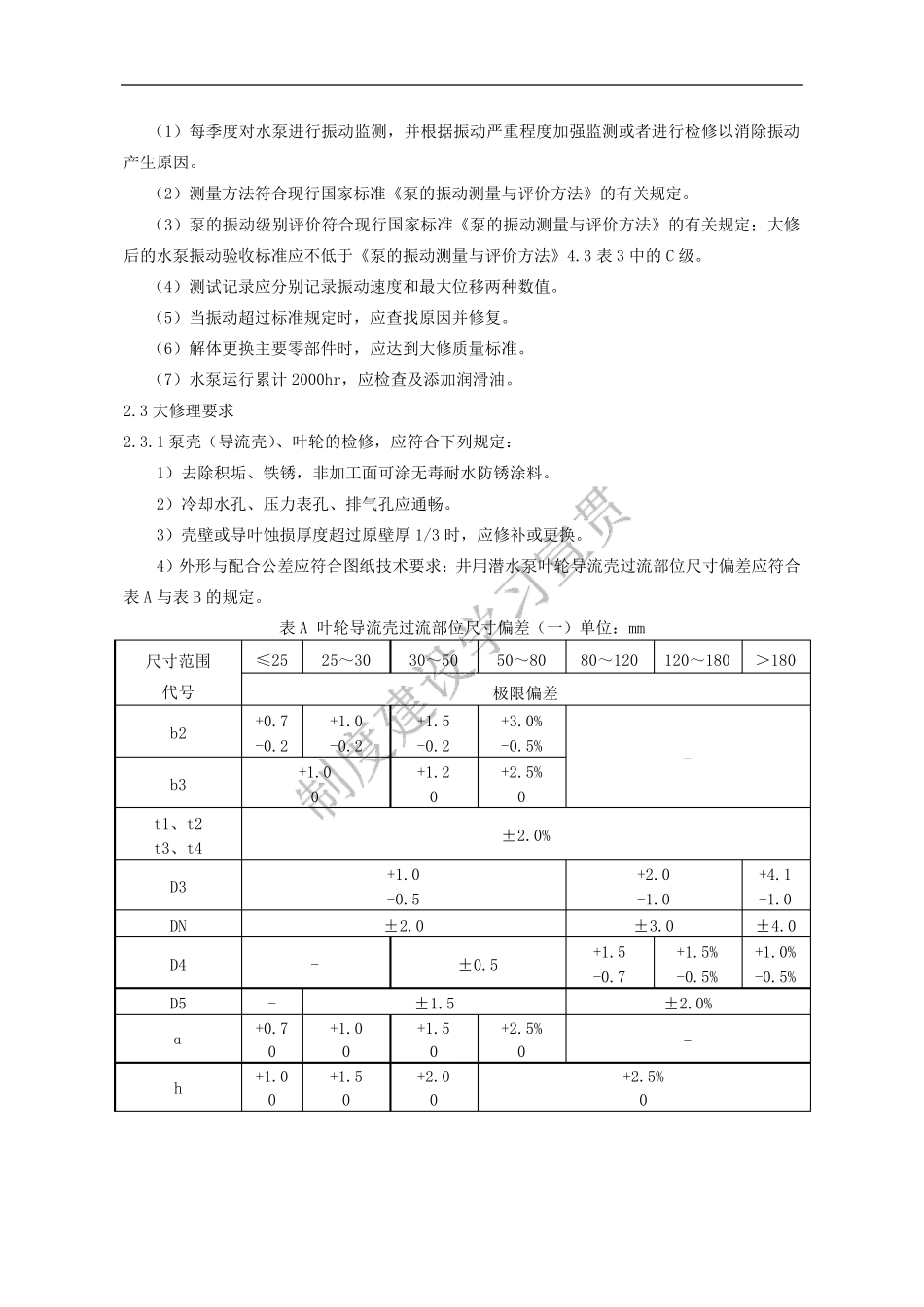
水泵维护保养检修制度 1.总则 1.1 建立日常保养、定期维护和大修理三级维护检修制度。 1.2 日常保养属经常性工作,由运行值班人负责,对设备进行经常性的保养和清扫灰尘。 1.3 定期维护属阶段性工作,由维修人员负责,每年进行不少于 1 次的专业性检查、清扫、维修、测试。电气设备(包括电力电缆)预防性试验每年进行一次;继电保护装置的校验 1-3 年进行一次;接地装置和测接地电阻值的检查每年春季进行;避雷器每年进行检查和试验。 1.4 大修理属恢复设备原有技术状态的检修工作,由专业检修人员负责。应符合下列规定: (1)主要机泵运行累计小时距上次检修满 8000hr 及以上、状态监测仪器测试报警且无法通过保养消除的或已有二年以上没有检修的,应进行检修;运行过程中发现有缺陷的,可按具体情况安排检修或保养。 (2)变压器大修周期应根据历年预防性试验结果经分析后确定。 35kV 及以上的,应在运行 5 年后大修一次,以后每隔 5 ~10 年大修一次;10kV 及以下的,可每 10 年左右大修一次。制造 商 另 有规定的按照 制造 商 规定执 行。 (3) 配 电装置大修周期应根据开 关 存 在的缺陷和实 际 运行条 件 确定。新 投 入 运行的高 压断路 器应在运行一年后大修一次。以后,35kV 及以上断 路 器宜 每 5 年大修一次;3~l0kV 配 电系统 断 路 器宜 每 1~3 年大修一次;3~l0kV 启 动 电机用 断 路 器宜 每年大修一次。故 障 掉 闸 3 次或严 重 喷 泊 、喷 烟 ,均 应解 体检修。制造 商 规定的免 维护设备,根据产 品 说 明 书 进行维修。 2. 标 准 内 容 2.1 日常保养项 目 、内 容 (1) 按设备使 用 说 明 书 的要求 及时补 充 轴 承 内 的润 滑 油 或润 滑 脂 ,保证 油 位 正 常。定期检测油 质 变化 情况,必 要时换 用 新 油 。 (2) 根据运行情况随 时调 整 填 料 压盖 松 紧 度。填 料 密 封 滴 水宜 每分钟 30-60 滴 。 (3) 根据填 料 磨 损 情况及时更 换 填 料 。更 换 填 料 时,每根相 邻 填 料 接口 应错 开 大于 90 度,水封 管 应对准 水封 环 ,最 外 层 填 料 开 口 应向 下。 (4) 使 用 软 填 料 密 封 时,应根据使 用 情况随 时添 加 填 料 ,防止 泄 漏 。 (5) 机泵振 动 超 标 ...

1、当您付费下载文档后,您只拥有了使用权限,并不意味着购买了版权,文档只能用于自身使用,不得用于其他商业用途(如 [转卖]进行直接盈利或[编辑后售卖]进行间接盈利)。
2、本站所有内容均由合作方或网友上传,本站不对文档的完整性、权威性及其观点立场正确性做任何保证或承诺!文档内容仅供研究参考,付费前请自行鉴别。
3、如文档内容存在违规,或者侵犯商业秘密、侵犯著作权等,请点击“违规举报”。

碎片内容

水泵维护保养检修制度

您可能关注的文档

确认删除?
VIP
微信客服
  • 扫码咨询
会员Q群
  • 会员专属群点击这里加入QQ群
客服邮箱
回到顶部