电脑桌面
添加小米粒文库到电脑桌面
安装后可以在桌面快捷访问

江苏省水利工程常用质量评定表

江苏省水利工程常用质量评定表_第1页
1/110
江苏省水利工程常用质量评定表_第2页
2/110
江苏省水利工程常用质量评定表_第3页
3/110
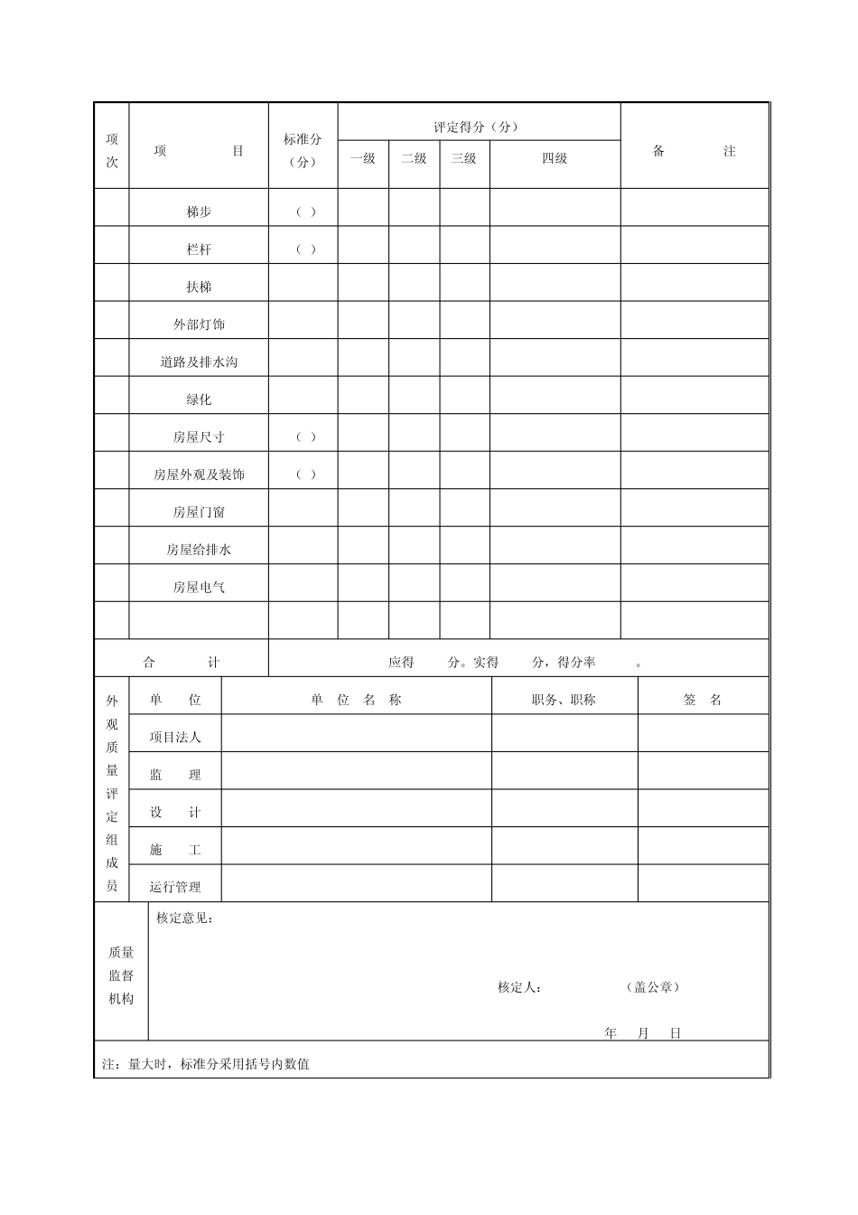
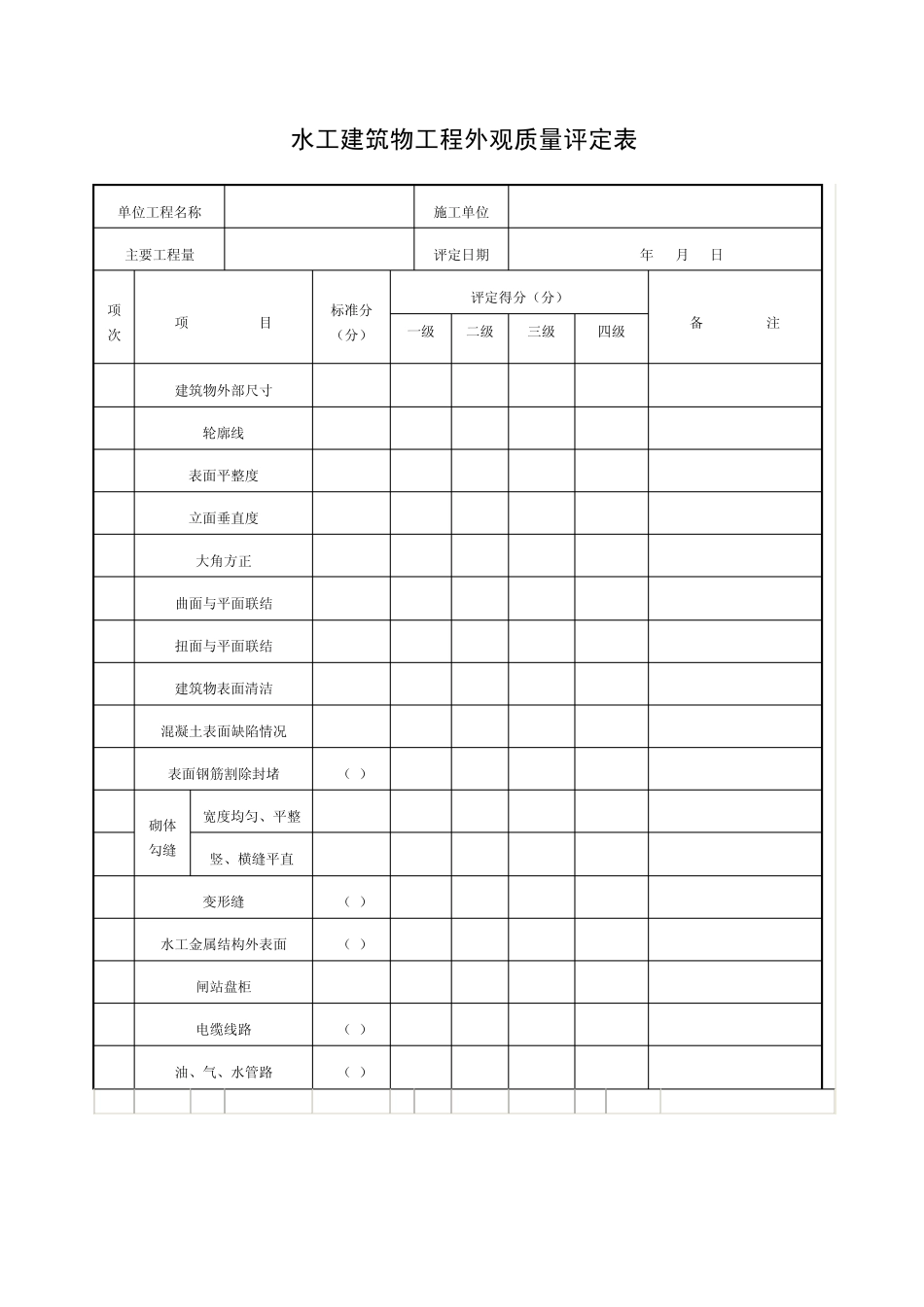
工程项目施工质量评定表 工程项目名称 项目法人 工程等级 设计单位 建设地点 监理单位 主要工程量 施工单位 开工、完工日期 自 年 月 日 至 年 月 日 评定日期 年 月 日 序 号 单位工程名称 单元工程质量统计 分部工程质量统计 单位工程等级 备 注 个数 (个) 其中 优良 (个) 优良率 (%) 个数 (个) 其中 优良(个) 优良率 (%) 1 2 3 4 5 6 7 8 9 单元工程、 分部工程合计 评定结果 本项目单位工程 个,质量全部合格,单位工程优良率 %。主要单位工程优良率 %。 观测资料 分析结论 监理单位评定等级: 总监理工程师: (盖公章) 年 月 日 项目法人认定等级: 法定代表人: (盖公章) 年 月 日 质量监督机构核定等级: 负责人: (盖公章) 年 月 日 水工建筑物工程外观质量评定表 单位工程名称 施工单位 主要工程量 评定日期 年 月 日 项 次 项 目 标准分 (分) 评定得分(分) 备 注 一级100% 二级90% 三级 70% 四级 0 1 建筑物外部尺寸 12 2 轮廓线 10 3 表面平整度 10 4 立面垂直度 10 5 大角方正 5 6 曲面与平面联结 9 7 扭面与平面联结 9 8 建筑物表面清洁 10 9 混凝土表面缺陷情况 10 10 表面钢筋割除封堵 2(4) 11 砌体 勾缝 宽度均匀、平整 4 12 竖、横缝平直 4 13 变形缝 3(4) 14 水工金属结构外表面 6(7) 15 闸站盘柜 7 16 电缆线路 4(5) 17 油、气、水管路 3(4) 项 次 项 目 标准分 (分) 评定得分(分) 备 注 一级100% 二级90% 三级 70% 四级 0 18 梯步 2(3) 19 栏杆 2(3) 20 扶梯 2 21 外部灯饰 2 22 道路及排水沟 4 23 绿化 8 24 房屋尺寸 4(8) 25 房屋外观及装饰 4(6) 26 房屋门窗 4 27 房屋给排水 3 28 房屋电气 3 合 计 应得 分。实得 分,得分率 %。 外观 质量 评定 组成员 单 位 单 位 名 称 职务、职称 签 名 项目法人 监 理 设 计 施 工 运行管理 质量监督机构 核定意见: 核定人: (盖公章) 年 月 日 注:量大时,标准分采用括号内数值 说明:(1)检查、检查项目经工程外观质量评定组全面检查后,抽测 25%,且各项不少于 10 点。 (2)评定等级标准:测点中符合质量标准的点数占总测点数的百分率为 100%时,为一级。合格率为 ...

1、当您付费下载文档后,您只拥有了使用权限,并不意味着购买了版权,文档只能用于自身使用,不得用于其他商业用途(如 [转卖]进行直接盈利或[编辑后售卖]进行间接盈利)。
2、本站所有内容均由合作方或网友上传,本站不对文档的完整性、权威性及其观点立场正确性做任何保证或承诺!文档内容仅供研究参考,付费前请自行鉴别。
3、如文档内容存在违规,或者侵犯商业秘密、侵犯著作权等,请点击“违规举报”。

碎片内容

江苏省水利工程常用质量评定表

确认删除?
VIP
微信客服
  • 扫码咨询
会员Q群
  • 会员专属群点击这里加入QQ群
客服邮箱
回到顶部