电脑桌面
添加小米粒文库到电脑桌面
安装后可以在桌面快捷访问

汽车修理工(高级)评分记录表

汽车修理工(高级)评分记录表_第1页
1/61
汽车修理工(高级)评分记录表_第2页
2/61
汽车修理工(高级)评分记录表_第3页
3/61
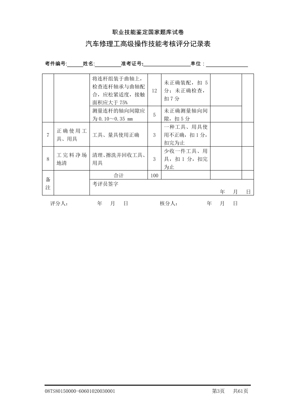
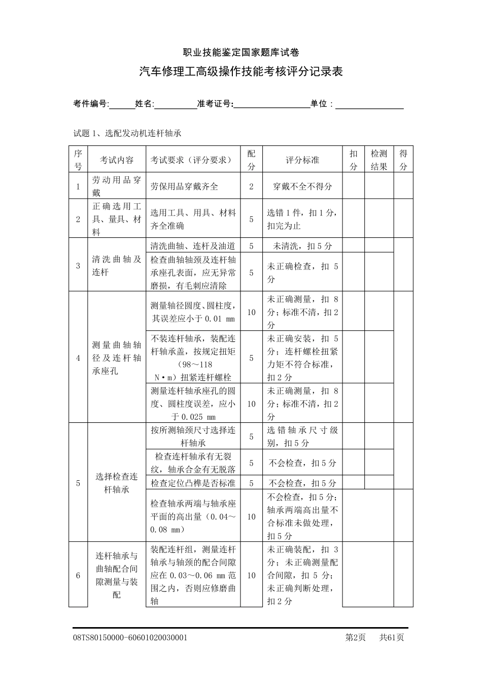
职 业技能鉴定国家题库试卷 汽车修理工高级操作技能考核评分记录表 考件编号: 姓名: 准考证号: 单位: 08TS80150000-60601020030001 第1页 共61页 序号 试题名称 配分 (权重) 得分 备注 1 选配发动机连杆轴承 2 2 自动变速器行星齿轮组检修 2 3 变速器总成的装配 2 4 检修制动阀总成 2 5 检修霍尔式点火系 2 6 差速器的检查与组装 2 7 自动变速箱液压泵的检修 2 8 变速器零件检修 2 9 检修发电机 2 10 电喷发动机氧传感器工作状况的检查 2 11 主减速器的检修 2 12 计算汽缸镗削量、选配活塞 2 13 柴油车喷油器的检查与调整 2 14 检修气门液压挺杆 2 15 在没有记号的情况下安装发动机正时齿轮 2 16 电喷发动机冷启动不良的检修 4 17 连杆轴承异响的诊断与排除 4 18 变速器轴承、齿轮异响的诊断 4 19 汽油发动机油、电路混合故障的排除 4 20 变速器跳挡故障的诊断 4 21 汽车轮胎异常磨损的判断和分析 4 22 汽车行驶跑偏的检修 4 23 柴油发动机排烟异常的诊断 4 24 曲轴主轴承异响的诊断与排除 4 25 发动机活塞敲缸响的判断分析 4 26 四轮定位仪的使用及数据分析 0 27 用 V.A.G1551 诊断测试仪读取 ABS 故障码 0 28 尾气检测仪的使用 0 职 业技能鉴定国家题库试卷 汽车修理工高级操作技能考核评分记录表 考件编号: 姓名: 准考证号: 单位: 08TS80150000-60601020030001 第2页 共61页 试题1、选配发动机连杆轴承 序号 考试内容 考试要求(评分要求) 配分 评分标准 扣分 检测 结果 得分 1 劳动用品穿戴 劳保用品穿戴齐全 2 穿戴不全不得分 2 正确选用工具、量具、材料 选用工具、用具、材料齐全准确 5 选错1 件,扣1 分,扣完为止 3 清洗曲轴及连杆 清洗曲轴、连杆及油道 5 未清洗,扣5 分 检查曲轴轴颈及连杆轴承座孔表面,应无异常磨损,有毛刺应清除 5 未正确检查,扣5分 4 测量曲轴轴径及连杆轴承座孔 测量轴径圆度、圆柱度,其误差应小于0.01 mm 10 未正确测量,扣8分;标准不清,扣2分 不装连杆轴承,装配连杆轴承盖,按规定扭矩(98~118 N·m)扭紧连杆螺栓 5 未正确安装,扣5分;连杆螺栓扭紧力矩不符合标准,扣2 分 测量连杆轴承座孔的圆度、圆柱度误差,应小于0.025 mm 10 未正确测量,扣8分;标准不清,扣2分 5 选择检查连杆轴承 按所测轴颈尺寸选择连杆轴承 5 选...

1、当您付费下载文档后,您只拥有了使用权限,并不意味着购买了版权,文档只能用于自身使用,不得用于其他商业用途(如 [转卖]进行直接盈利或[编辑后售卖]进行间接盈利)。
2、本站所有内容均由合作方或网友上传,本站不对文档的完整性、权威性及其观点立场正确性做任何保证或承诺!文档内容仅供研究参考,付费前请自行鉴别。
3、如文档内容存在违规,或者侵犯商业秘密、侵犯著作权等,请点击“违规举报”。

碎片内容

汽车修理工(高级)评分记录表

您可能关注的文档

确认删除?
VIP
微信客服
  • 扫码咨询
会员Q群
  • 会员专属群点击这里加入QQ群
客服邮箱
回到顶部