电脑桌面
添加小米粒文库到电脑桌面
安装后可以在桌面快捷访问

汽车动力试验VIP专享

汽车动力试验_第1页
1/15
汽车动力试验_第2页
2/15
汽车动力试验_第3页
3/15
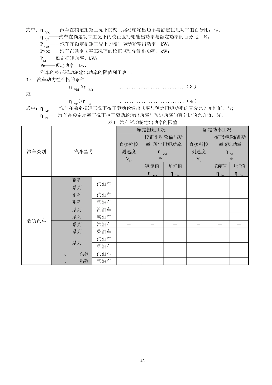
41 (测功机附录 E) 中华人民共和国国家标准 汽车动力性台架试验方法和评价指标 GB/T 18276-2000 1 范围 本标准规定了汽车动力性的台架试验方法和评价指标。 本标准的台架试验方法适用于在用汽车。 本标准的评价指标限值适用于表 1 所列在用国产汽车,其他在用车辆可参照执行。 2 定义 本标准采用下列定义。 2.1 实测有效功率 发动机在实际环境状态下所输出的功率。 2.2 校正有效功率 实测有效功率校正到标准环境状态下的功率。 2.3 总功率 发动机仅带维持本身正常运转所必须的附件时所输出的校正有效功率。 2.4 额定功率 标准环境状态下,制造厂根据发动机用途和特点,在规定的额定转速下所规定的总功率。 2.5 净功率 发动机带有本身实际工作所需全部附件时所输出的校正有效功率。 实测驱动轮输出功率 在实际环境状态下,底盘测功机测得的汽车驱动轮输出的功率,不含轮胎滚动阻力和底盘测功机传动系阻力所消耗的功率。 2.7 校正驱动轮输出功率 实测驱动轮输出功率校正到标准环境状态下的功率。 2.8 模拟惯量 底盘测功机为模拟汽车在非稳定工况下运行的阻力,按汽车质量匹配的当量惯量。 3 评价指标 3.1 检测参数 汽车动力性采用驱动轮输出功率作为检测参数。 驱动轮输出功率用底盘测功机检测。 3.2 评价指标 汽车动力性采用汽车发动机在额定扭矩(最大扭矩)和额定功率(最大功率)时的驱动轮输出功率作 为评价指标. 3.3 检测工况 检测工况采用汽车额定扭矩和额定功率的工况。即发动机全负荷与额定扭矩转速和额定功率转速 所对应的直接档(无直接档时指传动比最接近于 l 的档,下同)车速构成的工况。 3.4 限值 在 3.3 的检测工况下,采用校正驱动轮输出功率与相应的发动机输出总功率的百分比作为驱动轮 输出功率的限值。 η VM=PVMO/PM ………………… (1) η VP=Pv p o /Pe ………………… (2) 42 式中:η VM——汽车在额定扭矩工况下的校正驱动轮输出功率与额定扭矩功率的百分比,%; η VP——汽车在额定功率工况下的校正驱动轮输出功率与额定功率的百分比,%; PVMO——汽车在额定扭矩工况下的校正驱动轮输出功率,kW; Pvpo——汽车在额定功率工况下的校正驱动轮输出功率,kW; PM——额定扭矩功率,kW; Pe——额定功率,kw . 汽车的校正驱动轮输出功率的限值列于表 1。 3.5 汽车动力性合格的条件 η VM≥η Ma ................

1、当您付费下载文档后,您只拥有了使用权限,并不意味着购买了版权,文档只能用于自身使用,不得用于其他商业用途(如 [转卖]进行直接盈利或[编辑后售卖]进行间接盈利)。
2、本站所有内容均由合作方或网友上传,本站不对文档的完整性、权威性及其观点立场正确性做任何保证或承诺!文档内容仅供研究参考,付费前请自行鉴别。
3、如文档内容存在违规,或者侵犯商业秘密、侵犯著作权等,请点击“违规举报”。

碎片内容

汽车动力试验

确认删除?
VIP
微信客服
  • 扫码咨询
会员Q群
  • 会员专属群点击这里加入QQ群
客服邮箱
回到顶部