电脑桌面
添加小米粒文库到电脑桌面
安装后可以在桌面快捷访问

汽车吊性能全参数表

汽车吊性能全参数表_第1页
1/25
汽车吊性能全参数表_第2页
2/25
汽车吊性能全参数表_第3页
3/25
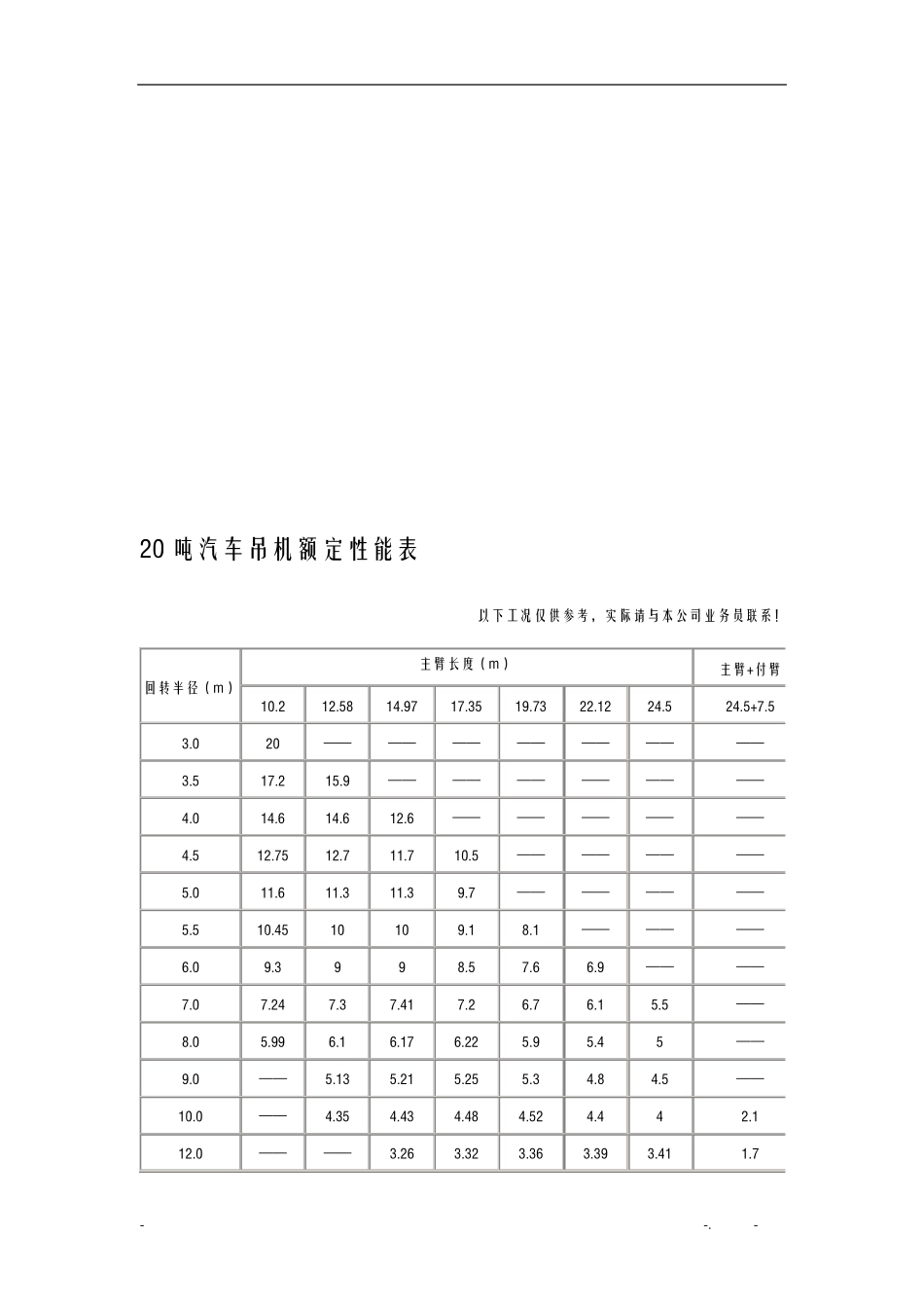
- -.- 8--500 吨汽车吊性能参数表 8 吨汽车起重机性能表2 20 吨汽车吊机额定性能表3 25 吨汽车起重机起重性能表(主臂)4 30 吨汽车起重机性能表(一)7 50 吨汽车起重机性能表(主表)9 80 吨汽车起重机起重性能表(一)11 100t 汽车吊性能表13 120 吨汽车起重机起重性能表15 150 吨汽车起重机性能表(一)16 150 吨汽车起重机性能表(二)17 160t 汽车吊性能表18 200 吨汽车吊车19 260 吨吊车性能表20 - -.- LTM1300/1-300t 全液压汽车吊机21 LTM1500-500t 全液压汽车吊机23 LTM1500-500t 全液压汽车吊机24 8 吨汽车起重机性能表 主要技术参数 6.95m 吊臂 8.50m 吊臂 10.15m 吊臂 11.70m 吊臂 参数名称 参数 工作 半径 (m) 起升 高度 (m) 起重量 (t) 工作 半径 (m) 起升 高度 (m) 起重量 (t) 工作 半径 (m) 起升 高度 (m) 起重量 (t) 工作 半径 (m) 起升高度 (m) 起重量 (t) 全车总重 15.50t 3.2 7.5 8.0 3.4 9.2 6.7 4.2 10.6 4.2 4.9 12.0 3.2 最大爬坡能力 22% 3.7 7.1 5.4 4.0 8.8 4.5 5.0 10.1 3.1 5.8 11.4 2.4 吊臂最大仰角 4.3 6.5 4.0 4.7 8.3 3.4 5.7 9.6 2.5 6.7 10.8 1.9 吊臂全伸时长度 11.70m 4.9 5.7 3.2 5.4 7.6 2.7 6.6 8.8 1.9 7.7 9.9 1.4 吊臂全缩时长度 6.95m 5.5 4.6 2.6 6.2 6.8 2.2 7.5 7.7 1.5 8.8 8.6 1.0 最大提升高度 12.00m 6.9 5.6 1.8 8.4 6.3 1.2 9.7 7.0 0.9 最小工作半径 3.20m 7.5 4.2 1.5 9.0 4.8 1.0 10.5 5.2 0.8 最小转弯半径 9.20m - -.- 20 吨汽车吊机额定性能表 以下工况仅供参考,实际请与本公司业务员联系! 回转半径(m) 主臂长度(m) 主臂+付臂 10.2 12.58 14.97 17.35 19.73 22.12 24.5 24.5+7.5 3.0 20 —— —— —— —— —— —— —— 3.5 17.2 15.9 —— —— —— —— —— —— 4.0 14.6 14.6 12.6 —— —— —— —— —— 4.5 12.75 12.7 11.7 10.5 —— —— —— —— 5.0 11.6 11.3 11.3 9.7 —— —— —— —— 5.5 10.45 10 10 9.1 8.1 —— —— —— 6.0 9.3 9 9 8.5 7.6 6.9 —— —— 7.0 7.24 7.3 7.41 7.2 6.7 6.1 5.5 —— 8.0 5.99 6.1 6.17 6.22 5.9 5.4 5 —— 9.0 —— 5.1...

1、当您付费下载文档后,您只拥有了使用权限,并不意味着购买了版权,文档只能用于自身使用,不得用于其他商业用途(如 [转卖]进行直接盈利或[编辑后售卖]进行间接盈利)。
2、本站所有内容均由合作方或网友上传,本站不对文档的完整性、权威性及其观点立场正确性做任何保证或承诺!文档内容仅供研究参考,付费前请自行鉴别。
3、如文档内容存在违规,或者侵犯商业秘密、侵犯著作权等,请点击“违规举报”。

碎片内容

汽车吊性能全参数表

确认删除?
VIP
微信客服
  • 扫码咨询
会员Q群
  • 会员专属群点击这里加入QQ群
客服邮箱
回到顶部