电脑桌面
添加小米粒文库到电脑桌面
安装后可以在桌面快捷访问

汽车吊架设T梁施工工艺

汽车吊架设T梁施工工艺_第1页
1/7
汽车吊架设T梁施工工艺_第2页
2/7
汽车吊架设T梁施工工艺_第3页
3/7
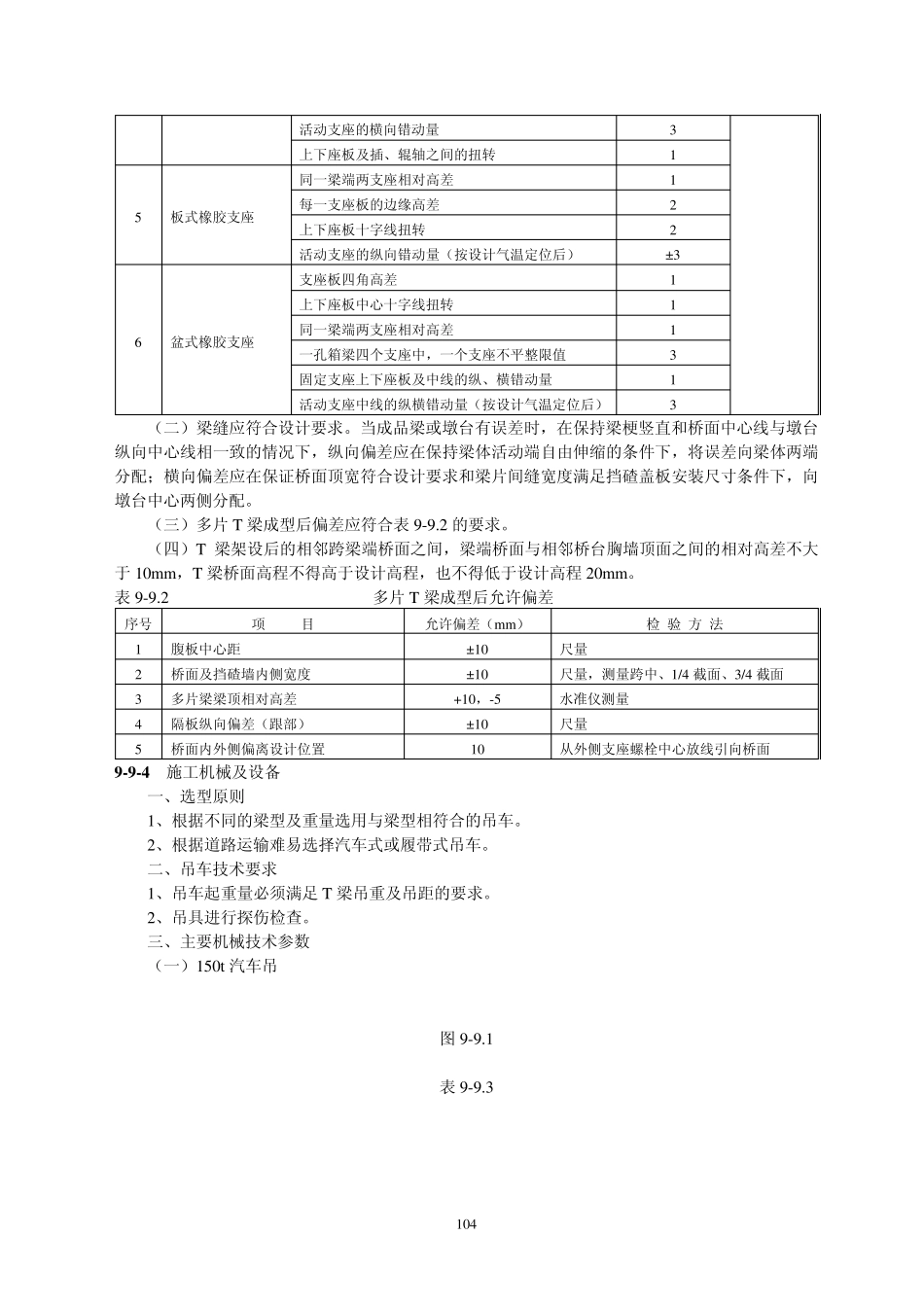
103 9-9 汽 车 吊架设 T 梁施工工艺 9-9-1 概述 本工艺适用于快速铁路施工中采取汽车吊、履带吊架设 16m 及以下的 T 型梁。 9-9-2 作业内容 吊车就位、T 梁架设、支座安装、横向联接、压力注浆。 9-9-3 质量标准及检验方法 一、工程材料质量标准及检验方法 (一)支座的检查 支座后应按铁道部颁布的有关客运专线铁路桥梁橡胶支座技术条件和有关规定对橡胶支座的规格型号、外形尺寸、外观质量、组装质量、上下座板螺栓孔距等进行检查并核对出厂合格证。 (二)T 梁的检查 1、检查出厂合格证,核对 T 梁的浇筑日期、静载试验报告等。 2、检查测量 T 梁的外形尺寸和外观质量应符合表 9-8.1 的要求。 3、检查桥梁长度、跨度及高度,做好 T 梁配对,同一跨梁配对时成梁时间差不超过 6 天。 (三)相关工程质量标准及检验方法 架梁前要核对具体墩台里程、支座中心线、支座垫石高程,竣工资料要符合验标要求。 二、主要工序质量控制 (一)吊梁时梁体要保持水平,横向倾斜不超过 2%,纵向水平不大于300mm。 (二)横移梁速度不大于0.3m/min。 (三)支座安装前要检查中心线、桥梁跨距、墩台垫石高度、平整度、支座十字线、预埋件和预埋件栓孔位置等应满足设计图纸要求。 (四)按铁路支座安装要求进行“压力注浆”,注浆压力不小于1.0MPa,按要求配制好砂浆,为保证灌注水泥浆能密贴支座下底板,采取压力注浆填实,注浆压力不小于1.0 MPa,压浆厚度不小于10mm,也不得大于30mm,弹性模量不小于30GPa。 (五)支座锚栓埋置深度和螺栓外露长度必须符合设计要求。 三、工程施工质量验收标准及检验方法 (一)支座安装后应符合表 9-9.1 规定。 表 9-9.1 支座安装允许偏差和检验方法 序号 项 目 允许偏差(mm) 检验方法 1 墩台纵向错动量 一般高度墩台 20 测量 高度 30m 以上墩台 15 2 墩台横向错动量 一般高度墩台 15 高度 30m 以上墩台 10 3 同端支座中心横向距离 偏差与桥梁设计中心对称时 +30,-10 偏差与桥梁设计中心不对称时 +15,-10 4 铸钢支座 下座板中心十字线扭转 下座板尺寸<2000mm 1 下座板尺寸≥2000mm 1‰ 边宽 固定支座十字线中心与全桥贯通测量后墩台中心线纵向偏差 连续梁或跨度60m以上简支梁 20 小于60m 简支梁 10 活动支座中心线的纵向错动量(按设计气温定位后) 3 固定支座上下座板中线的纵横错动量 3 支座底板四角相对高差 2...

1、当您付费下载文档后,您只拥有了使用权限,并不意味着购买了版权,文档只能用于自身使用,不得用于其他商业用途(如 [转卖]进行直接盈利或[编辑后售卖]进行间接盈利)。
2、本站所有内容均由合作方或网友上传,本站不对文档的完整性、权威性及其观点立场正确性做任何保证或承诺!文档内容仅供研究参考,付费前请自行鉴别。
3、如文档内容存在违规,或者侵犯商业秘密、侵犯著作权等,请点击“违规举报”。

碎片内容

汽车吊架设T梁施工工艺

确认删除?
VIP
微信客服
  • 扫码咨询
会员Q群
  • 会员专属群点击这里加入QQ群
客服邮箱
回到顶部