电脑桌面
添加小米粒文库到电脑桌面
安装后可以在桌面快捷访问

汽车坡道规范

汽车坡道规范_第1页
1/10
汽车坡道规范_第2页
2/10
汽车坡道规范_第3页
3/10
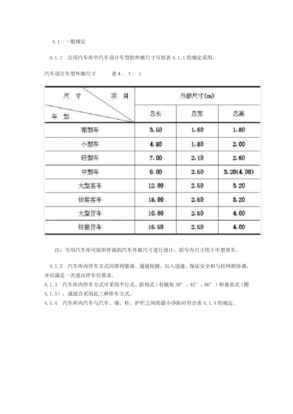
4.1 一般规定 4.1.1 公用汽车库中汽车设计车型的外廓尺寸可按表4.1.1 的规定采用。 汽车设计车型外廓尺寸 表4.1.1 注:专用汽车库可按所停放的汽车外廓尺寸进行设计。括号内尺寸用于中型货车。 4.1.2 汽车库内停车方式应排列紧凑、通道短捷、出入迅速、保证安全和与柱网相协调,并应满足一次进出停车位要求。 4.1.3 汽车库内停车方式可采用平行式、斜列式(有倾角30°、45°、60°)和垂直式(图4.1.3),或混合采用此三种停车方式。 4.1.4 汽车库内汽车与汽车、墙、柱、护栏之间的最小净距应符合表4.1.4 的规定。 图4.1.3 汽车停车方式 注:图中Wu——停车带宽度 Lg——汽车长度 We——垂直于通车道的停车位尺寸 Si——汽车间净距 Wd——通车道宽度 Qt——汽车倾斜角度 Lt——平行于通车道的停车位尺寸 汽车与汽车、墙、柱、护栏之间最小净距 表4.1.4 注:纵向指汽车长度方向、横向指汽车宽度方向,净距是指最近距离,当墙、柱外有突出物时,应从其凸出部分外缘算起。 4.5.1 汽车库内的通车道宽度可按下列公式计算,但应等于或大于3.0m。 4.1.5.1 前进停车、后退开出停车方式(图4.1.5-1)。 式中Wd——通车道宽度 S——出入口处与邻车的安全距离可取 300mm Z——行驶车与车或墙的安全距离可取 500~1000mm Re——汽车回转中心至汽车后外角的水平距离 C——车与车的间距 r——汽车环行内半径 a——汽车长度 b——汽车宽度 e——汽车后悬尺寸 R——汽车环行外半径 a——汽车停车角 图4.1.5-1 前进停车平面 注:本公式适用于停车倾角60°~90°,45°及 45°以下可用作图法 4.1.5.2 后退停车、前进开出停车方式(图4.1.5-2) 图4.1.5-2 后退停车平面 4.1.5.3 各车型的建筑设计中最小停车带、停车位、通车道宽度宜按表 4.1.5 采用。 各车型建筑设计最小停车带、停车位、通车道宽度 表 4.1.5 4.1.6 汽车库内坡道可采用直线型、曲线型。可以采用单车道或双车道,其最小净宽应符合表 4.1.6 的规定。严禁将宽的单车道兼作双车道。 坡道最小宽度表4.1.6 坡道型式 计算宽度(m) 最小宽度(m) 微型、小型车 中型、大型、绞接车 直线单行 单车宽+0.8 3.0 3.5 直线双行 直线双行 5.5 7.0 曲线单行 单车宽+1.0 3.8 5.0 曲线双行 双车宽+2.2 7.0 10.0 注:此宽度不包括道牙及其他分隔带宽度。 4.1.7 汽车库内通车道的最大纵向坡度应...

1、当您付费下载文档后,您只拥有了使用权限,并不意味着购买了版权,文档只能用于自身使用,不得用于其他商业用途(如 [转卖]进行直接盈利或[编辑后售卖]进行间接盈利)。
2、本站所有内容均由合作方或网友上传,本站不对文档的完整性、权威性及其观点立场正确性做任何保证或承诺!文档内容仅供研究参考,付费前请自行鉴别。
3、如文档内容存在违规,或者侵犯商业秘密、侵犯著作权等,请点击“违规举报”。

碎片内容

汽车坡道规范

您可能关注的文档

确认删除?
VIP
微信客服
  • 扫码咨询
会员Q群
  • 会员专属群点击这里加入QQ群
客服邮箱
回到顶部