电脑桌面
添加小米粒文库到电脑桌面
安装后可以在桌面快捷访问

汽轮机安装表格

汽轮机安装表格_第1页
1/33
汽轮机安装表格_第2页
2/33
汽轮机安装表格_第3页
3/33
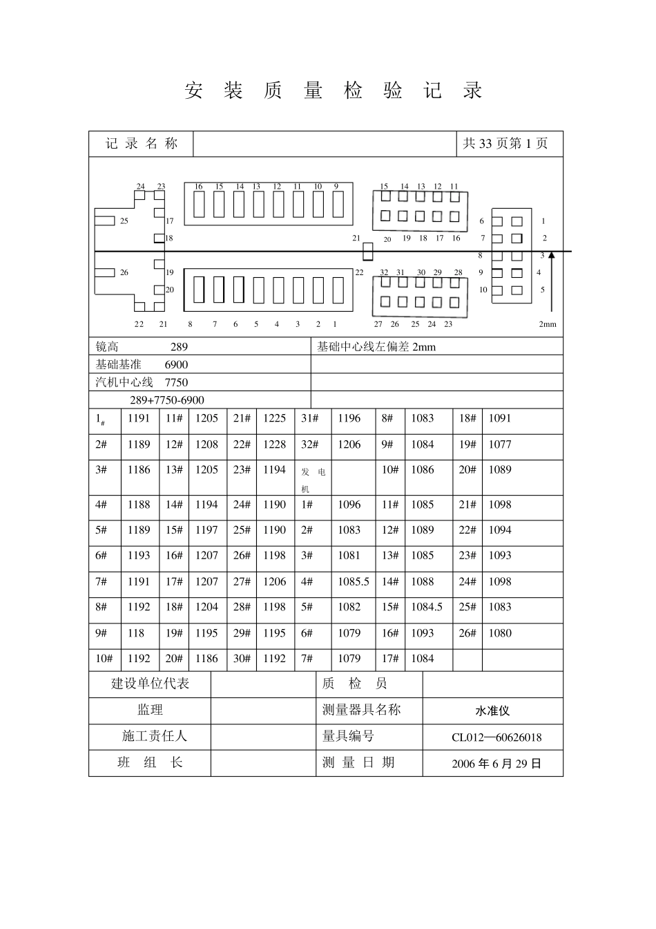
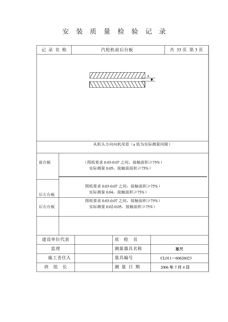
安 装 质 量 检 验 记 录 记 录 名 称 共33 页第1 页 24 23 16 15 14 13 12 11 10 9 15 14 13 12 11 25 17 6 1 18 21 20 19 18 17 16 7 2 8 3 26 19 22 32 31 30 29 28 9 4 20 10 5 22 21 8 7 6 5 4 3 2 1 27 26 25 24 23 2m m 镜高 289 基础中心线左偏差 2m m 基础基准 6900 汽机中心线 7750 289+7750-6900 1# 1191 11# 1205 21# 1225 31# 1196 8# 1083 18# 1091 2# 1189 12# 1208 22# 1228 32# 1206 9# 1084 19# 1077 3# 1186 13# 1205 23# 1194 发电机 10# 1086 20# 1089 4# 1188 14# 1194 24# 1190 1# 1096 11# 1085 21# 1098 5# 1189 15# 1197 25# 1190 2# 1083 12# 1089 22# 1094 6# 1193 16# 1207 26# 1198 3# 1081 13# 1085 23# 1093 7# 1191 17# 1207 27# 1206 4# 1085.5 14# 1088 24# 1098 8# 1192 18# 1204 28# 1198 5# 1082 15# 1084.5 25# 1083 9# 118 19# 1195 29# 1195 6# 1079 16# 1093 26# 1080 10# 1192 20# 1186 30# 1192 7# 1079 17# 1084 建设单位代表 质 检 员 监理 测量器具名称 水准仪 施工责任人 量具编号 CL012—60626018 班 组 长 测 量 日 期 2006 年 6 月 29 日 安 装 质 量 检 验 记 录 记 录 名 称 2 # 汽轮机煤油渗漏实验 共 3 3 页第 2 页 检验位置 测量时间 检验标准 检验结果 气轮机前轴承箱 7 2 小时 无渗油漏油现象 经检查,无渗油漏油现象 气轮机后轴承箱 7 2 小时 无渗油漏油现象 经检查,无渗油漏油现象 发电机后轴承座 2 4 小时 无渗油漏油现象 煤油高度不低于轴承洼窝最低处 经检查,无渗油漏油现象 建设单位代表 质 检 员 监理 测量器具名称 煤油 施工责任人 量具编号 班 组 长 测 量 日 期 2 0 0 6 年 7 月 2 日 安 装 质 量 检 验 记 录 记 录 名 称 汽轮机前后台板 共 33 页 第3 页 a 从机头方向向机尾看(a值为实际测量间隙) 前台板 (图纸要求0.03-0.07 之间,接触面积≥75%) 实际测量0.05,接触面面积≥75%) 图纸要求0.03-0.07 之间,接触面积≥75%) 实际测量0.04,接触面积≥75%) 后左台板 后右台板 图纸要求0.03-0.07 之间,接触面积≥75%...

1、当您付费下载文档后,您只拥有了使用权限,并不意味着购买了版权,文档只能用于自身使用,不得用于其他商业用途(如 [转卖]进行直接盈利或[编辑后售卖]进行间接盈利)。
2、本站所有内容均由合作方或网友上传,本站不对文档的完整性、权威性及其观点立场正确性做任何保证或承诺!文档内容仅供研究参考,付费前请自行鉴别。
3、如文档内容存在违规,或者侵犯商业秘密、侵犯著作权等,请点击“违规举报”。

碎片内容

汽轮机安装表格

小辰6+ 关注
实名认证
内容提供者

出售各种资料和文档

相关文档

确认删除?
VIP
微信客服
  • 扫码咨询
会员Q群
  • 会员专属群点击这里加入QQ群
客服邮箱
回到顶部