电脑桌面
添加小米粒文库到电脑桌面
安装后可以在桌面快捷访问

沟槽开挖单元工程质量评定表(半固定式)

沟槽开挖单元工程质量评定表(半固定式)_第1页
1/56
沟槽开挖单元工程质量评定表(半固定式)_第2页
2/56
沟槽开挖单元工程质量评定表(半固定式)_第3页
3/56
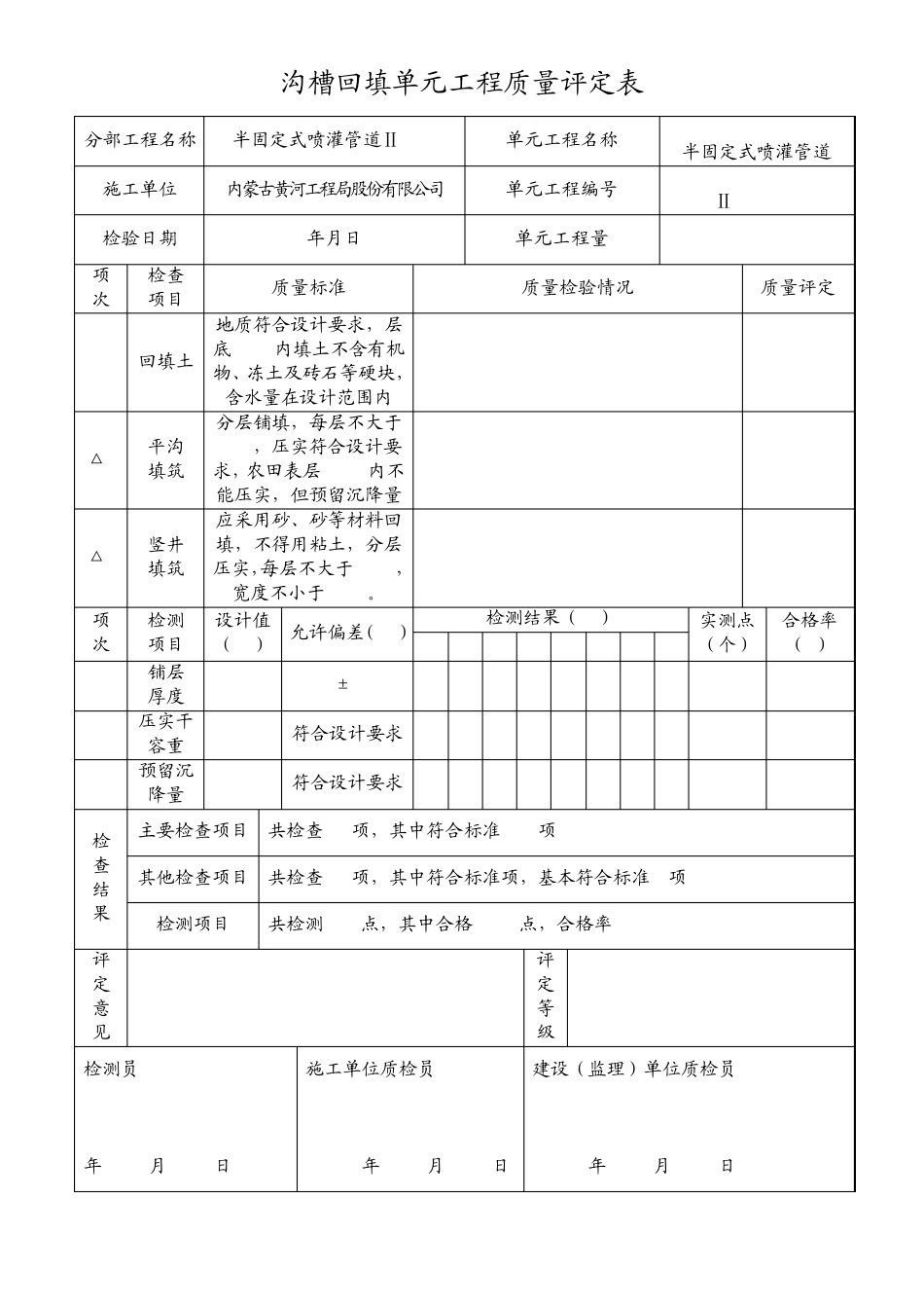
沟槽开挖单元工程质量评定表 单位工程名称 管道工程Ⅱ-3 单元工程量 分部工程名称 半固定式喷灌管道Ⅱ-3-2 检验日期 年月日 单元工程名称、部位 半固定式喷灌管道Ⅱ-3-2-01 核定日期 年月日 项次 检查 项目 质量标准 检验记录 评定 1 槽基清理或处理 地质符合设计要求。建基面内无洞穴、树根、乱石及其它建筑、杂物、洞穴已按要求处理 2 沟槽边坡 边坡表面平顺,无显著凹凸,稳定,无松土 3 弃土位置及高度 符合设计要求 项次 检测 项目 设计值 允许偏差值 实测值 检测总数 合格点数 合格率(%) 1 2 3 4 5 6 7 8 9 10 1 沟槽深度 180cm ±5 2 沟槽底宽 60cm -5 3 中心桩 位置 ±5 4 沟槽上口宽 100cm -5 共检测 点,其中合格 点,合格率 % 施工单位自评意见 质量等级 项目法人(监理单位) 复核意见 核定质量等级 检查项目全部符合质量标准,检测项目合格率 %。 施工单位 内蒙古黄河工程局股份有限公司 项目法人 (监理单位) 名称 呼和浩特市鸿建工程咨询有限责任公司 测量员 初检负责人 终检负责人 年月日 年月日 年月日 核定人 年月日 沟槽回填单元工程质量评定表 分部工程名称 半固定式喷灌管道Ⅱ-3-2 单元工程名称 半固定式喷灌管道 施工单位 内蒙古黄河工程局股份有限公司 单元工程编号 Ⅱ-3-2-02 检验日期 年月日 单元工程量 项次 检查 项目 质量标准 质量检验情况 质量评定 1 回填土 地质符合设计要求,层底50cm内填土不含有机物、冻土及砖石等硬块,含水量在设计范围内 △2 平沟 填筑 分层铺填,每层不大于25cm,压实符合设计要求,农田表层50cm内不能压实,但预留沉降量 △3 竖井 填筑 应采用砂、砂等材料回填,不得用粘土,分层压实,每层不大于25cm,宽度不小于40cm。 项次 检测 项目 设计值(cm) 允许偏差(cm) 检测结果(cm) 实测点(个) 合格率(%) 1 2 3 4 5 6 7 8 1 铺层 厚度 25 ±5 2 压实干容重 符合设计要求 3 预留沉降量 符合设计要求 检查结果 主要检查项目 共检查 项,其中符合标准 项 其他检查项目 共检查 项,其中符合标准项,基本符合标准 项 检测项目 共检测 点,其中合格 点,合格率 % 评定意见 评定等级 检测员 年 月 日 施工单位质检员 年 月 日 建设(监理)单位质检员 年 月 日 沟槽开挖单元工程质量评定表 单位工程名称...

1、当您付费下载文档后,您只拥有了使用权限,并不意味着购买了版权,文档只能用于自身使用,不得用于其他商业用途(如 [转卖]进行直接盈利或[编辑后售卖]进行间接盈利)。
2、本站所有内容均由合作方或网友上传,本站不对文档的完整性、权威性及其观点立场正确性做任何保证或承诺!文档内容仅供研究参考,付费前请自行鉴别。
3、如文档内容存在违规,或者侵犯商业秘密、侵犯著作权等,请点击“违规举报”。

碎片内容

沟槽开挖单元工程质量评定表(半固定式)

确认删除?
VIP
微信客服
  • 扫码咨询
会员Q群
  • 会员专属群点击这里加入QQ群
客服邮箱
回到顶部