电脑桌面
添加小米粒文库到电脑桌面
安装后可以在桌面快捷访问

2025年房建全套施工过程资料

2025年房建全套施工过程资料_第1页
1/205
2025年房建全套施工过程资料_第2页
2/205
2025年房建全套施工过程资料_第3页
3/205
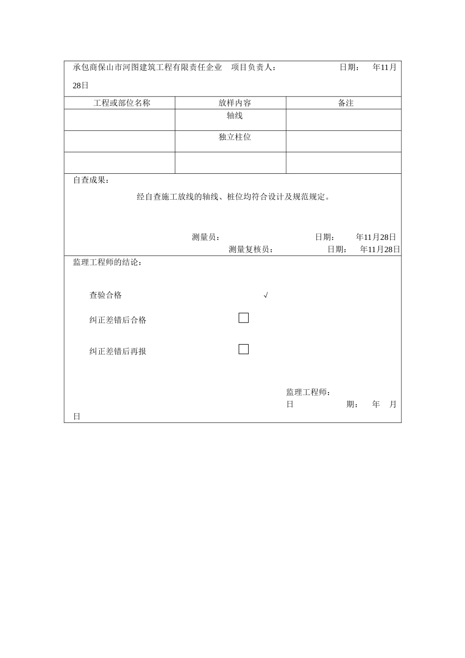
工 程 动 工 / 复 工 报 审 表 工 程 名 称 : 贡 山 县 丙 中 洛 镇 双 拉 村 委 会 零 星 工程 编 号 : 致 : 云 南 世 博 建 设 监 理 有 限 责 任 企 业我 方 承 担 的 贡 山 县 丙 中 洛 镇 双 拉 村 委 会 零 星 工 程 , 已 完 毕 了 如 下 各 项 工 作 , 具 有 了动 工 / 复 工 条 件 , 特 此 申 请 施 工 , 请 核 查 并 签发 动 工 / 复 工 指 令 。附 : 1 、 动 工 汇 报2 、 ( 证 明 文 献 )承 包 单 位 ( 章 ) 项目经理 姜 光 普 日 期 月 日 审 查 意 见 : 同 意 动 工 。 项 目 监 理 机 构 总 监 理 工 程 师 日 期 建设工程动工汇报施工单位 云南宏仁建筑工程有限企业汇报日期11 月 26 日动工日期 11 月25日计划竣工日期2 月 25 日工程名称 贡山县丙中洛镇双拉村委会零星工程构造类型框架构造 建设单位 贡山县丙中洛镇人民政府建筑面积104.32 ㎡ 建设地点 贡山县丙中洛镇双拉村委会院内工程造价 24 万元 设计单位 贡山县设计室建设单位联络人 项目经理 姜 光 普技术负责人 付刚阐明:1 、施工现场三通一平已完毕2 、施工组织设计已编制3 、临时设施已完善4 、机械设备已进场,劳动力组织已到位5 、建筑材料已按计划进场6 、施工图已审查7 、施工现场质量管理制度已制定建设单位签章 年 月 日监理单位签章 年 月 日施工单位签章 年11 月26日施 工 测 量 放 线 报 验 单工程名称: 贡 山 县 丙 中 洛 镇 双 拉 村 委 会 零 星 工 程 编号:致监理单位:云 南 世 博 建 设 监 理 有 限 责 任 企 业 根据协议规定,我们已完毕 贡山县丙中洛镇双拉村委会零星工程 的施工放样工作,清单如下,请予查验。附件:测量放样资料承包商保山市河图建筑工程有限责任企业 项目负责人: 日期: 年11月28日工程或部位名称放样内容备注 轴线 独立柱位自查成果: 经自查施工放线的轴线、桩位均符合设计及规范规定。测量员: 日期: 年11月28日测量复核员: 日期: 年11月28日监理工程师的结论:查验合格 √纠正差错后合格 □纠正差错后再报 □ 监理工程师: 日 期: 年 月 日施工组织设计(方案)报审表工程名称: 贡山县丙中洛镇双拉村委会零星工程 A-2致:...

1、当您付费下载文档后,您只拥有了使用权限,并不意味着购买了版权,文档只能用于自身使用,不得用于其他商业用途(如 [转卖]进行直接盈利或[编辑后售卖]进行间接盈利)。
2、本站所有内容均由合作方或网友上传,本站不对文档的完整性、权威性及其观点立场正确性做任何保证或承诺!文档内容仅供研究参考,付费前请自行鉴别。
3、如文档内容存在违规,或者侵犯商业秘密、侵犯著作权等,请点击“违规举报”。

碎片内容

2025年房建全套施工过程资料

静心书店+ 关注
实名认证
内容提供者

专注于各类考试试卷和真题。

确认删除?
VIP
微信客服
  • 扫码咨询
会员Q群
  • 会员专属群点击这里加入QQ群
客服邮箱
回到顶部