电脑桌面
添加小米粒文库到电脑桌面
安装后可以在桌面快捷访问

2025年房建全套施工过程资料

2025年房建全套施工过程资料_第1页
1/747
2025年房建全套施工过程资料_第2页
2/747
2025年房建全套施工过程资料_第3页
3/747
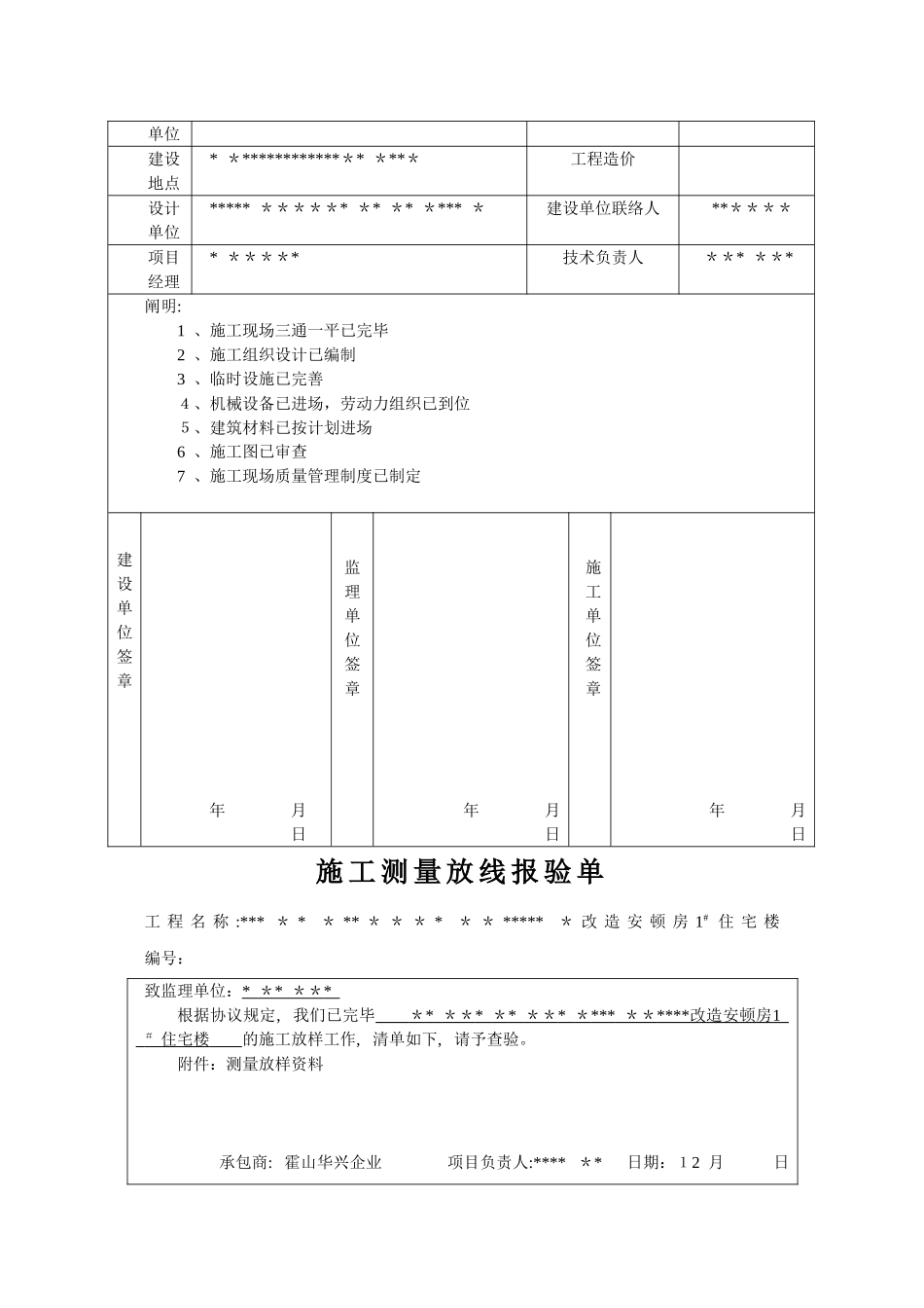
工 程 动 工 / 复 工 报 审 表工 程 名 称 :** * * **** * * * * ****** 改 造 安 顿 房 1#住 宅 楼 编 号 :致 : * * * ***我 方 承 担 的 ** * * * **** * ***** * ** 改 造 安 顿 房 1 # 住 宅 楼 工 程 , 已 完 毕 了 如 下 各 项工作, 具有了动工/ 复工条件, 特此申请施工,请 核 查 并 签 发 动 工 / 复 工 指 令 。附 : 1 、 动 工 汇 报2 、 ( 证 明 文 献 )承 包 单 位 ( 章 ) 项目经理 * * * * * * 日 期 2 010 。 12 审 查 意 见 : 项 目 监 理 机 构 总 监 理 工 程 师 日 期 建 设 工 程 动 工 汇 报施工单位******* ** *** *** *****企业汇报日期动工日期2010年1 2月 日计划竣工日期工程名称*** ** ******* ******** 改造安顿房1# 住宅楼构造类型框架建设* ****** **** **** *****建筑面积345 1。8m2单位建设地点* *************** ****工程造价设计单位***** ****** ** ** **** *建设单位联络人******项目经理* *****技术负责人*** ***阐明:1 、施工现场三通一平已完毕2 、施工组织设计已编制3 、临时设施已完善4、机械设备已进场,劳动力组织已到位5、建筑材料已按计划进场6 、施工图已审查7 、施工现场质量管理制度已制定建设单位签章 年 月 日监理单位签章年 月 日施工单位签章年 月 日施 工 测 量 放 线 报 验 单工 程 名 称 :*** * ** ** * * * ** * ****** 改 造 安 顿 房 1# 住 宅 楼 编号:致监理单位:* * * ** * 根据协议规定, 我们已完毕 * * ** * * * ** * * *** ** **** 改造安顿房 1 # 住宅楼 的施工放样工作, 清单如下, 请予查验。附件:测量放样资料承包商: 霍山华兴企业 项目负责人:**** ** 日期:12 月 日工程或部位名称放样内容备注~ 轴/~ 轴轴线~ 轴/~ 轴桩位自查成果: 经自查施工放线的轴线、桩位均符合设计及规范规定.测 量 员 :* * **** 日 期 : 2 012 月 日测量复核员:****** 日期:2 010 年12 月 日监理工程师的结论:查验合格 □纠正差错后合格 □纠正差错后再报 □ 监理工程师: 日 期:本表一式...

1、当您付费下载文档后,您只拥有了使用权限,并不意味着购买了版权,文档只能用于自身使用,不得用于其他商业用途(如 [转卖]进行直接盈利或[编辑后售卖]进行间接盈利)。
2、本站所有内容均由合作方或网友上传,本站不对文档的完整性、权威性及其观点立场正确性做任何保证或承诺!文档内容仅供研究参考,付费前请自行鉴别。
3、如文档内容存在违规,或者侵犯商业秘密、侵犯著作权等,请点击“违规举报”。

碎片内容

2025年房建全套施工过程资料

卷上珠帘+ 关注
实名认证
内容提供者

该用户很懒,什么也没介绍

确认删除?
VIP
微信客服
  • 扫码咨询
会员Q群
  • 会员专属群点击这里加入QQ群
客服邮箱
回到顶部