电脑桌面
添加小米粒文库到电脑桌面
安装后可以在桌面快捷访问

【施工工艺】室内给水、排水管道节点图做法大全(节点图解)要点

【施工工艺】室内给水、排水管道节点图做法大全(节点图解)要点_第1页
1/17
【施工工艺】室内给水、排水管道节点图做法大全(节点图解)要点_第2页
2/17
【施工工艺】室内给水、排水管道节点图做法大全(节点图解)要点_第3页
3/17
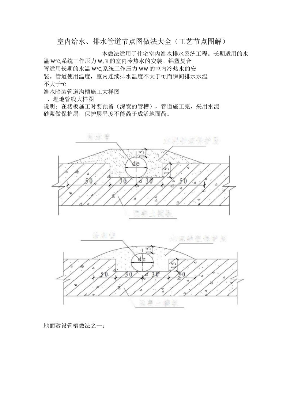
\混凝土楼獄\混凝土楼板给水水给水管水泥砂浆探护层地面敷设标准做法之二:室内给水、排水管道节点图做法大全(工艺节点图解)本做法适用于住宅室内给水排水系统工程。长期适用的水温 W°C,系统工作压力 W,W 的室内冷热水的安装。铝塑复合管适用长期的水温 W°C,系统工作压力 WW 的室内冷热水的安装。管道使用温度,室内连续排水温度不大于°C,而瞬间排水水温不大于°C。给水暗装管道沟槽施工大样图、埋地管线大样图说明:在楼板施工时要预留(深宽的管槽),管道施工完,采用水泥砂浆做保护层,保护层咼度不能咼于成活地面咼。地面敷设管槽做法之一:5单管嵌做法水泥砂貳恳\混凝土楼板、嵌墙内管道施工大样图说明:管道嵌在卫生间、厨房墙内的管道,深和宽按照本图要求,但是表面不包括装饰层厚度;管道安装完,用水泥砂浆土填充。如果材料为管,表面抹灰层内设钢丝网,钢丝网规格为。Q水g砂浆层钢丝网混凝土墙O0双管嵌墙做法管道支架自由臂安装大样图本图为管道自由臂安装标准n 療甘幣d「202&32■it}5Q63Fa9CiHO■/Ls2502fi0360-1001&0500550&&0L1650BOO95C11 阳1250MOD1500E6001900*La4104C05&Psso€5071&S50L15006CO7&0逊90&10401100i20D1500性匸 1.冲木甘心"取址 ME.Alglka251CI*ttAtftUfiSaTC2.昨木 hit 件代罐为「巧,再水誓计费&岐为工 fW-给水管道穿越楼板及墙大样图、管道楼面套管。管、铝塑复合管管道穿楼板距地面设固定支架,钢管支架按照规范执行;将套管内壁清理干净,填料选用发泡聚乙烯或聚氨酯等材料,封堵前将套管内壁清理干净。厨房、卫生间套管高出地面。穿楼板套管尺寸表so采暧育DM—■E7楼粥套骨DNDN(iiiin)15202532403080100125養管公称命DN1tiimi)25324C50507080100125150、钢管、、铝塑复合管穿墙套管说明:管道穿墙套管表面用砂纸打毛,穿墙套管可采用或钢管,穿越地下室外墙必须用钢套管;柔性填料选用聚氨酯发泡、油麻或石棉绳防 7K 胶派M15 防水水泥砂防水薮环穿地下室墻体砂垫层 ’ ^>=100柔性填穿内墙给水管线穿越基础施工大样图柔性填料可选用聚氨酯发泡材料,括号内的用于外保温管道2LII砂蟲展 / M>=100穿给水管道穿越沉降缝抗震缝、伸缩缝大样图说明:管道穿墙外表面应砂纸打毛,弯管两侧必须设固定支架,安装完要用柔性填料封堵。钢龚PP-R 管给水管道穿越外墙的标准做法说明:管道从室内地面保护层通过墙内返到拐到外墙墙内,再返到室外地面保护层内,施工完后,内外墙用水泥砂浆抹平。”...

1、当您付费下载文档后,您只拥有了使用权限,并不意味着购买了版权,文档只能用于自身使用,不得用于其他商业用途(如 [转卖]进行直接盈利或[编辑后售卖]进行间接盈利)。
2、本站所有内容均由合作方或网友上传,本站不对文档的完整性、权威性及其观点立场正确性做任何保证或承诺!文档内容仅供研究参考,付费前请自行鉴别。
3、如文档内容存在违规,或者侵犯商业秘密、侵犯著作权等,请点击“违规举报”。

碎片内容

【施工工艺】室内给水、排水管道节点图做法大全(节点图解)要点

您可能关注的文档

确认删除?
VIP
微信客服
  • 扫码咨询
会员Q群
  • 会员专属群点击这里加入QQ群
客服邮箱
回到顶部