电脑桌面
添加小米粒文库到电脑桌面
安装后可以在桌面快捷访问

QC七手法及术语(品质统计手法)最全.

QC七手法及术语(品质统计手法)最全._第1页
1/31
QC七手法及术语(品质统计手法)最全._第2页
2/31
QC七手法及术语(品质统计手法)最全._第3页
3/31
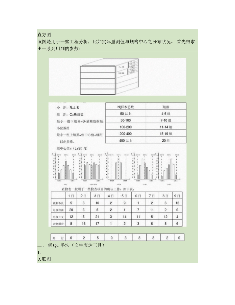
品质统计手法培训品质控制(Quality control)—是指满足客户使用需求之系列活动及服务。在工业发展的初期,品质控制的唯一方法,就是仅仅将瑕疵(不良品)剔除,此种方式之弊端在于:①重工所浪费之无效工时;②不良品之根源没有得以有效控制而导致同样问题再次发生,进而提高了制造成本。随着工业的不断发展,及市场状况之频繁变化,管理人员要想了解品质状况必须从一大堆数据里慢慢总结、反复比较,才能大概掌握。当今之企业管理讲究快速对策,生产线在飞速运转,耽误一分钟时间,可能已经造成巨大损失,管—理人员面临两个选择停止生产或继续生产,怠工会浪费无效工时,但如果继续生产可能损失更大,到底如何决策,依据什么决策?当然,首先得了解现状,如果没有一种形象的表达工具,恐怕难以应付。进而慢慢便有品质统计的诞生,即,将生产中的一些问题整理成用线条、图案表示,这样一来,管理者要想了解目前的品质状况,只需一看图表便一目了然,管理人员便可快速、准确判断实施什么对策。对于品质统计之由来在此不在赘述,下面着重将一些工业制造中常用的统计手法作以阐述: 一、 QC 七大手法(数据表达工具)1 、 柏拉图:该图表之主要功能在于,将多个问题对象分析出重点,在众多品质问题中,大至可分为两大类:a—、倾向性问题即,由于错用物料或机器不稳定引起的数量较多之不良;b—、偶然性问题即,由于操作人员一时疏忽造成之个别不良。如果两种问题同时出现,应先解决哪个呢,当然是第一个,怎么才能判断,柏拉图可以很明确的告诉你。50959085 7840 623042 2010打翻移位假焊短路立起浮起不良数(PCS)1008642 其它(注:①、如上图,将问题点按其数量从大到小顺序,列入图表 X 座标。②、将累计不良率从小到大,不良数从大到小对映 Y 座标刻度用线条画入图 表,如图,用虚线标出前三项重大问题,使其更加醒目。) 累计不良率 1005 、 层别法层别法主要表达一些层次结构,是七大手法中最基本的一种,比如说公司的结 构。 6、直方图 该图是用于一些工程分析,比如实际量测值与规格中心之分布状况。 首先得求出一系列用到的参数: 二、 新 QC 手法(文字表达工具)1、关联图该图是用于分析一些因素与因素之间制约关系比较繁杂的问题,让管理者在错综复杂的2、3、箭头图箭头图主要用于一些日程安排工作,以便使得各项工作进度清晰明暸,以及实 施时间: 其它,如系统图、点阵分析图、PDPC 等不太常用,在此不再...

1、当您付费下载文档后,您只拥有了使用权限,并不意味着购买了版权,文档只能用于自身使用,不得用于其他商业用途(如 [转卖]进行直接盈利或[编辑后售卖]进行间接盈利)。
2、本站所有内容均由合作方或网友上传,本站不对文档的完整性、权威性及其观点立场正确性做任何保证或承诺!文档内容仅供研究参考,付费前请自行鉴别。
3、如文档内容存在违规,或者侵犯商业秘密、侵犯著作权等,请点击“违规举报”。

碎片内容

QC七手法及术语(品质统计手法)最全.

您可能关注的文档

确认删除?
VIP
微信客服
  • 扫码咨询
会员Q群
  • 会员专属群点击这里加入QQ群
客服邮箱
回到顶部