电脑桌面
添加小米粒文库到电脑桌面
安装后可以在桌面快捷访问

2025年电大机械制造基础形成性考核册作业1答案

2025年电大机械制造基础形成性考核册作业1答案_第1页
1/6
2025年电大机械制造基础形成性考核册作业1答案_第2页
2/6
2025年电大机械制造基础形成性考核册作业1答案_第3页
3/6
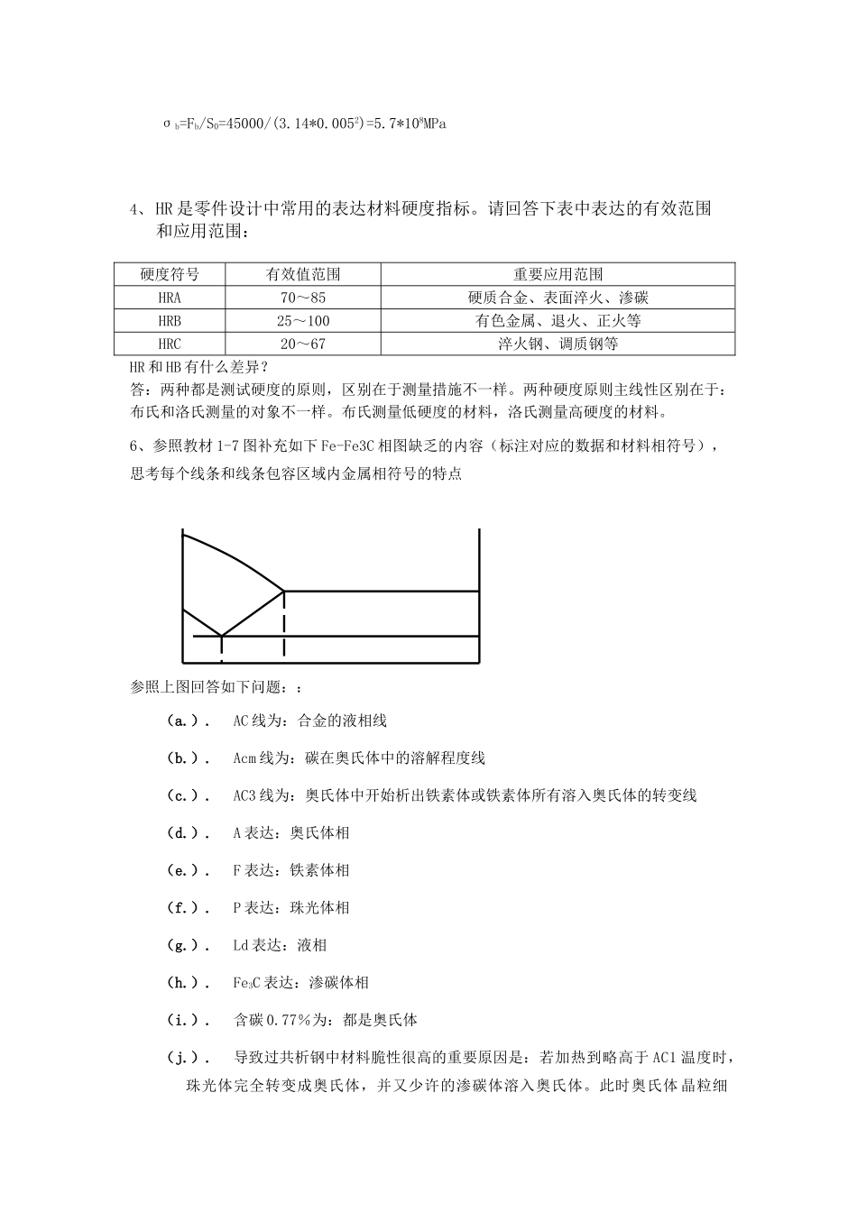
电大机械制造基础形成性考核册作业 1 答案1、常用的工程材料可以用教材第一页的表格表达,请完毕工程材料的分类表:答:1、 人们在描述金属材料力学性能重要指标时,常常使用如下术语,请填写其使用的符号和内涵:(a)强度:金属材料在外载荷的作用下抵御塑性变形和断裂的能力。强度有屈服强度 σs 和抗拉强度 σb。(b)塑性:金属材料在外载荷作用下产生断裂前所能承受最大塑性变形的能力。(c)强度:是指金属材料抵御比它更硬的物体压入其表面的能力。硬度有布氏硬度HBS 和洛氏硬度 HR。(d)冲击韧性:金属抵御冲击载荷作用而不被破坏的能力。(e)疲劳强度:金属材料经受无多次交变载荷作用而不引起断裂的最大应力值。2、 参照教材图 1—2 填写材料拉伸曲线中的对应特征值点的符号,并描述对应的含义。(a)横坐标表达:试件的变形量 ΔL(b)纵坐标表达:载荷 F(c)S 点:屈服点(d)b 点:颈缩点(e)k 点:拉断点(f)屈服点后来出现的规律:试样的伸长率又随载荷的增长而增大,此时试样已产生较大的塑性变形,材料的抗拉强度明显增长。3、 一根原则试样的直径为 10mm、标距长度为 50mm。拉伸试验时测出试样在 26kN 时屈服,出现的最大载荷为 45 kN。拉断后的标距长度为 58mm,断口处直径为 7.75mm。试计算试样的 σ0.2、σb。答:σ0.2=F0.2/S0=26000/(3.14*0.0052)=3.3*108MPa非金属材料复合材料黑色金属有色金属金属材料铸铁碳钢合金钢高分子材料陶瓷材料橡胶塑料合成纤维工程材料σb=Fb/S0=45000/(3.14*0.0052)=5.7*108MPa4、 HR 是零件设计中常用的表达材料硬度指标。请回答下表中表达的有效范围和应用范围:硬度符号有效值范围重要应用范围HRA70~85硬质合金、表面淬火、渗碳HRB25~100有色金属、退火、正火等HRC20~67淬火钢、调质钢等HR 和 HB 有什么差异?答:两种都是测试硬度的原则,区别在于测量措施不一样。两种硬度原则主线性区别在于:布氏和洛氏测量的对象不一样。布氏测量低硬度的材料,洛氏测量高硬度的材料。 6、参照教材 1-7 图补充如下 Fe-Fe3C 相图缺乏的内容(标注对应的数据和材料相符号),思考每个线条和线条包容区域内金属相符号的特点参照上图回答如下问题::(a.).AC 线为:合金的液相线(b.).Acm 线为:碳在奥氏体中的溶解程度线(c.).AC3 线为:奥氏体中开始析出铁素体或铁素体所有溶入奥氏体的转变线(d.).A 表达:奥氏体相(e.).F 表达:铁素体相(f....

1、当您付费下载文档后,您只拥有了使用权限,并不意味着购买了版权,文档只能用于自身使用,不得用于其他商业用途(如 [转卖]进行直接盈利或[编辑后售卖]进行间接盈利)。
2、本站所有内容均由合作方或网友上传,本站不对文档的完整性、权威性及其观点立场正确性做任何保证或承诺!文档内容仅供研究参考,付费前请自行鉴别。
3、如文档内容存在违规,或者侵犯商业秘密、侵犯著作权等,请点击“违规举报”。

碎片内容

2025年电大机械制造基础形成性考核册作业1答案

山水人家+ 关注
实名认证
内容提供者

读万卷书,行万里路。

确认删除?
VIP
微信客服
  • 扫码咨询
会员Q群
  • 会员专属群点击这里加入QQ群
客服邮箱
回到顶部