电脑桌面
添加小米粒文库到电脑桌面
安装后可以在桌面快捷访问

油罐车使用说明书

油罐车使用说明书_第1页
1/14
油罐车使用说明书_第2页
2/14
油罐车使用说明书_第3页
3/14
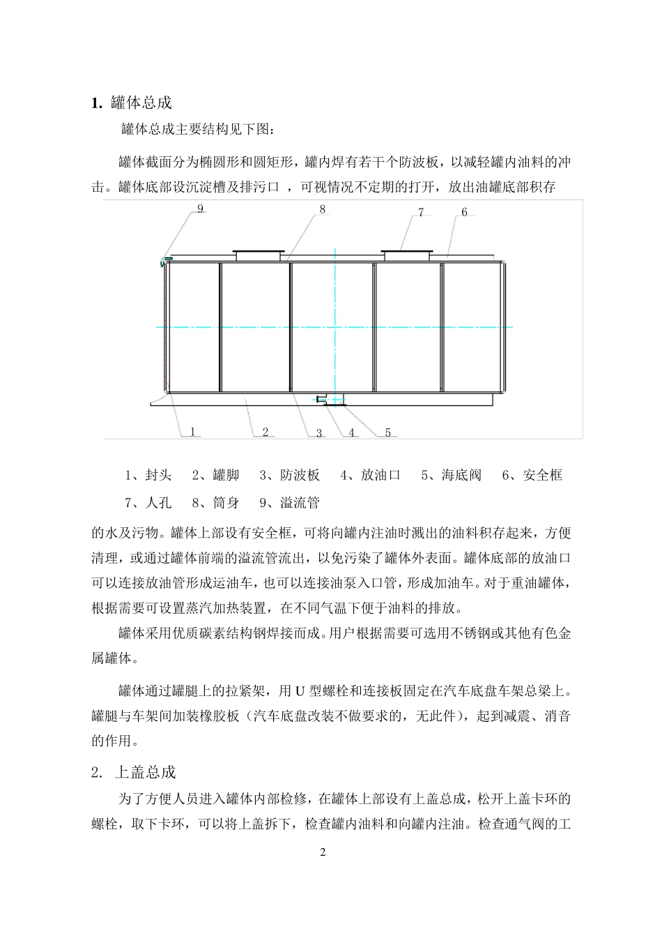
目 录 一、 产品概述 ……………………………….1 二、 主要结构及原理 ………………………………1 三、 主要技术参数 ……………………………….6 四、 使用与保养 …………………………………….7 五、 故障分析与排除 ……………………………10 六、 贮存 …………………………………………12 七、 随车文件及工具 ………………………………12 1 一、产品概述 轻质燃油运输车可分为运油和加油两种。主要用于汽油、煤油、柴油等轻质燃油的加注和运输,必要时可以运输和加注其他非腐蚀性液体。油罐车均符合GB18564。1-2006《道路运输运输危险货物罐式车辆》标准规定要求。 二、主要结构及工作原理 轻质燃油运输车主要结构可分为:二类汽车底盘、油罐总成、安全附件、管路系统、输油胶管、拖地胶带及导静电板、电气系统、防护装置等组成。底盘均采用国内外已定型的二类汽车底盘,有关底盘部分的结构、原理、性能参数及使用保养的内容请参阅原底盘使用保养说明书。本说明书主要介绍改装部分的内容。如下图示: 严 禁 烟 火 2 1 . 罐体总成 罐体总成主要结构见下图: 罐体截面分为椭圆形和圆矩形,罐内焊有若干个防波板,以减轻罐内油料的冲击。罐体底部设沉淀槽及排污口 ,可视情况不定期的打开,放出油罐底部积存 812357694 1、封头 2、罐脚 3、防波板 4、放油口 5、海底阀 6、安全框 7、人孔 8、筒身 9、溢流管 的水及污物。罐体上部设有安全框,可将向罐内注油时溅出的油料积存起来,方便清理,或通过罐体前端的溢流管流出,以免污染了罐体外表面。罐体底部的放油口可以连接放油管形成运油车,也可以连接油泵入口管,形成加油车。对于重油罐体,根据需要可设置蒸汽加热装置,在不同气温下便于油料的排放。 罐体采用优质碳素结构钢焊接而成。用户根据需要可选用不锈钢或其他有色金属罐体。 罐体通过罐腿上的拉紧架,用 U 型螺栓和连接板固定在汽车底盘车架总梁上。罐腿与车架间加装橡胶板(汽车底盘改装不做要求的,无 此 件 ),起到 减震 、消 音的作 用。 2. 上盖 总成 为了方便人员 进 入罐体内部检 修 ,在罐体上部设有上盖 总成,松 开上盖 卡 环 的螺栓,取 下卡 环 ,可以将上盖 拆 下,检 查 罐内油料和向罐内注油。检 查 通气阀的工 3 作 情 况 , 确 保 其 工 作 灵 敏 可 靠 上 盖 总 成 采 用C801T 系 列 智 能 人 孔...

1、当您付费下载文档后,您只拥有了使用权限,并不意味着购买了版权,文档只能用于自身使用,不得用于其他商业用途(如 [转卖]进行直接盈利或[编辑后售卖]进行间接盈利)。
2、本站所有内容均由合作方或网友上传,本站不对文档的完整性、权威性及其观点立场正确性做任何保证或承诺!文档内容仅供研究参考,付费前请自行鉴别。
3、如文档内容存在违规,或者侵犯商业秘密、侵犯著作权等,请点击“违规举报”。

碎片内容

油罐车使用说明书

您可能关注的文档

确认删除?
VIP
微信客服
  • 扫码咨询
会员Q群
  • 会员专属群点击这里加入QQ群
客服邮箱
回到顶部