电脑桌面
添加小米粒文库到电脑桌面
安装后可以在桌面快捷访问

用PLC控制电动机变频调速

用PLC控制电动机变频调速_第1页
1/7
用PLC控制电动机变频调速_第2页
2/7
用PLC控制电动机变频调速_第3页
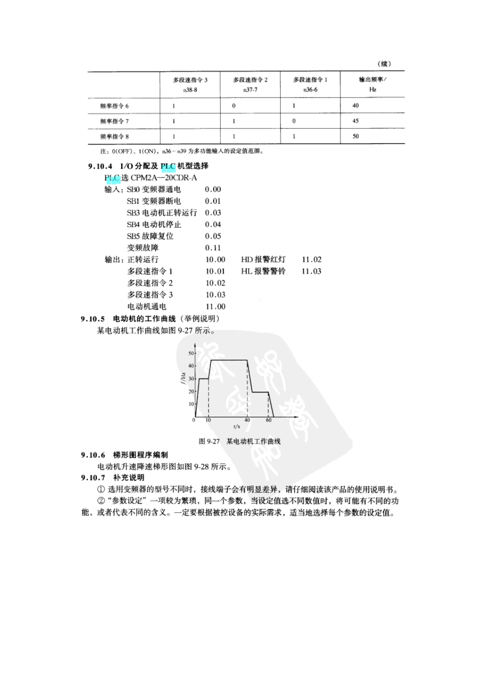
3/7
9 .1 1 变频与工频的切换控制 供水系统中的水泵,通常使用变频器进行控制,以达到节能和节水的目的。水泵的工频运行与变频运行经常需要切换,这里介绍一种用PLC 控制的方法。 9.11.1 对控制提出的要求 1)用转换开关实现工频歧频运行的切换; 2)工频运行时用手动起动和停止; 3)变频运行时,由远传压力变送器信号(4—20nRJ\),根据管网水压自动调节输出频率改变水泵转速。变频器的输出频率达到 50Hz 时,手动切换成工频运行; 4)变频器及水泵应有故障跳闸及过载保护; 5)变频与工频运行之间应有联锁保护层。 9.U.2 PIC 与变频器的硬件连接及工作原理 变频器的型号为欧姆龙 3G3RV—A4150,最大适用电动机容量为 15kW。变频与工频切换的控制原理如图 9—29 所示。 (2)机型选择 欧姆龙 PLCCPM2A。9.U.4 梯形图程序编制 变频与工频切换控制梯形图程序如图 9—30 所示。

1、当您付费下载文档后,您只拥有了使用权限,并不意味着购买了版权,文档只能用于自身使用,不得用于其他商业用途(如 [转卖]进行直接盈利或[编辑后售卖]进行间接盈利)。
2、本站所有内容均由合作方或网友上传,本站不对文档的完整性、权威性及其观点立场正确性做任何保证或承诺!文档内容仅供研究参考,付费前请自行鉴别。
3、如文档内容存在违规,或者侵犯商业秘密、侵犯著作权等,请点击“违规举报”。

碎片内容

用PLC控制电动机变频调速

小辰8+ 关注
实名认证
内容提供者

出售各种资料和文档

确认删除?
VIP
微信客服
  • 扫码咨询
会员Q群
  • 会员专属群点击这里加入QQ群
客服邮箱
回到顶部