电脑桌面
添加小米粒文库到电脑桌面
安装后可以在桌面快捷访问

用三菱FX2NPLC实现机械手的顺序控制

用三菱FX2NPLC实现机械手的顺序控制_第1页
1/9
用三菱FX2NPLC实现机械手的顺序控制_第2页
2/9
用三菱FX2NPLC实现机械手的顺序控制_第3页
3/9
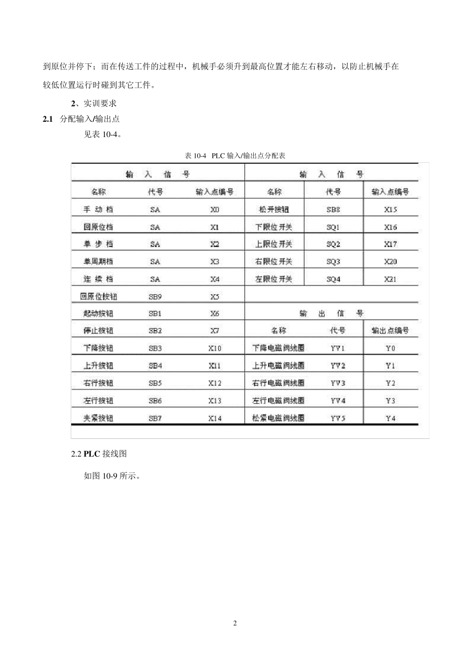
1 用三菱FX2N PLC 实现机械手的顺序控制 一、训练内容 1 、 项目描述 如图10-7 所示是一气动机械手动作示意图,其功能是将工件从A 处移送到B 处。气动机械手的升降和左右移行分别使用了双线圈的电磁阀,在某方向的驱动线圈失电时能保持在原位,必须驱动反方向的线圈才能反向运动。上升、下降对应的电磁阀线圈分别是YV2、YV1,右行、左行对应的电磁阀线圈分别是YV3、YV4。机械手的夹钳使用单线圈电磁阀YV5,线圈通电时夹紧工件,断电时松开工件。通过设置限位开关SQ1 、SQ2、SQ3、SQ4 分别对机械手的下降、上升、右行、左行进行限位,而夹钳不带限位开关,它是通过延时1.7s来表示夹紧、松开动作的完成的。 如图10-8 所示为机械手的操作面板,机械手能实现手动、回原位、单步、单周期和连续等五种工作方式。手动工作方式时,用各按钮的点动实现相应的动作;回原位工作方式时,按下“回原位”按钮,则机械手自动返回原位;单步工作方式时,每按一次起动按钮,机械手向前执行一步;选择单周期工作方式时,每按一次起动按钮,机械手只运行一个周期就停下;连续工作方式时,机械手在原位,只要按下起动按钮,机械手就会连续循环动作,直到按下停止按钮,机械手才会最后运行 2 到原位并停下;而在传送工件的过程中,机械手必须升到最高位置才能左右移动,以防止机械手在较低位置运行时碰到其它工件。 2、实训要求 2.1 分配输入/输出点 见表 10-4。 表 10-4 PLC 输入/输出点分配表 2.2 PLC 接线图 如图 10-9 所示。 3 2 .3 程序设计 2 .3 .1 基本指令编程 机械手系统的程序总体结构如图1 0 -1 0 所示,分为公用程序、自动程序、手动程序和回原位程序等四部分。其中自动程序包括单步、单周期和连续运行的程序,因它们的工作顺序相同,所以可 4 将它们合编在一起。CJ(FNC00)是条件跳转应用指令(详情见项目十二),指针标号P□ 是其操作数。该指令用于某种条件下跳过CJ 指令和指针标号之间的程序,从指针标号处继续执行,以减少程序执行时间。如果选择“手动”工作方式,即 X0 为 ON,X1 为 OFF,则 PLC 执行完公用程序后,将跳过自动程序到 P0 处,由于X0 动断触点断开,所以直接执行“手动程序”。由于P1 处的X1 的动断触点闭合,所以又跳过回原位程序到 P2 处。如果选择“回原位”工作方式,同样只执行公用程序和回原位程序。如果选择“单步”或“连续”方式,则只执行公用程序和自动程...

1、当您付费下载文档后,您只拥有了使用权限,并不意味着购买了版权,文档只能用于自身使用,不得用于其他商业用途(如 [转卖]进行直接盈利或[编辑后售卖]进行间接盈利)。
2、本站所有内容均由合作方或网友上传,本站不对文档的完整性、权威性及其观点立场正确性做任何保证或承诺!文档内容仅供研究参考,付费前请自行鉴别。
3、如文档内容存在违规,或者侵犯商业秘密、侵犯著作权等,请点击“违规举报”。

碎片内容

用三菱FX2NPLC实现机械手的顺序控制

您可能关注的文档

确认删除?
VIP
微信客服
  • 扫码咨询
会员Q群
  • 会员专属群点击这里加入QQ群
客服邮箱
回到顶部