电脑桌面
添加小米粒文库到电脑桌面
安装后可以在桌面快捷访问

甬统表C05﹣14《防排烟系统联合试运行记录》

甬统表C05﹣14《防排烟系统联合试运行记录》_第1页
1/10
甬统表C05﹣14《防排烟系统联合试运行记录》_第2页
2/10
甬统表C05﹣14《防排烟系统联合试运行记录》_第3页
3/10
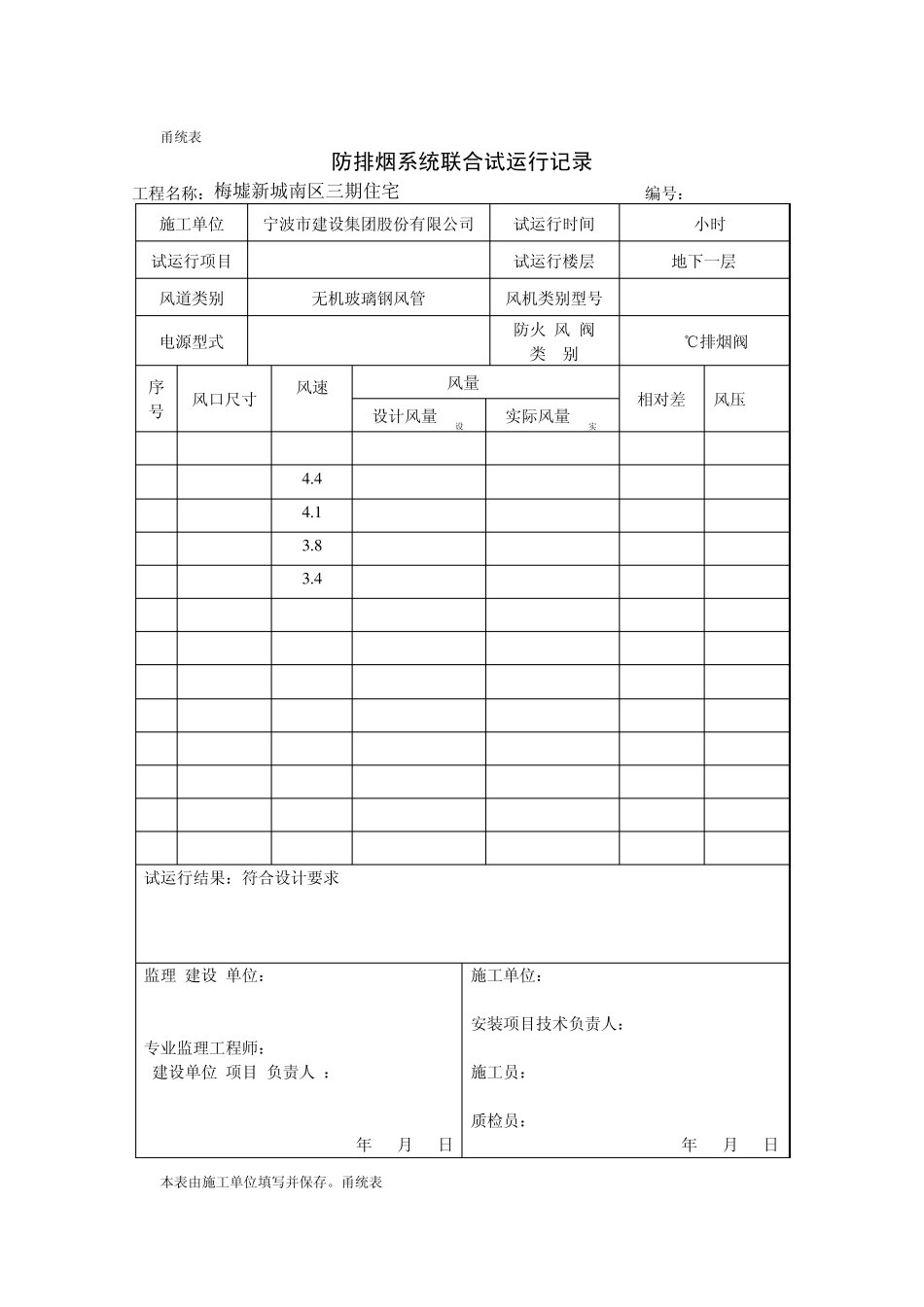
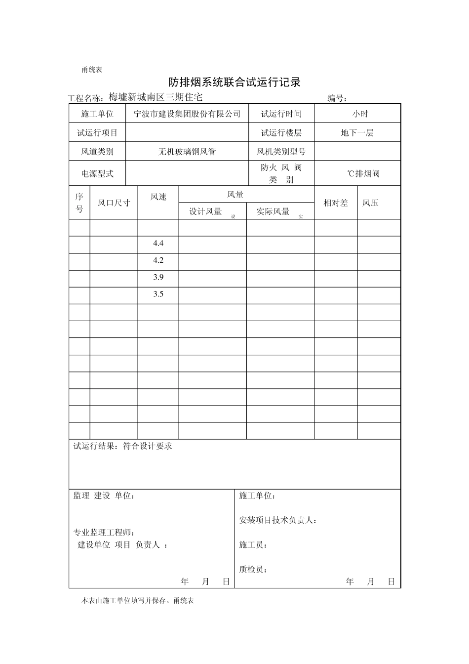
甬统表C05-14 防排烟系统联合试运行记录 工程名称:梅墟新城南区三期住宅 编号: 施工单位 宁波市建设集团股份有限公司 试运行时间 2小时 试运行项目 PY-1 试运行楼层 地下一层 风道类别 无机玻璃钢风管 风机类别型号 HTFC-II-25 电源型式 380V 防火(风)阀 类 别 280℃排烟阀 序号 风口尺寸 风速(m/s) 风量(m3/h) 相对差 风压(Pa) 设计风量(Q设) 实际风量(Q实) 1 1250*250 4.8 4435 5400 2 1250*250 4 .1 4435 4613 3 1250*250 4 .6 4435 5175 4 1250*250 3 .9 4435 4388 5 1250*250 3 .6 4435 4050 6 1250*250 3.7 4435 4163 7 1250*250 3.9 4435 4388 8 1250*250 3.8 4435 4275 9 10 11 12 13 试运行结果:符合设计要求 监理(建设)单位: 专业监理工程师: (建设单位(项目)负责人): 年 月 日 施工单位: 安装项目技术负责人: 施工员: 质检员: 年 月 日 本表由施工单位填写并保存。甬统表C05-14 甬统表C05-14 防排烟系统联合试运行记录 工程名称:梅墟新城南区三期住宅 编号: 施工单位 宁波市建设集团股份有限公司 试运行时间 2小时 试运行项目 PY-2 试运行楼层 地下一层 风道类别 无机玻璃钢风管 风机类别型号 HTFC-II-25 电源型式 380V 防火(风)阀 类 别 280℃排烟阀 序号 风口尺寸 风速(m/s) 风量(m3/h) 相对差 风压(Pa) 设计风量(Q设) 实际风量(Q实) 1 1250*250 4.5 4435 5063 2 1250*250 4 .4 4435 4950 3 1250*250 4 .2 4435 4725 4 1250*250 3 .9 4435 4388 5 1250*250 3 .5 4435 3938 6 1250*250 3.7 4435 4163 7 1250*250 3.9 4435 4388 8 1250*250 3.6 4435 4050 9 10 11 12 13 试运行结果:符合设计要求 监理(建设)单位: 专业监理工程师: (建设单位(项目)负责人): 年 月 日 施工单位: 安装项目技术负责人: 施工员: 质检员: 年 月 日 本表由施工单位填写并保存。甬统表C05-14 甬统表C05-14 防排烟系统联合试运行记录 工程名称:梅墟新城南区三期住宅 编号: 施工单位 宁波市建设集团股份有限公司 试运行时间 2小时 试运行项目 PY-3 试运行楼层 地下一层 风道类别 无机玻璃钢风管 风机类别型号 HTFC-II-25 电源型式 380V 防火(风)阀 类 别 280℃排烟阀 序号 风口尺寸 风速(m/s) 风量(m3/h) 相对...

1、当您付费下载文档后,您只拥有了使用权限,并不意味着购买了版权,文档只能用于自身使用,不得用于其他商业用途(如 [转卖]进行直接盈利或[编辑后售卖]进行间接盈利)。
2、本站所有内容均由合作方或网友上传,本站不对文档的完整性、权威性及其观点立场正确性做任何保证或承诺!文档内容仅供研究参考,付费前请自行鉴别。
3、如文档内容存在违规,或者侵犯商业秘密、侵犯著作权等,请点击“违规举报”。

碎片内容

甬统表C05﹣14《防排烟系统联合试运行记录》

确认删除?
VIP
微信客服
  • 扫码咨询
会员Q群
  • 会员专属群点击这里加入QQ群
客服邮箱
回到顶部