电脑桌面
添加小米粒文库到电脑桌面
安装后可以在桌面快捷访问

电动碟阀点检标准

电动碟阀点检标准_第1页
1/6
电动碟阀点检标准_第2页
2/6
电动碟阀点检标准_第3页
3/6
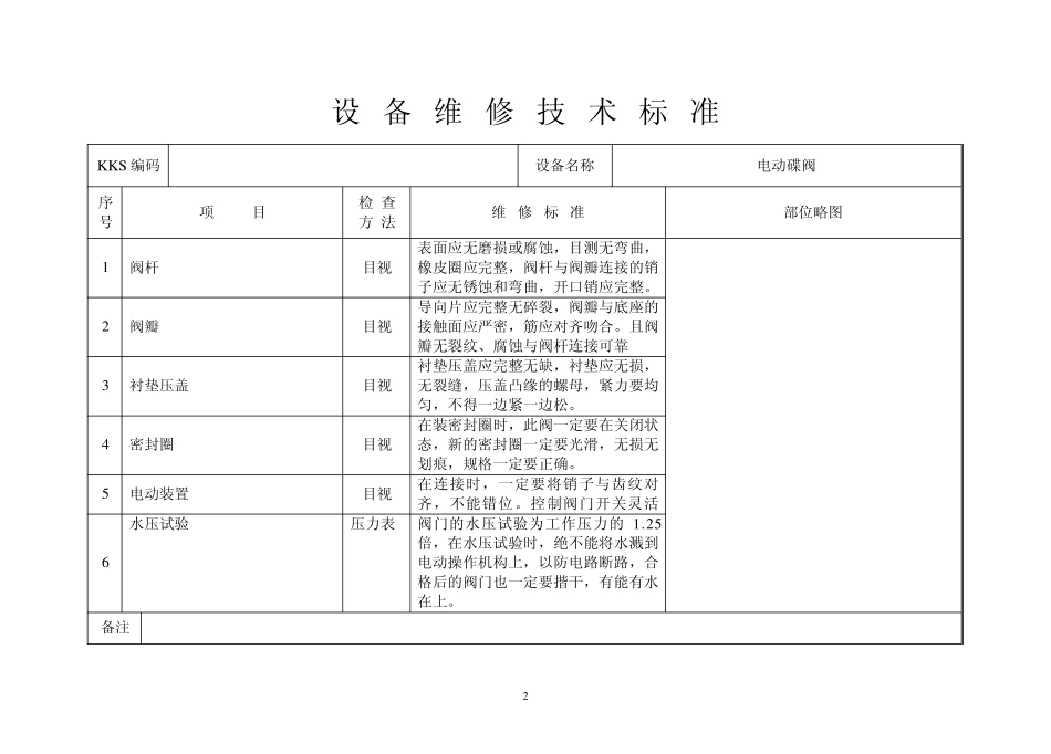
1 设备点检标准 KKS编码 设备 名称 电动碟阀 状态 标记 〇 运转中点检 △ 停止中点检 日期 代码 年 Y 月 M 周 W 日 D 班 C 点检 类型 日检 R 专检 Z 精检 J 序 号 点 检 部 位 点检内 容 点 检 标 准 点检类型 点检周期 点 检 方 法 点检 状态 责任部门 日检 专检 精检 日检 专检 精检 日检 专检 精检 1 阀体 外观 无锈垢、裂纹、破损 R 1D 目视 〇 设备部 2 阀门各密封面 泄漏 无泄漏 R 1D 目视 〇 设备部 3 垫料压盖 完整情况 衬垫压盖应完整无缺,衬垫应无损,无裂缝 J 2Y 目视 △ 设备部 4 阀杆 表面 阀杆 应 光 滑 无 磨 损 或 腐蚀,目视无弯曲 J 2Y 目视 △ 设备部 5 阀瓣 完整情况 无裂纹、腐蚀与阀杆连接可靠 J 2Y 目视 △ 设备部 6 密封圈 完整情况 无裂纹、气孔、变形和老化 J 2Y 目视 △ 设备部 7 法兰结合面 泄漏 无泄漏 R 1D 目视 〇 设备部 2 设备维修技术标准 KKS编码 设备名称 电动碟阀 序号 项 目 检 查 方 法 维 修 标 准 部位略图 1 阀杆 目视 表面应无磨损或腐蚀,目测无弯曲,橡皮圈应完整,阀杆与阀瓣连接的销子应无锈蚀和弯曲,开口销应完整。 2 阀瓣 目视 导向片应完整无碎裂,阀瓣与底座的接触面应严密,筋应对齐吻合。且阀瓣无裂纹、腐蚀与阀杆连接可靠 3 衬垫压盖 目视 衬垫压盖应完整无缺,衬垫应无损,无裂缝,压盖凸缘的螺母,紧力要均匀,不得一边紧一边松。 4 密封圈 目视 在装密封圈时,此阀一定要在关闭状态,新的密封圈一定要光滑,无损无划痕,规格一定要正确。 5 电动装置 目视 在连接时,一定要将销子与齿纹对齐,不能错位。控制阀门开关灵活 6 水压试验 压力表 阀门的水压试验为工作压力的1.25倍,在水压试验时,绝不能将水溅到电动操作机构上,以防电路断路,合格后的阀门也一定要揩干,有能有水在上。 备注 3 设备维修作业标准 4 KKS编码 设备名称 电动碟阀 作业名称 解体大修 使 用 工 器 具 ① 梅花扳手; ② 活络扳手; ③ 内六角一套; ④ 量具; ⑤ C型夹头; ⑥ 铜棒; ⑦ 扁平锉; ⑧ 毛刷; ⑨ 榔头; ⑩ 木榔头; ⑾螺丝刀; ⑿电气; ⒀电铬铁。 14、葫芦 作 业 条 件 1.先排水泄压,确定管道与阀门无积水 2.确认该门与系统已隔离。 3.确认驱动装置处于可靠...

1、当您付费下载文档后,您只拥有了使用权限,并不意味着购买了版权,文档只能用于自身使用,不得用于其他商业用途(如 [转卖]进行直接盈利或[编辑后售卖]进行间接盈利)。
2、本站所有内容均由合作方或网友上传,本站不对文档的完整性、权威性及其观点立场正确性做任何保证或承诺!文档内容仅供研究参考,付费前请自行鉴别。
3、如文档内容存在违规,或者侵犯商业秘密、侵犯著作权等,请点击“违规举报”。

碎片内容

电动碟阀点检标准

您可能关注的文档

确认删除?
VIP
微信客服
  • 扫码咨询
会员Q群
  • 会员专属群点击这里加入QQ群
客服邮箱
回到顶部