电脑桌面
添加小米粒文库到电脑桌面
安装后可以在桌面快捷访问

电厂75吨炉布袋除尘器改造方案

电厂75吨炉布袋除尘器改造方案_第1页
1/7
电厂75吨炉布袋除尘器改造方案_第2页
2/7
电厂75吨炉布袋除尘器改造方案_第3页
3/7
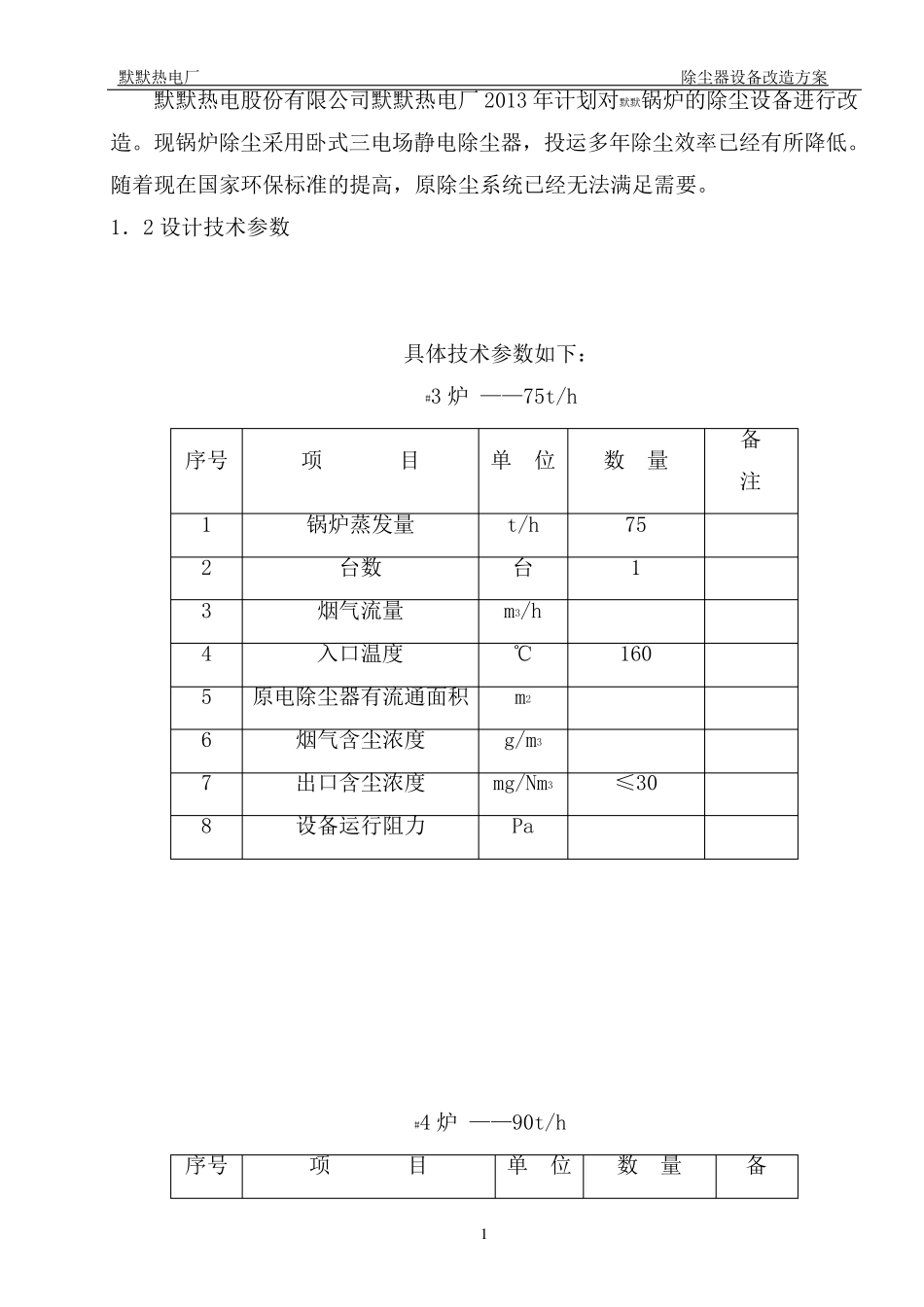
布袋尘器设备改造方案 二0 一三 年 四月 一、 情况介绍 1.1 项目概况 默默热电厂 除尘器设备改造方案 1 默默热电股份有限公司默默热电厂2013 年计划对默默锅炉的除尘设备进行改造。现锅炉除尘采用卧式三电场静电除尘器,投运多年除尘效率已经有所降低。随着现在国家环保标准的提高,原除尘系统已经无法满足需要。 1.2 设计技术参数 具体技术参数如下: #3 炉 ——75t/h 序号 项 目 单 位 数 量 备 注 1 锅炉蒸发量 t/h 75 2 台数 台 1 3 烟气流量 m3/h 4 入口温度 ℃ 160 5 原电除尘器有流通面积 m2 6 烟气含尘浓度 g/m3 7 出口含尘浓度 mg/Nm3 ≤30 8 设备运行阻力 Pa #4 炉 ——90t/h 序号 项 目 单 位 数 量 备 默默热电厂 除尘器设备改造方案 2 注 1 锅炉蒸发量 t/h 90 2 台数 台 1 3 烟气流量 m3/h 4 入口温度 ℃ 165 5 原电除尘器有流通面积 m2 6 烟气含尘浓度 g/m3 9 出口含尘浓度 mg/Nm3 ≤30 10 设备运行阻力 Pa 二、 现役电除尘器存在问题分析 默默热电厂默默锅炉配套使用的电除尘器是按照2003 年火电厂大气污染物排放标准设计,出口烟气含尘浓度低于200mg/ m3即可。随着现在环保标准的提高,默默市要求锅炉烟尘排放浓度截止到2013 年7 月31 日必须控制在30mg/ m3以下。原有电除尘器的除尘效率已经不能满足环保排放要求,所以必须进行相应改造。 三、 锅炉配套电除尘改造方案——电改布袋 要求利用原电除尘器的场地及相关框架设备,将电除尘器改造为布袋除尘器。整体性能必须达到2013 年默默市对烟尘排放浓度的最终要求。 1.1 基本原理 布袋式除尘器是利用纤维纺织制作的除尘布袋过滤元件来捕集含尘气体中的尘粒。含尘气体从除尘器进口平均地进入到布袋除尘器处理单元后,气体穿过布袋进入除尘的净烟气侧,而粉尘则被滤布和 滤布上 的粉尘层 阻截并 粘 附 在 布袋外 侧,净化 后的气体由 净气侧排出到大气中。当 布袋上 的粉尘层 达到一 定厚 度时 ,除尘器压 力上 升 到整定 值 ,此 时 喷 吹 电磁 阀 开 启 进行喷 吹 。布袋外 侧默 默 热 电 厂 除 尘 器 设 备 改 造 方 案 3 的 粉 尘 层 因 为 布 袋 的 急 剧 膨 胀 变 形 而 被 抖 落 到 灰 斗 中 , 粉 尘 由 灰 斗 经 排 料 阀 排出。 1.2 布 袋 除 尘 器 的 ...

1、当您付费下载文档后,您只拥有了使用权限,并不意味着购买了版权,文档只能用于自身使用,不得用于其他商业用途(如 [转卖]进行直接盈利或[编辑后售卖]进行间接盈利)。
2、本站所有内容均由合作方或网友上传,本站不对文档的完整性、权威性及其观点立场正确性做任何保证或承诺!文档内容仅供研究参考,付费前请自行鉴别。
3、如文档内容存在违规,或者侵犯商业秘密、侵犯著作权等,请点击“违规举报”。

碎片内容

电厂75吨炉布袋除尘器改造方案

您可能关注的文档

确认删除?
VIP
微信客服
  • 扫码咨询
会员Q群
  • 会员专属群点击这里加入QQ群
客服邮箱
回到顶部