电脑桌面
添加小米粒文库到电脑桌面
安装后可以在桌面快捷访问

电压损失校验、线损等计算公式

电压损失校验、线损等计算公式_第1页
1/8
电压损失校验、线损等计算公式_第2页
2/8
电压损失校验、线损等计算公式_第3页
3/8
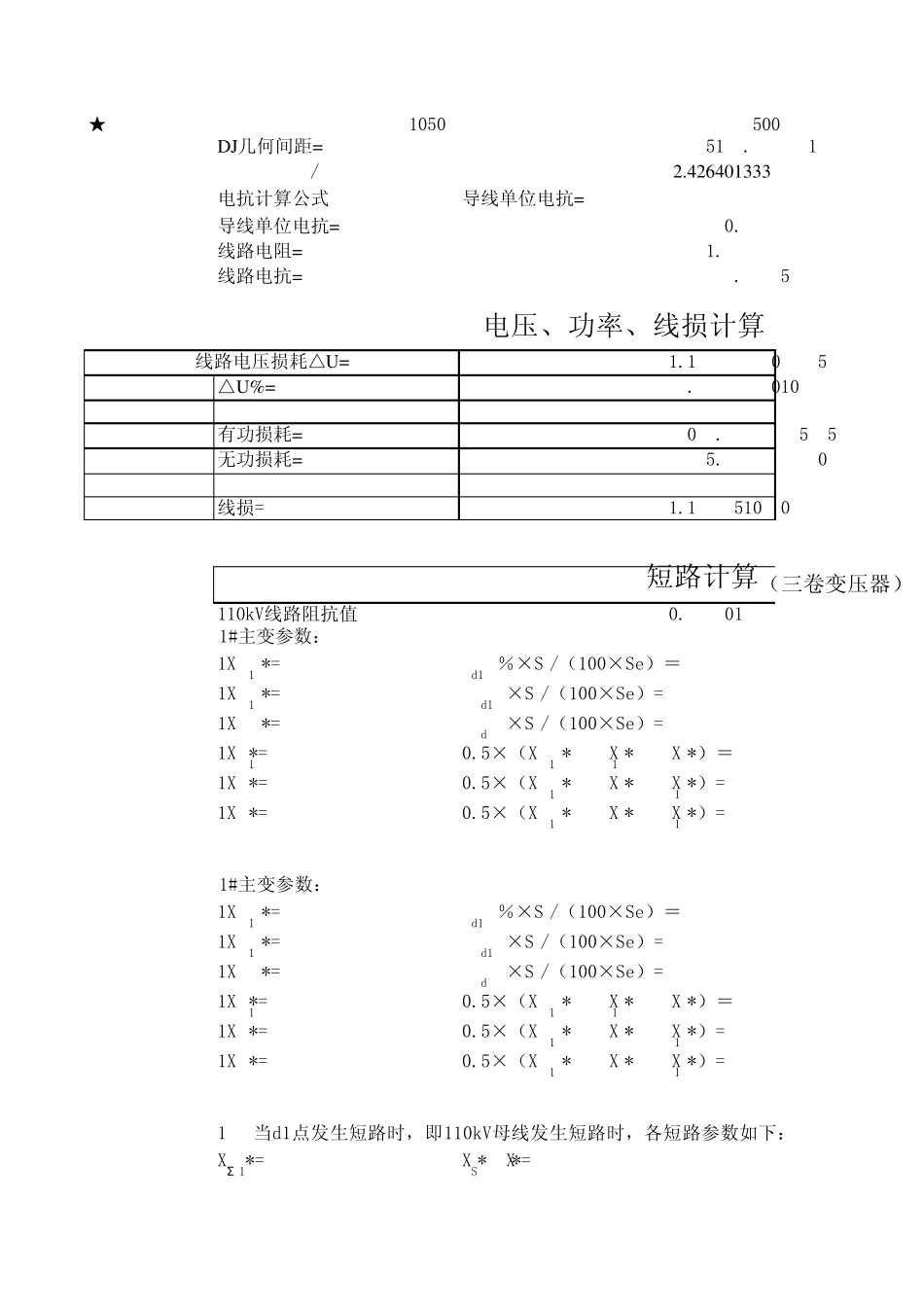
★为手填数据☆为需调整数据3000小时以下3000-5000小时1.651.15★U线路额定电压★PM线路设计最大传输有功负荷(kw )★功率因数★J经济电流密度PM1.732*U*0.85*J★D122★D232★D314★线路长度L=11.55☆导线半径=9.44☆导线单位电阻=0.1592★功率因数=0.9★有功功率=10504视在功率=11671.11111无功功率=5087.319389★电压等级35★基准电压35基准电流16.50基准电抗1.225★基准容量1000★1#主变容量40★2#主变容量40★上级站110kV侧母线阻抗X S*=0★线路阻抗计算基准电压线路单位阻抗标幺值 =X*(Sj/Uj 2)★主变阻抗电压百分数:Ud1-2%=★Ud1-3%=★Ud2-3%=★主变容量损耗小时允许电压损失校经济电流密度选经济截面=经济电流密度★105044500DJ几何间距=2519.8421lg(DJ/r)2.426401333电抗计算公式导线单位电抗=导线单位电抗=0.378线路电阻=1.83876线路电抗=4.36591.186430365△U %=3.389801042有功损耗=204.4623585无功损耗=485.4696704线损=1.182510309110kV线路阻抗值0.330124764 1#主变参数:1XT1-2*=Ud1-2%×Sj/(100×Se)=1XT1-3*= Ud1-3×Sj/(100×Se)=1XT2-3*= Ud2-3×SJ/(100×Se)=1XT1*=0.5×(XT1-2*+ XT1-3*- XT2-3*)=1XT2*=0.5×(XT1-2*+ XT2-3*- XT1-3*)=1XT3*=0.5×(XT1-3*+ XT2-3*- XT1-2*)= 1#主变参数:1XT1-2*=Ud1-2%×Sj/(100×Se)=1XT1-3*= Ud1-3×Sj/(100×Se)=1XT2-3*= Ud2-3×SJ/(100×Se)=1XT1*=0.5×(XT1-2*+ XT1-3*- XT2-3*)=1XT2*=0.5×(XT1-2*+ XT2-3*- XT1-3*)=1XT3*=0.5×(XT1-3*+ XT2-3*- XT1-2*)=XΣ 1*=XS*+XL*=线路电压损耗△U =电压、功率、线损计算短路计算(三卷变压器)1 当d1点发生短路时,即110kV母线发生短路时,各短路参数如下:I1*=1/ XΣ 1*=Id1(3)=Ij/XΣ 1*=ich1=1.8×√2×Id1(3)=Ich1=1.509×Id1(3)=S d1=Sj/XΣ 1*=XΣ 2*= XΣ 1*+ 1XT1*//2XT1*=I2*=1/ XΣ 2*=Id2(3)=Ij/XΣ 2*=ich2=1.8×√2×Id2(3)=Ich2=1.509×Id2(3)=S d2Sj/XΣ 2*=XΣ 3*=XΣ 2*+1XT3*//2XT3*=I3*=1/ XΣ 3*=Id3(3)=Ij/XΣ 3*=ich3=1.8×√2×Id3(3)=Ich3=1.509×Id3(3)=Sd3=Sj/XΣ 3*=符号短路点单位名称短路点编号基准容量Sj基准电压Uj基准电流Ij短路电流标么值I*短路容量S短路电流周期分量始值Id3(3)短路电流全电流最大有效值Ich3短路电流冲击峰值T后备保护动作时间tb2 当d2点发生短路时,即35kV母线发生短路时,各短路...

1、当您付费下载文档后,您只拥有了使用权限,并不意味着购买了版权,文档只能用于自身使用,不得用于其他商业用途(如 [转卖]进行直接盈利或[编辑后售卖]进行间接盈利)。
2、本站所有内容均由合作方或网友上传,本站不对文档的完整性、权威性及其观点立场正确性做任何保证或承诺!文档内容仅供研究参考,付费前请自行鉴别。
3、如文档内容存在违规,或者侵犯商业秘密、侵犯著作权等,请点击“违规举报”。

碎片内容

电压损失校验、线损等计算公式

小辰3+ 关注
实名认证
内容提供者

出售各种资料和文档

相关文档

确认删除?
VIP
微信客服
  • 扫码咨询
会员Q群
  • 会员专属群点击这里加入QQ群
客服邮箱
回到顶部