电脑桌面
添加小米粒文库到电脑桌面
安装后可以在桌面快捷访问

电机控制回路图

电机控制回路图_第1页
1/14
电机控制回路图_第2页
2/14
电机控制回路图_第3页
3/14
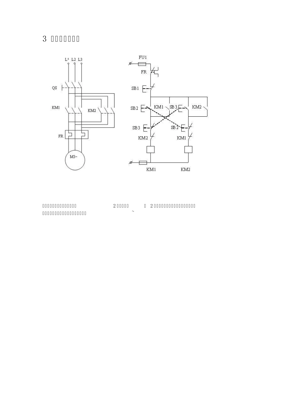
1.基本的直接启动控制线路 按下启动按钮,KM 线圈得电,KM 常开辅助触点自锁,绿灯亮,电机运行; 按下停止按钮,KM 线圈失点,辅助触点复位,红灯亮,电机停止。 2 直接启动,延时停止 通过时间继电器作用,延时使回路断开。 3 控制电机正反转 使用双重互锁,采用复合按钮和2 个接触器。 将 2 个接触器的常闭辅助触点相互串联在对方回路中,安全方便,避免了短路的发生~ 4 顺停、逆停循环 5 电机轮流循环启动 6 三台电机轮流循环 7 单按钮控制电机启动停止 8 时间继电器控制双速电机 9 定子串电阻降压启动 这个不太常用! 10 延边三角形降压启动 这个知道就行!!! 11 星三角降压启动 照片名称:星三角降压启动实物接线图 照片名称:星三角 照片名称:星三角启动控制线路图 照片名称:星三角 (这个很重要,也和简单,也很实用的降压启动,一般电机大于7.5 千瓦,为了保护电压网就应该采取降压的方式。) 12 自耦降压 这也是很使用的降压启动控制线路。一般大于40 千瓦的电机使用。

1、当您付费下载文档后,您只拥有了使用权限,并不意味着购买了版权,文档只能用于自身使用,不得用于其他商业用途(如 [转卖]进行直接盈利或[编辑后售卖]进行间接盈利)。
2、本站所有内容均由合作方或网友上传,本站不对文档的完整性、权威性及其观点立场正确性做任何保证或承诺!文档内容仅供研究参考,付费前请自行鉴别。
3、如文档内容存在违规,或者侵犯商业秘密、侵犯著作权等,请点击“违规举报”。

碎片内容

电机控制回路图

确认删除?
VIP
微信客服
  • 扫码咨询
会员Q群
  • 会员专属群点击这里加入QQ群
客服邮箱
回到顶部