电脑桌面
添加小米粒文库到电脑桌面
安装后可以在桌面快捷访问

电气图基本知识VIP专享

电气图基本知识_第1页
1/8
电气图基本知识_第2页
2/8
电气图基本知识_第3页
3/8
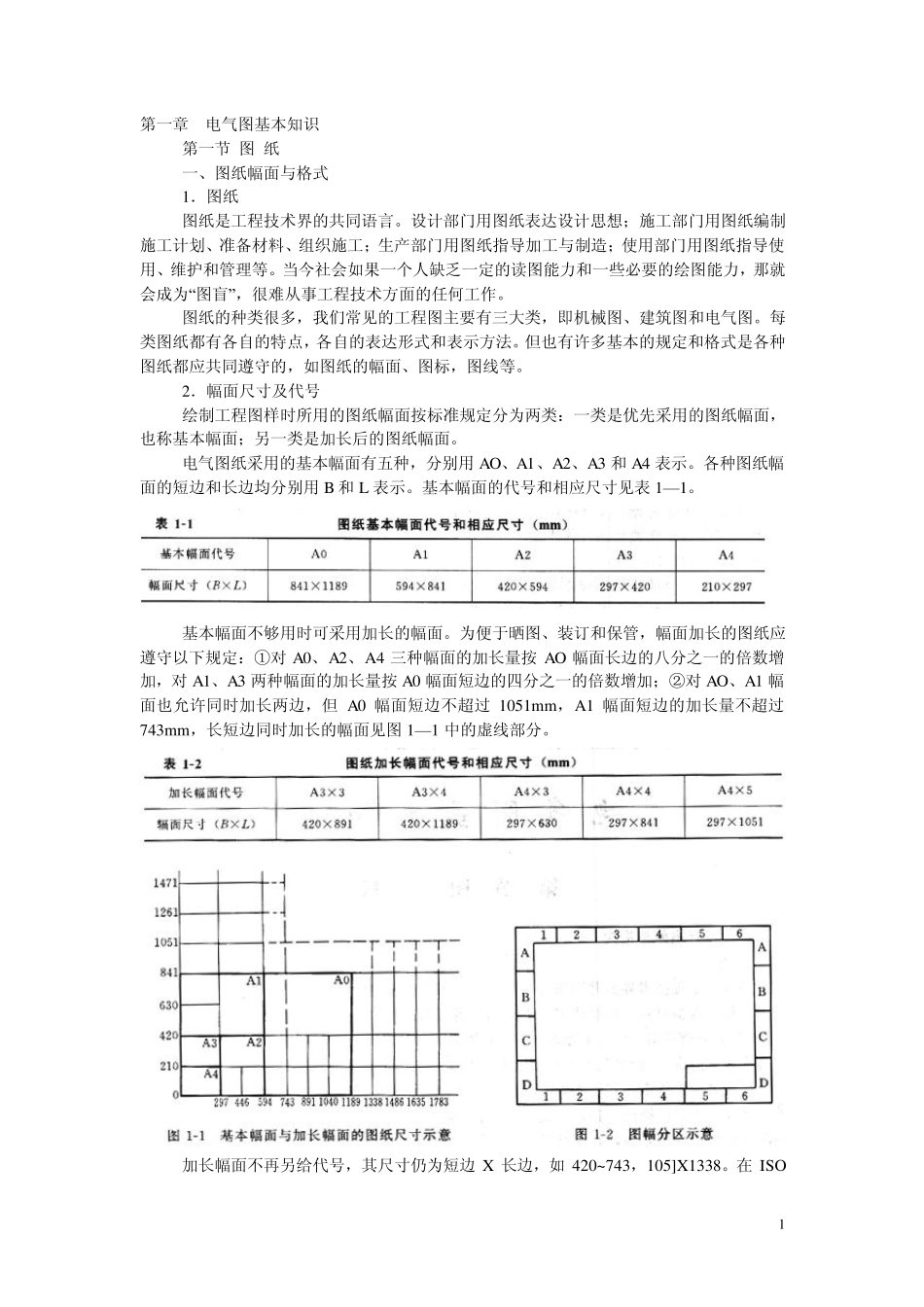
1 第一章 电气图基本知识 第一节 图 纸 一、图纸幅面与格式 1.图纸 图纸是工程技术界的共同语言。设计部门用图纸表达设计思想;施工部门用图纸编制施工计划、准备材料、组织施工;生产部门用图纸指导加工与制造;使用部门用图纸指导使用、维护和管理等。当今社会如果一个人缺乏一定的读图能力和一些必要的绘图能力,那就会成为“图盲” ,很难从事工程技术方面的任何工作。 图纸的种类很多,我们常见的工程图主要有三大类,即机械图、建筑图和电气图。每类图纸都有各自的特点,各自的表达形式和表示方法。但也有许多基本的规定和格式是各种图纸都应共同遵守的,如图纸的幅面、图标,图线等。 2.幅面尺寸及代号 绘制工程图样时所用的图纸幅面按标准规定分为两类:一类是优先采用的图纸幅面,也称基本幅面;另一类是加长后的图纸幅面。 电气图纸采用的基本幅面有五种,分别用 AO、A1、A2、A3 和 A4 表示。各种图纸幅面的短边和长边均分别用 B 和 L 表示。基本幅面的代号和相应尺寸见表 1— 1。 基本幅面不够用时可采用加长的幅面。为便于晒图、装订和保管,幅面加长的图纸应遵守以下规定:①对 A0、A2、A4 三种幅面的加长量按AO 幅面长边的八分之一的倍数增加,对 A1、A3 两种幅面的加长量按A0 幅面短边的四分之一的倍数增加;②对 AO、A1 幅面也允许同时加长两边,但 A0 幅面短边不超过 1051mm,A1 幅面短边的加长量不超过743mm,长短边同时加长的幅面见图 1— 1 中的虚线部分。 加长幅面不再另给代号,其尺寸仍为短边X 长边,如 420~743,105]X1338。在 ISO 2 标准中,为了使用方便,对某些加长图纸也给出幅面代号,其幅面代号和相应尺寸见表1—2。 3.图纸幅面的选择 在保证幅面布局紧凑、清晰和使用方便的前提下,图纸幅面的选择还应考虑:①所设计对象的规模和复杂程度;②由简图种类所确定的资料的详细程度;⑧尽量选用较小幅面;4.图纸幅面的分区 为了便于确定图上的内容、补充、更改及组成部分等的位置,可以在各种幅面的图纸上分区,如图1—2 所示。 图幅分区时应注意:①分区数应是偶数,每一分区的长度一般不应小于 25mm,不大于 75mm;②分区编号竖边方向用大写拉丁字母,横边方向用阿拉伯数字,编号顺序应从标题栏相对的左上角开始;⑧分区代号即用该区域的字母和数字组合表示,如 B3、C5;④对分区中符号应以粗实线绘出,其线宽不宜小于 o.5mm,并应绘在图幅线中点处,且宜...

1、当您付费下载文档后,您只拥有了使用权限,并不意味着购买了版权,文档只能用于自身使用,不得用于其他商业用途(如 [转卖]进行直接盈利或[编辑后售卖]进行间接盈利)。
2、本站所有内容均由合作方或网友上传,本站不对文档的完整性、权威性及其观点立场正确性做任何保证或承诺!文档内容仅供研究参考,付费前请自行鉴别。
3、如文档内容存在违规,或者侵犯商业秘密、侵犯著作权等,请点击“违规举报”。

碎片内容

电气图基本知识

小辰9+ 关注
实名认证
内容提供者

出售各种资料和文档

确认删除?
VIP
微信客服
  • 扫码咨询
会员Q群
  • 会员专属群点击这里加入QQ群
客服邮箱
回到顶部