电脑桌面
添加小米粒文库到电脑桌面
安装后可以在桌面快捷访问

电气自动化元件

电气自动化元件_第1页
1/8
电气自动化元件_第2页
2/8
电气自动化元件_第3页
3/8
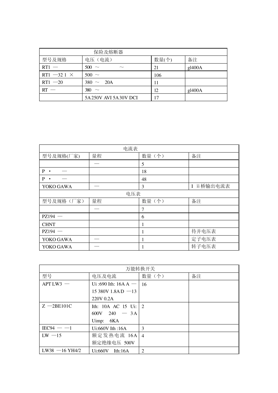
电气自动化元件(法国施耐德)空气开关 型号 电流 频率(HZ) 电压(V) 电流(KA)Icu 数量(个) 相数 备注 C65H—DC C3A 50 400 1 2 C65H—DC C3A 250 10 25 2 直交流通用 C65H—DC C6A 250 10 34 2 直交流通用 C65H—DC C65A 127 2 2 直交流通用 C65H—DC C4A 250 6 2 直交流通用 C65H—DC C25 250 48 单相 直交流通用 C65N C1 50 400 26 3 C65N C6 50 400 1 2 C65N C6 250 10 3 2 直交流通用 C65N C10 50 400 11 2 C65N C16 50 400 10 3 C65N C50 50 400 6 3 C65N C20 50 400 30 2 C65 50 400 D4 C65N C25 50 400 1 3 C6 250 1 2 直交流通用 C65N—DC C4A 250 直交流通用 B1 400 7 3 GB1096.3 IEC60898.1 B3 400 7 3 NDB2—63 C1 400 1 2 NDB2Z—63 C6 250 3 2 直交流通用 CHNT DZ47—60 C5 400 1 2 CHNT DZ47—60 C6 250 14 单相 直交流通用 CHNT DZ47—60 C16 400 1 2 DZ47—63 C10 6000A 230/400 12 单相 DZ47—63 C50 4500A 400 1 4 DZ47—63 400 1 3 D25 DZ47—63 C50 400 1 4 DZ47—63 C10 230/400 15 单相 DZ47 C3 400 1 2 DZ47LE C10 6000A 230 3 单相 Nader DNM1—63 400 1 3 CNC DZ47—63 3KA C63 50 400 1 3 Nader DNM1—63 C63 400 1 2 Nader DNM1—63 C6 400 1 2 Nader NDB2Z—63 C6 250 5 2 直交流通用 Schneider IEC 60947-2 Ue(V) Icu (KA) 220/230—80 380/415—50 440~40 500~30 525~25 660/690—10 Ui:750V Uimp:8KV 50HZ/60HZ 36 法国施耐德(指示灯及按钮) 指示灯 颜色 型号及规格 数量(个) 备注 红色 Telemecaniqu XB— BVM4LC AC/DC 220V 248 黄色 Telemecaniqu XB— BVM4LC AC/DC 220V 19 绿色 Telemecaniqu XB— BVM4LC AC/DC 220V 58 白色 Telemecaniqu XB— BVM4LC AC/DC 220V 8 按钮 颜色 型号及规格 数量(个) 备注 红色 Telemecaniqu XB— BVM4LC AC/DC 220V 14 黄色 Telemecaniqu XB— BVM4LC AC/DC 220V 13 绿色 Telemecaniqu XB— BVM4LC AC/DC 220V 1 白色 Telemecaniqu XB— BVM4LC AC/DC 220V 8 保险及熔断器 型号及规格 电压(电流) 数量(个) 备注 RT16—2 NT2R033 500V...

1、当您付费下载文档后,您只拥有了使用权限,并不意味着购买了版权,文档只能用于自身使用,不得用于其他商业用途(如 [转卖]进行直接盈利或[编辑后售卖]进行间接盈利)。
2、本站所有内容均由合作方或网友上传,本站不对文档的完整性、权威性及其观点立场正确性做任何保证或承诺!文档内容仅供研究参考,付费前请自行鉴别。
3、如文档内容存在违规,或者侵犯商业秘密、侵犯著作权等,请点击“违规举报”。

碎片内容

电气自动化元件

确认删除?
VIP
微信客服
  • 扫码咨询
会员Q群
  • 会员专属群点击这里加入QQ群
客服邮箱
回到顶部