电脑桌面
添加小米粒文库到电脑桌面
安装后可以在桌面快捷访问

电缆型号类型

电缆型号类型_第1页
1/8
电缆型号类型_第2页
2/8
电缆型号类型_第3页
3/8
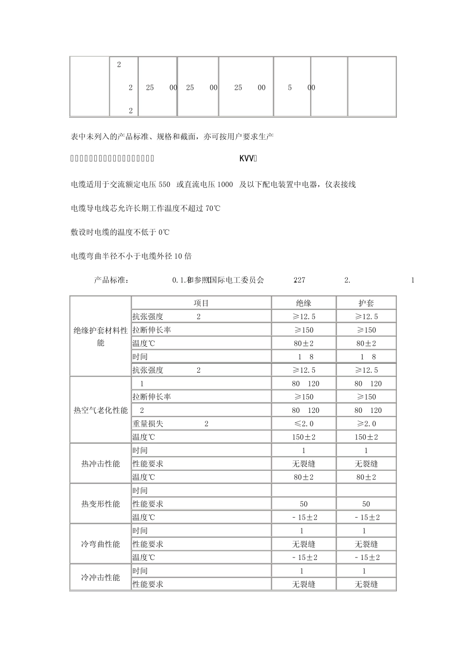
电缆型号类型、名称及参数 一、常用型电缆 型号 名称 适用范围 YJV YJLV ZR-YJV ZR-YJLV 阻燃和非阻燃或铝芯交联聚乙烯绝缘、聚氯乙烯护套电力电缆 适用于室内外敷设。可经受一定的敷设牵引,但不能承受机械外力作用的场合。单芯电缆不允许敷设在磁性管道中。 YJV22 YJLV22 ZR-YJV22 ZR-YJV22 阻燃和非阻燃铜芯或铝芯交联聚乙烯绝缘、聚氯乙烯护套内钢带铠装电力电缆 适用于埋地敷设,能承受机械外力作用,但不能承受大的拉力。 YJV32 YJLV32 ZR-YJV32 ZR-YJV32 阻燃和非阻烯铜芯或铝芯交联聚乙烯绝缘、聚氯乙烯护套内钢丝铠装电力电缆 适用于水中或高落差地区,能承受机械外力作用和相当的拉力。 亦可生产聚氯乙烯护套 YJY、YJLY系列产品 生产范围 型号 芯数 额定电压 3.6/6 6/6,6/10 8.7/10,8.7/15 12/20 21/35 26/35,26/45 导电线芯标称截 mm2 YJV YJLV ZR-YJV ZR-YJLV 1 25~630 25~630 25~630 35~630 50~630 50~630 3 25~500 25~500 25~500 35~500 50~400 50~400 YJV22 YJLV22 ZR-YJV22 ZR-YJV22 3 25~500 25~500 25~500 35~500 50~240 50~240 YJV32 1 25~500 25~500 25~500 35~500 50~500 50~500 YJLV32 ZR-YJV32 ZR-YJV32 3 25~300 25~300 25~300 35~300 表中未列入的产品标准、规格和截面,亦可按用户要求生产 二、聚氯乙烯绝缘控制电缆(基本型号:KVV) 电缆适用于交流额定电压550V或直流电压1000V及以下配电装置中电器,仪表接线 电缆导电线芯允许长期工作温度不超过70℃ 敷设时电缆的温度不低于0℃ 电缆弯曲半径不小于电缆外径10 倍 产品标准:GB9330.1.2-90和参照国际电工委员会IEC 227,IEC 332.3,IEC 331 绝缘护套材料性能 项目 绝缘 护套 抗张强度N/mm2 ≥12.5 ≥12.5 拉断伸长率% ≥150 ≥150 温度℃ 80±2 80±2 时间 hr 168 168 抗张强度N/mm2 ≥12.5 ≥12.5 热空气老化性能 K1% 80-120 80-120 拉断伸长率% ≥150 ≥150 K2% 80-120 80-120 重量损失 mg/cm2 ≤2.0 ≥2.0 温度℃ 150±2 150±2 热冲击性能 时间 hr 1 1 性能要求 无裂缝 无裂缝 温度℃ 80±2 80±2 热变形性能 时间 hr 4 4 性能要求 50 50 温度℃ ﹣15±2 ﹣15±2 冷弯曲性能 时间 hr 16 16 性能要求 无裂缝 无裂缝 温度℃ ﹣15±2 ﹣15±2 冷冲击性能 时间 hr 16 16 性能要求 无裂缝...

1、当您付费下载文档后,您只拥有了使用权限,并不意味着购买了版权,文档只能用于自身使用,不得用于其他商业用途(如 [转卖]进行直接盈利或[编辑后售卖]进行间接盈利)。
2、本站所有内容均由合作方或网友上传,本站不对文档的完整性、权威性及其观点立场正确性做任何保证或承诺!文档内容仅供研究参考,付费前请自行鉴别。
3、如文档内容存在违规,或者侵犯商业秘密、侵犯著作权等,请点击“违规举报”。

碎片内容

电缆型号类型

您可能关注的文档

确认删除?
VIP
微信客服
  • 扫码咨询
会员Q群
  • 会员专属群点击这里加入QQ群
客服邮箱
回到顶部