电脑桌面
添加小米粒文库到电脑桌面
安装后可以在桌面快捷访问

电缆载流量计算书

电缆载流量计算书_第1页
1/10
电缆载流量计算书_第2页
2/10
电缆载流量计算书_第3页
3/10
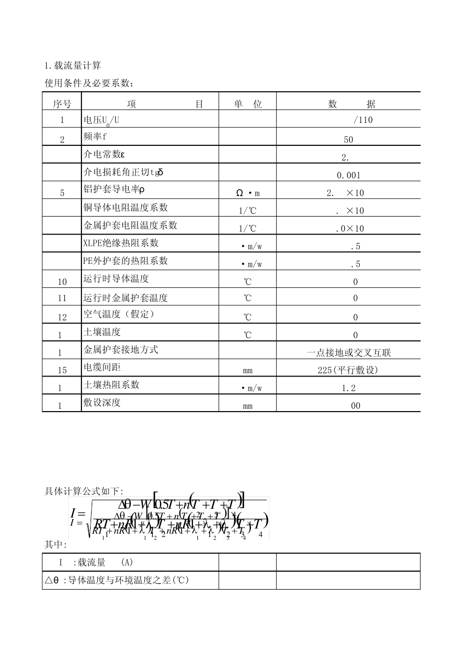
电缆有限公司技术部2014-10-21电缆载流量计算书1.载流量计算使用条件及必要系数:序号 项 目 单 位 数 据1电压U0/UkV64/1102频率fHz503介电常数ε2.34介电损耗角正切tgδ0.0015铝护套导电率ρ shΩ ·m2.84×10-86铜导体电阻温度系数1/℃3.93×10-37金属护套电阻温度系数1/℃4.03×10-38XLPE绝缘热阻系数k·m/w3.59PE外护套的热阻系数k·m/w3.510运行时导体温度℃9011运行时金属护套温度℃6012空气温度(假定)℃4013土壤温度 ℃3014金属护套接地方式一点接地或交叉互联15电缆间距 mm225(平行敷设)16土壤热阻系数k·m/w1.217敷设深度mm300具体计算公式如下: 其中: I :载流量 (A)△θ :导体温度与环境温度之差(℃)()[]()()()4321211432115.0TTnRTnRRTTTTnTWId+++++++++-D=lllq()[]()()()4321211432115.0TTnRTnRRTTTTnTWId+++++++++-D=lllq R :90℃时导体交流电阻(Ω /m) n : 电缆中载流导体数量 Wd :绝缘介质损耗 λ 1:护套和屏蔽损耗因数 λ 2:金属铠装损耗因数 T1:导体与金属护套间绝缘层热阻 (k·m/w) T2:金属护套与铠装层之间内衬层热阻(k·m/w) T3:电缆外护层热阻 (k·m/w) T4:电缆表面与周围媒介之间热阻(k·m/w)1. 导体交流电阻 R的计算 R=R'(1+ys+yp) R'=R0[1+α 20(θ -20)]其中: R':最高运行温度下导体直流电阻(Ω /m) ys:集肤效应因数 yp:邻近效应因数 R0:20℃时导体直流电阻(Ω /m) θ :最高运行温度90℃ α 20:20℃时铜导体的温度系数其中:对于分割导体ks=0.435。8é+öç1 9 2dsskRfX721 0 -´= p448.01 9 2sssXXy+=úúúúúûùêêêêêë++÷øçèæ÷øöèæ+=2 7.08.01 8.13 1 2.08.01 9 2442244ppccppsXXsdsXXyspkRfX721 08-´= p其中:dc:导体直径 (mm) s:各导体轴心之间距离 (mm) 对于分割导体ks=0.37。2.介质损耗Wd的计算 Wd=ω CU02tgδ 其中:ω =2π f C:电容 F/m U0:对地电压(V)其中:ε =2.3 Di为绝缘外径 (mm) dc为内屏蔽外径 (mm)3.金属屏蔽损耗λ 1的计算 λ 1=λ 1'+λ 1〃 其中:λ 1'为环流损耗 λ 1〃为涡流损耗λ 1〃的计算: 其中: ρ :金属护套电阻率 (Ω ·m) R:金属护套电阻 (Ω /m) D:金属护套外径,对于皱纹铝护套 (mm) t:金属护套厚度 (mm) Doc:皱纹铝套最大外径 (mm) Dit:皱纹铝套最小内径 (mm)öéR491 01 8-´÷÷øççèæ=cidDLnce()()úúûù...

1、当您付费下载文档后,您只拥有了使用权限,并不意味着购买了版权,文档只能用于自身使用,不得用于其他商业用途(如 [转卖]进行直接盈利或[编辑后售卖]进行间接盈利)。
2、本站所有内容均由合作方或网友上传,本站不对文档的完整性、权威性及其观点立场正确性做任何保证或承诺!文档内容仅供研究参考,付费前请自行鉴别。
3、如文档内容存在违规,或者侵犯商业秘密、侵犯著作权等,请点击“违规举报”。

碎片内容

电缆载流量计算书

您可能关注的文档

小辰9+ 关注
实名认证
内容提供者

出售各种资料和文档

确认删除?
VIP
微信客服
  • 扫码咨询
会员Q群
  • 会员专属群点击这里加入QQ群
客服邮箱
回到顶部