电脑桌面
添加小米粒文库到电脑桌面
安装后可以在桌面快捷访问

电能质量公用电网谐波

电能质量公用电网谐波_第1页
1/6
电能质量公用电网谐波_第2页
2/6
电能质量公用电网谐波_第3页
3/6
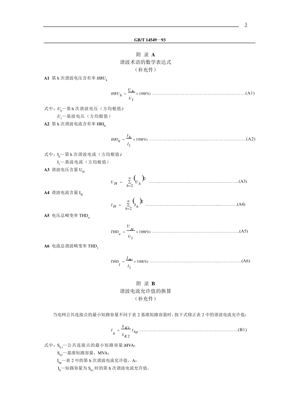
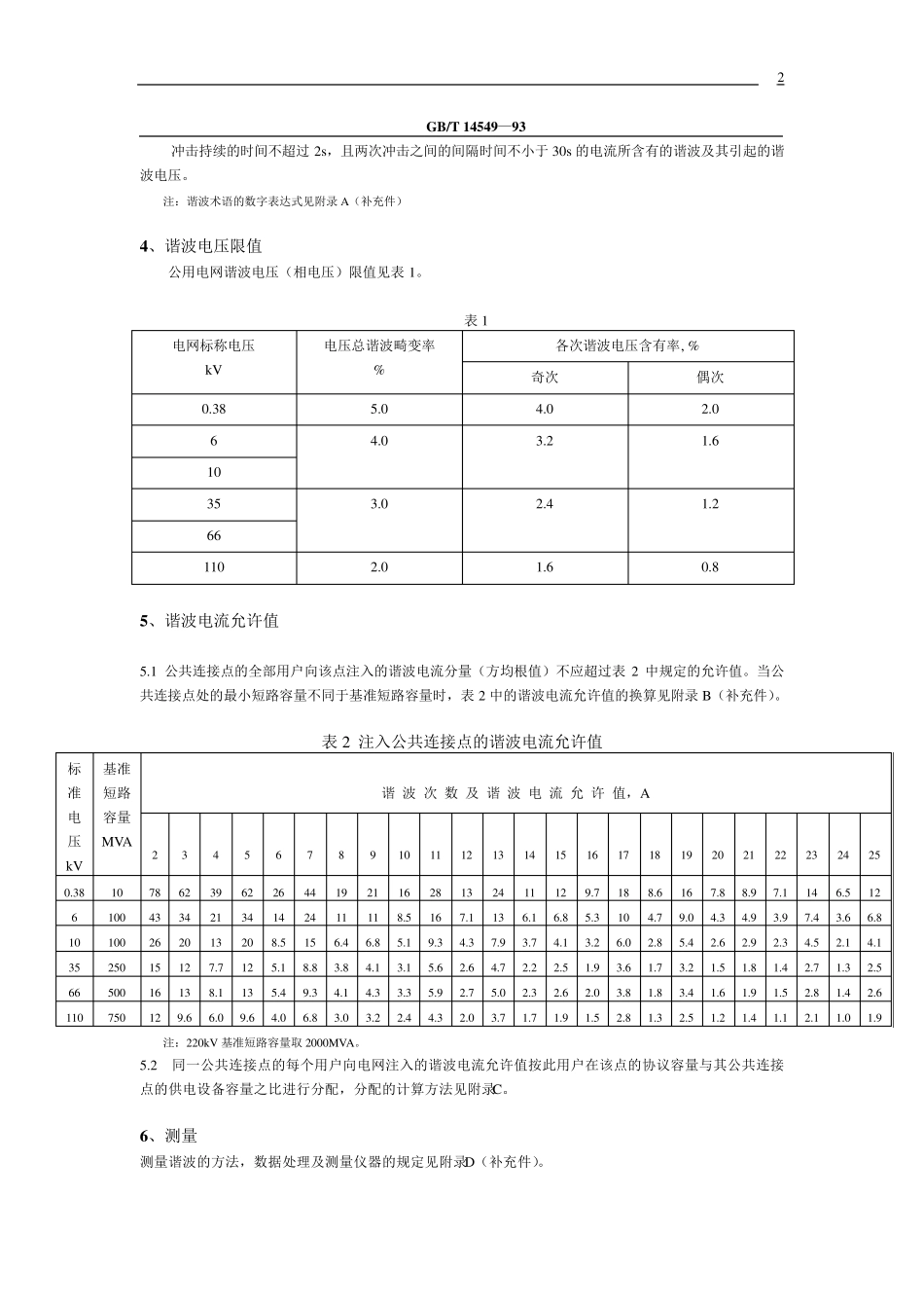
1 中华人民共和国标准 电能质量 公用电网谐波 GB/T 14549—93 Quality of electric energy supply Harmonics in public supply network 1、 主题内容与适用范围 本标准规定了公用电网谐波的允许值及其测试方法。 本标准适用于交流额定频率为 50HZ,标称电压 110kV 及以下的公用电网。 标称电压为 220kV 的公用电网可参照 110kV 执行。 本标准不适用于暂态现象和短时间谐波。 2、引用标准 GB 156 额定电压 3、术语 3.1 公共连接点 point of common cou pling 用户接入公用电网的连接处 3.2 谐波测量点 harmonic measu rement points 对电网和用户的谐波进行测量之处。 3.3 基波(分量) fu ndamental (component) 对周期性交流量进行傅立叶级数分解,得到的频率与工频相同的分量。 3.4 谐波(分量) harmonic (component) 对周期性交流量进行傅立叶级数分解,得到频率为基波频率大于 1 整数倍的分量。 3.5 谐波次数(h) harmonic order(h) 谐波频率与基波频率的整数比。 3.6 谐波含量(电压或电流) harmonic content (for v oltage or cu rrent) 从周期性交流量中减去基波分量后所得的量。 3.7 谐波含有率 harmonic retio (HR) 周期性交流量中含有第 h 次谐波分量的方均根值与基波分量的方均根值之比(用百分数表示) 第 h 次谐波电压含有率以 HRU h 表示,第 h 次谐波电流含有率以 HRIh 表示。 3.8 总谐波畸变率 total harmonic distortion (THD) 周期性交流量中谐波含量的方均根值与其基波分量的方均根值之比(用百分数表示) 电压总谐波畸变率以 THDu 表示,电流总谐波畸变率以 THDi 表示。 3.9 谐波源 harmonic sou rce 向公用电网注入谐波电流或在公用电网中产生谐波电压的电气设备。 3.10 短时间谐波 short du ration harmonics 国家技术监督局 1993-07-31 批准 1994-03-01 实施 2 GB/T 14549—93 冲击持续的时间不超过 2s,且两次冲击之间的间隔时间不小于 30s的电流所含有的谐波及其引起的谐波电压。 注:谐波术语的数字表达式见附录 A(补充件) 4、谐波电压限值 公用电网谐波电压(相电压)限值见表 1。 表 1 电网标称电压 kV 电压总谐波畸变率 % 各次谐波电压含有率, % 奇次 偶次 0.38 5.0 4.0 2.0 6 4.0 3.2 1.6 10 35 3.0 2.4 1.2 66 110 2.0 1.6 0.8 5、谐...

1、当您付费下载文档后,您只拥有了使用权限,并不意味着购买了版权,文档只能用于自身使用,不得用于其他商业用途(如 [转卖]进行直接盈利或[编辑后售卖]进行间接盈利)。
2、本站所有内容均由合作方或网友上传,本站不对文档的完整性、权威性及其观点立场正确性做任何保证或承诺!文档内容仅供研究参考,付费前请自行鉴别。
3、如文档内容存在违规,或者侵犯商业秘密、侵犯著作权等,请点击“违规举报”。

碎片内容

电能质量公用电网谐波

小辰8+ 关注
实名认证
内容提供者

出售各种资料和文档

相关文档

确认删除?
VIP
微信客服
  • 扫码咨询
会员Q群
  • 会员专属群点击这里加入QQ群
客服邮箱
回到顶部