电脑桌面
添加小米粒文库到电脑桌面
安装后可以在桌面快捷访问

盐城至南通高速公路海安一施工标段公路施工组织设计

盐城至南通高速公路海安一施工标段公路施工组织设计_第1页
1/12
盐城至南通高速公路海安一施工标段公路施工组织设计_第2页
2/12
盐城至南通高速公路海安一施工标段公路施工组织设计_第3页
3/12
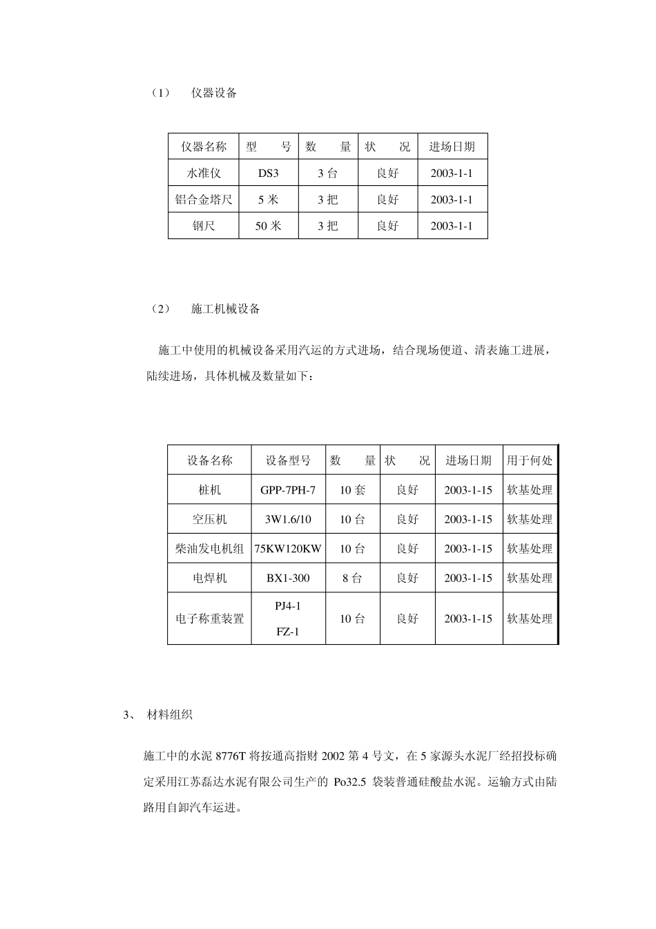
一、工程概况 盐城至南通高速公路海安一施工标段位于海安县大公镇和洋蛮河镇境内,本标段路线起点接盐通高速公路(南通市境)东台三施工标段终点(桩号为 K71+958.764),起点桩号为 K72+038,路线经大公镇东,在 K73+082.500处跨越红星河(等外航道),在 K74+696处跨越大公-海安农场公路,在大公镇和洋蛮河镇交界处(K77+017.500)跨越北凌河,经洋蛮河镇东,在 K81+645.500处跨越洋蛮河(韩洋)至李堡公路,终点在 K82+500处接海安二施工标段。本段全线长 10.462km。 本标段粉喷桩处理软土地基工程,位于长江河谷平原工程地质区,主要不良地质条件为软土和砂土液化。为了减小工后沉降量,保证路基稳定,解决结构物处跳车等病害,设计采用粉喷桩对软土地基进行处理。处理段落为 K73+643-K76+815,粉喷桩共计 14498根,总长 93512米。 二、 施工组织 根据工地现场情况,我们已派遣润扬大桥北接线 A 2 标施工 49 万延米粉喷桩的经验丰富的施工人员和精良的施工设备准备进场,同时组建了粉喷桩工作小组,由道路工程师任组长,质检工程师、试验工程师、材料主管、安全主管为组员,对该工程实行全天候质量管理,由项目经理全权负责经营管理,对人员、机械、设备等进行统一管理指挥和调配。 计划元月 15 日前管理人员全部到位,施工人员也全部到位。具体进场人员如下: 1、 人员组织 (1)、项目部组织机构管理网络图(见附件 1) (2)、劳动力安排 施工组织一台桩机安排机长 3 名、普工约 4 名。施工中可以根据工程实际进展情况考虑辅助力工若干名。 2、 施工仪器和机械设备组织 (1) 仪器设备 (2) 施工机械设备 施工中使用的机械设备采用汽运的方式进场,结合现场便道、清表施工进展,陆续进场,具体机械及数量如下: 设备名称 设备型号 数 量 状 况 进场日期 用于何处 桩机 GPP-7PH-7 10 套 良好 2003-1-15 软基处理 空压机 3W1.6/10 10 台 良好 2003-1-15 软基处理 柴油发电机组 75KW120KW 10 台 良好 2003-1-15 软基处理 电焊机 BX1-300 8 台 良好 2003-1-15 软基处理 电子称重装置 PJ4-1 FZ-1 10 台 良好 2003-1-15 软基处理 3、 材料组织 施工中的水泥 8776T 将按通高指财 2002 第 4 号文,在 5 家源头水泥厂经招投标确定采用江苏磊达水泥有限公司生产的Po32.5 袋装普通硅酸盐水泥。运输方式由陆路用自卸汽车运进。 仪器名称 型 号 数...

1、当您付费下载文档后,您只拥有了使用权限,并不意味着购买了版权,文档只能用于自身使用,不得用于其他商业用途(如 [转卖]进行直接盈利或[编辑后售卖]进行间接盈利)。
2、本站所有内容均由合作方或网友上传,本站不对文档的完整性、权威性及其观点立场正确性做任何保证或承诺!文档内容仅供研究参考,付费前请自行鉴别。
3、如文档内容存在违规,或者侵犯商业秘密、侵犯著作权等,请点击“违规举报”。

碎片内容

盐城至南通高速公路海安一施工标段公路施工组织设计

确认删除?
VIP
微信客服
  • 扫码咨询
会员Q群
  • 会员专属群点击这里加入QQ群
客服邮箱
回到顶部