电脑桌面
添加小米粒文库到电脑桌面
安装后可以在桌面快捷访问

盘柜基础要求

盘柜基础要求_第1页
1/6
盘柜基础要求_第2页
2/6
盘柜基础要求_第3页
3/6
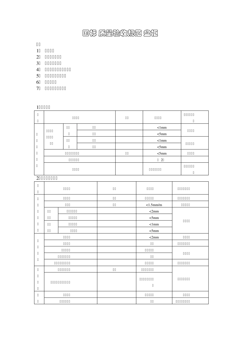
国标-质量验收规范-盘柜 目录 1、 基础安装 2、 高压成套柜安装 3、 低压配电盘安装 4、 就地动力、控制设备安装 5、 控制及保护屏台安装 6、 励磁盘安装 7、 二次回路检查及接线 1、基础安装 工序 检验项目 性质 质量标准 检验方法及器具 基础型钢安装 基础型钢安装允许误差 不直度 每米 <1m m 拉线检查 全长 <5m m 水平度 每米 <1m m 水平尺检查 全长 <5m m 位置误差及平行度 主要 <5m m 用尺检查 基础接地点数 ≥ 2点 接地连接 牢固,导通良好 扳动并导通检查 2、高压成套柜安装 工序 检验项目 性质 质量标准 检验方法及器具 拒体就位找正 间隔布置 主要 按设计规定 对照设计图检查 垂直度 主要 <1.5m m /m 用铅坠检查 水平误差 相邻两柜顶部 <2m m 拉线检查 成列柜顶部 <5m m 盘面误差 相邻两柜边 <1m m 成列柜面 <5m m 柜体固定 柜间接缝 <2m m 用尺检查 螺栓固定 牢固 观察或扳动捡查 紧固件检查 完好、齐全 观察检查 紧固件表面处理 镀锌 震动场所的防震措施 按设计规定 对照设计图检查 柜体接地 底架与基础连接 主要 牢固,导通良好 观察及导通检查 装有电器可启屏门的接地 用软铜导线可靠接地 开关柜面检查 平整,齐全 观察检查 设备附件清点 齐全 对照设备清单检查 柜机械部件检查 门销开闭 灵活 操动检查 柜内照明装置 齐全 观察检查 手车推拉试验 主要 轻便不摆动 操动试验 电气“五防”装置 齐全,灵活可靠 操动试验 安全隔离板开闭 灵活 操动检查 开关柜电气部件检查 设备型号及规格 按设计规定 对照设计图检查 设备外观检查 完好 观察检查 活动接地装置的连接 导通良好,通断顺序正确 操动试验 电气联锁触点接触 紧密,导通良好 导通检查 触头检查 动、静触头中心线 一致 观察检查 动、静触头接触 主要 紧密、可靠 动、静触头接触间隙 按制造厂垷定 用尺检查 小车与柜体接地触头接触 紧密、可靠 观察检查 仪表继电器防震措施 可靠 观察检查 带电部分对地距离mm 一次回路 按 GBJ 149-1990中表 2.1.13-1规定 对照规范检查 二次回路 按 GB 50171- 1992中表3.0.6规定 3、低压配电盘安装 3.0.1本章适用于额定电压为380/220V 的动力中心( PC)、电动机控制中心( MCC)等低压配电盘的安装 3. 0. 2动力中心(PC)盘安装检查 工序 检验项目 ...

1、当您付费下载文档后,您只拥有了使用权限,并不意味着购买了版权,文档只能用于自身使用,不得用于其他商业用途(如 [转卖]进行直接盈利或[编辑后售卖]进行间接盈利)。
2、本站所有内容均由合作方或网友上传,本站不对文档的完整性、权威性及其观点立场正确性做任何保证或承诺!文档内容仅供研究参考,付费前请自行鉴别。
3、如文档内容存在违规,或者侵犯商业秘密、侵犯著作权等,请点击“违规举报”。

碎片内容

盘柜基础要求

您可能关注的文档

小辰2+ 关注
实名认证
内容提供者

出售各种资料和文档

确认删除?
VIP
微信客服
  • 扫码咨询
会员Q群
  • 会员专属群点击这里加入QQ群
客服邮箱
回到顶部