电脑桌面
添加小米粒文库到电脑桌面
安装后可以在桌面快捷访问

直缝电焊钢管(GBT137931992)

直缝电焊钢管(GBT137931992)_第1页
1/6
直缝电焊钢管(GBT137931992)_第2页
2/6
直缝电焊钢管(GBT137931992)_第3页
3/6
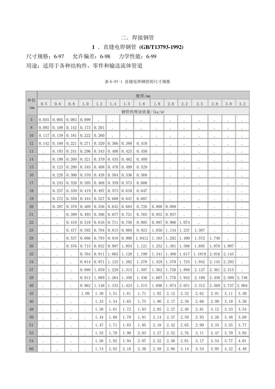
二.焊接钢管 1 .直缝电焊钢管 (GB/T13793-1992) 尺寸规格:6 -9 7 允许偏差:6 -9 8 力学性能:6 -9 9 用途:适用于各种结构件,零件和输送流体管道 表 6-97-1 直缝电焊钢管的尺寸规格 外径 /mm 壁厚/mm 0.5 0.6 0.8 1.0 1.2 1.4 1.5 1.6 1.8 2.0 2.2 2.5 2.8 3.0 3.2 钢管的理论质量/(kg/m) 5 0.055 0.065 0.083 0.099 . . . . . . . . . . . 8 0.092 0.109 0.142 0.173 0.201 . . . . . . . . . . 10 0.117 0.139 0.181 0.222 0.260 . . . . . . . . . . 12 0.142 0.169 0.221 0.271 0.320 0.366 0.388 0.410 . . . . . . . 13 . 0.183 0.241 0.296 0.343 0.400 0.425 0.450 . . . . . . . 14 . 0.198 0.260 0.321 0.379 0.435 0.462 0.489 . . . . . . . 15 . 0.123 0.280 0.345 0.408 0.470 0.499 0.529 . . . . . . . 16 . 0.228 0.300 0.370 0.438 0.504 0.536 0.568 . . . . . . . 17 . 0.243 0.320 0.395 0.468 0.359 0.573 0.608 . . . . . . . 18 . 0.257 0.339 0.419 0.497 0.573 0.610 0.647 . . . . . . . 19 . 0.272 0.359 0.444 0.527 0.608 0.647 0.687 . . . . . . . 20 . 0.287 0.379 0.469 0.556 0.642 0.684 0.726 0.808 0.888 . . . . . 21 . . 0.399 0.493 0.586 0.677 0.721 0.765 0.852 0.937 . . . . . 22 . . 0.418 0.518 0.616 0.711 0.758 0.805 0.897 0.986 1.074 . . . . 25 . . 0.477 0.592 0.704 0.815 0.869 0.923 1.030 1.134 1.237 1.387 . . . 28 . . 0.537 0.666 0.793 0.918 0.980 1.0412 1.163 1.282 1.400 1.572 1.740 . . 30 . . 0.576 0.715 0.852 0.987 1.054 1.121 1.252 1.381 1.508 1.695 1.878 1.997 . 32 . . . 0.764 0.911 1.065 1.128 1.199 1.341 1.480 1.617 1.1819 2.016 2.145 . 34 . . . 0.814 0.971 1.125 1.202 1.278 1.429 1.578 1.725 1.942 2.145 2.293 . 37 . . . 0.888 1.059 1.229 1.313 1.397 1.562 1.726 1.888 2.127 2.361 2.515 . 38 . . . 0.912 1.089 1.264 1.350 1.436 1.607 1...

1、当您付费下载文档后,您只拥有了使用权限,并不意味着购买了版权,文档只能用于自身使用,不得用于其他商业用途(如 [转卖]进行直接盈利或[编辑后售卖]进行间接盈利)。
2、本站所有内容均由合作方或网友上传,本站不对文档的完整性、权威性及其观点立场正确性做任何保证或承诺!文档内容仅供研究参考,付费前请自行鉴别。
3、如文档内容存在违规,或者侵犯商业秘密、侵犯著作权等,请点击“违规举报”。

碎片内容

直缝电焊钢管(GBT137931992)

确认删除?
VIP
微信客服
  • 扫码咨询
会员Q群
  • 会员专属群点击这里加入QQ群
客服邮箱
回到顶部