电脑桌面
添加小米粒文库到电脑桌面
安装后可以在桌面快捷访问

秦曾煌电工学下册电子技术课后答案

秦曾煌电工学下册电子技术课后答案_第1页
1/80
秦曾煌电工学下册电子技术课后答案_第2页
2/80
秦曾煌电工学下册电子技术课后答案_第3页
3/80
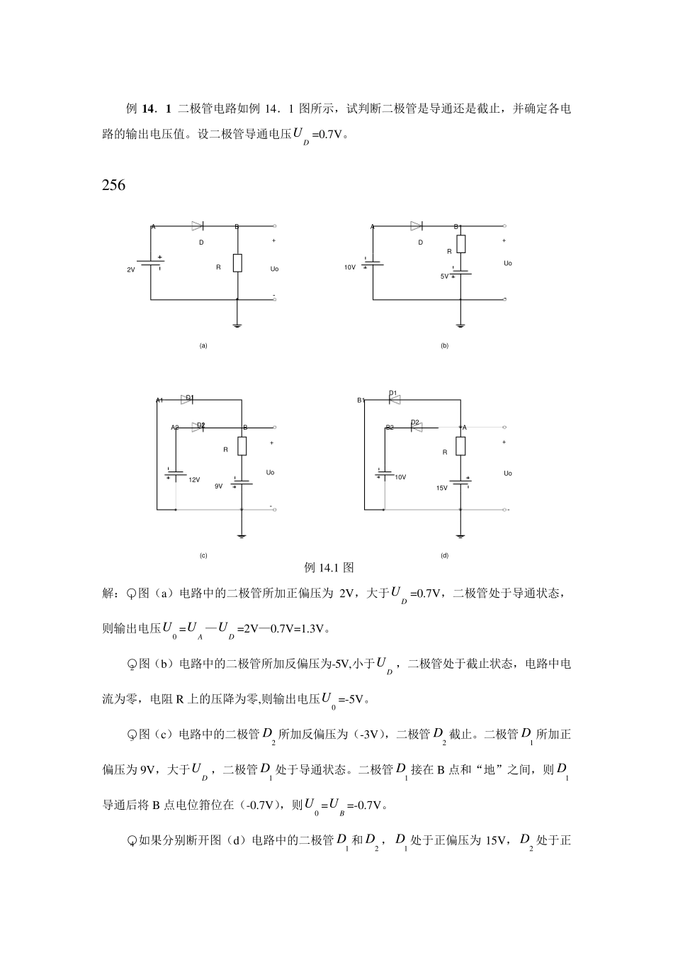
第14 章 本书包括电路的基本概念与基本定律、电路的分析方法、电路的暂态分析、正弦交流电路、三相电路、磁路与铁心线圈电路、交流电动机、直流电动机、控制电机、继电接触器控制系统、可编程控制器及其应用等内容。 晶体管起放大作用的外部条件,发射结必须正向偏置,集电结反向偏置。 晶体管放大作用的实质是利用晶体管工作在放大区的电流分配关系实现能量转换。 2.晶体管的电流分配关系 晶体管工作在放大区时,其各极电流关系如下: CBII (1)EBCBIIII CCBBIIII  3.晶体管的特性曲线和三个工作区域 (1)晶体管的输入特性曲线: 晶体管的输入特性曲线反映了当 UCE 等于某个电压时,BI 和BEU之间的关系。晶体管的输入特性也存在一个死区电压。当发射结处于的正向偏压大于死区电压时,晶体管才会出现BI ,且BI 随BEU线性变化。 (2)晶体管的输出特性曲线: 晶体管的输出特性曲线反映当BI 为某个值时,CI 随CEU变化的关系曲线。在不同的BI 下,输出特性曲线是一组曲线。BI =0 以下区域为截止区,当CEU比较小的区域为饱和区。输出特性曲线近于水平部分为放大区。 (3)晶体管的三个区域: 晶体管的发射结正偏,集电结反偏,晶体管工作在放大区。此时,CI =bI,CI 与bI 成线性正比关系,对应于曲线簇平行等距的部分。 晶体管发射结正偏压小于开启电压,或者反偏压,集电结反偏压,晶体管处于截止工作状态,对应输出特性曲线的截止区。此时,BI =0,CI =CEOI。 晶体管发射结和集电结都处于正向偏置,即CEU很小时,晶体管工作在饱和区。此时,CI虽然很大,但CIbI。即晶体管处于失控状态,集电极电流CI 不受输入基极电流BI 的控制。 1 4 .3 典型例题 例1 4 .1 二极管电路如例14.1 图所示,试判断二极管是导通还是截止,并确定各电路的输出电压值。设二极管导通电压DU=0.7V。 256 ABD2V R+-UoABD10V5VR+-UoBD1D212V9VRA1A2+-UoD1D2B1B2AR15V10V+-Uo(a)(b)(c)(d) 例14.1 图 解:○1 图(a)电路中的二极管所加正偏压为2V,大于DU=0.7V,二极管处于导通状态,则输出电压0U =AU—DU=2V—0.7V=1.3V。 ○2 图(b)电路中的二极管所加反偏压为-5V,小于DU,二极管处于截止状态,电路中电流为零,电阻 R 上的压降为零,则输出电压0U =-5V。 ○3 图(c)电路中的二极管2D 所加反偏压为(-3V),二极管2D 截止。二极管1D 所加正偏压为9V,大于DU,二极管1D ...

1、当您付费下载文档后,您只拥有了使用权限,并不意味着购买了版权,文档只能用于自身使用,不得用于其他商业用途(如 [转卖]进行直接盈利或[编辑后售卖]进行间接盈利)。
2、本站所有内容均由合作方或网友上传,本站不对文档的完整性、权威性及其观点立场正确性做任何保证或承诺!文档内容仅供研究参考,付费前请自行鉴别。
3、如文档内容存在违规,或者侵犯商业秘密、侵犯著作权等,请点击“违规举报”。

碎片内容

秦曾煌电工学下册电子技术课后答案

您可能关注的文档

小辰+ 关注
实名认证
内容提供者

出售各种文档和资料

相关文档

确认删除?
VIP
微信客服
  • 扫码咨询
会员Q群
  • 会员专属群点击这里加入QQ群
客服邮箱
回到顶部