电脑桌面
添加小米粒文库到电脑桌面
安装后可以在桌面快捷访问

移交质检站资料目录(竣工后填)

移交质检站资料目录(竣工后填)_第1页
1/7
移交质检站资料目录(竣工后填)_第2页
2/7
移交质检站资料目录(竣工后填)_第3页
3/7
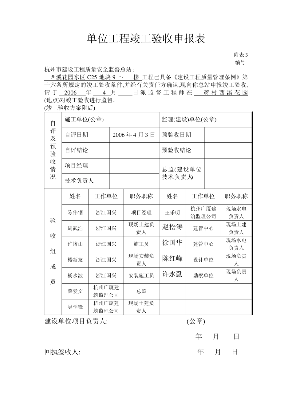
移 交 质 监 站 资 料 目 录 1 、 单位工程竣工验收申报表 (施工监理建设公章) 2 、 工程质量保证体系审查表 (建设单位公章) 3 、 施工现场质量管理检查记录 (监理单位公章) 4 、 施工单位工程质量竣工报告 (施工单位公章) 5 、 监理单位工程质量评估报告 (监理单位公章) 6 、 建设单位工程竣工验收报告 (建设单位公章) 7 、 设计单位工程质量检查报告 (设计单位公章) 8 、 勘察单位工程质量检查报告 (勘察单位公章) 9 、 建筑施工许可证 1 0 、 规划施工许可证、合格证 1 1 、 图审报告 1 2 、 环保合格证 1 3 、 建筑工程消防审核意见书 1 4 、 统表 1 -4 (原件) 1 5 、 室内空气检测报告 (原件) 1 6 、 铝合金三性检测报告 (原件) 1 7 、 核查表(汇总) (原件) 单位工程竣工验收申报表 附表3 编号 杭州市建设工程质量安全监督总站: 西溪花园东区C 25 地块9#~18#楼 工程已具备《建设工程质量管理条例》第十六条所规定的竣工验收条件,并经有关责任方确认,现向你总站申报竣工验收,请于 2006 年 4 月 日派监督工程师在 蒋村西溪花园 (地点)对竣工验收进行监督。 (竣工验收方案附后) 自 评 及 预 验 收 情 况 施工单位(公章) 监理(建设)单位(公章) 自评日期 2006 年4 月3 日 预验收日期 自评结论 预验收结论 项目经理 总监(建设单位技术负责人) 技术负责人 验 收 组 成 员 姓名 工作单位 职务职称 姓名 工作单位 职务职称 陈伟钢 浙江国兴 项目经理 王乐明 杭州广厦建筑监理公司 现场水电负责人 周武浩 浙江国兴 现场土建负责人 赵松涛 建管中心 现场土建负责人 许培山 浙江国兴 施工员 徐国华 建管中心 现场水电负责人 楼新友 浙江国兴 现场安装负责人 陈红峰 设计单位 现场负责人 杨永波 浙江国兴 安装施工员 许永勤 勘察单位 现场负责人 薛爱文 杭州广厦建筑监理公司 总监 吴学锋 杭州广厦建筑监理公司 现场土建负责人 建设单位项目负责人: (公章) 年 月 日 回执签收人: 年 月 日 杭州市西溪花园东区 C 25 地块工程竣工验收方案 为了认真组织好杭州西溪花园东区C -25 地块工程竣工验收工作,经建设单位会同有关参见单位共同商讨,特制订工程质量验收方案。 一、 组织和人员的落实 加强验收工作的领导,成立工程验收小组,组长赵松涛(建管中心);副...

1、当您付费下载文档后,您只拥有了使用权限,并不意味着购买了版权,文档只能用于自身使用,不得用于其他商业用途(如 [转卖]进行直接盈利或[编辑后售卖]进行间接盈利)。
2、本站所有内容均由合作方或网友上传,本站不对文档的完整性、权威性及其观点立场正确性做任何保证或承诺!文档内容仅供研究参考,付费前请自行鉴别。
3、如文档内容存在违规,或者侵犯商业秘密、侵犯著作权等,请点击“违规举报”。

碎片内容

移交质检站资料目录(竣工后填)

确认删除?
VIP
微信客服
  • 扫码咨询
会员Q群
  • 会员专属群点击这里加入QQ群
客服邮箱
回到顶部