电脑桌面
添加小米粒文库到电脑桌面
安装后可以在桌面快捷访问

稳态平板法测定材料导热系数

稳态平板法测定材料导热系数_第1页
1/10
稳态平板法测定材料导热系数_第2页
2/10
稳态平板法测定材料导热系数_第3页
3/10
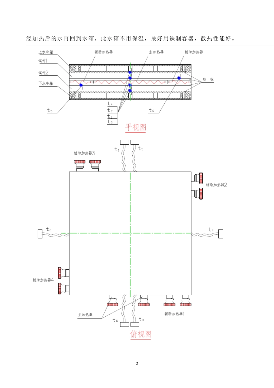
稳态平板法测定材料导热系数 实验指导书 一. 实验目的 1.巩固和深化稳定导热过程的基本理论,学习用平板法测定材料导热系数的实验方法和技能。 2.测定试验材料的导热系数。 3.确定试验材料导热系数与温度的关系。 二.实验原理 导热系数是表征材料导热能力的物理量。对于不同的材料,导热系数是不同的;对同一材料,导热系数还会随着温度、压力、湿度、物质的结构和重度等因素而变异。各种材料的导热系数都用试验方法来测定,如果要分别考虑因素的影响,就需要针对各种因素加以试验,往往不能只在一种试验设备上进行。稳态平板法是一种应用一维稳态导热过程的基本原理来测定材料导热系数的方法,可以用来进行导热系数的测定试验,测定材料的导热系数及其和温度的关系。 试验设备是根据在一维稳态情况下通过平板的导热量Q 和平板两面的温差t 成正比,和平板的厚度δ 成正比,以及和导热系数λ 成正比的关系来设计的。 我们知道,通过薄壁平板(壁厚小于十分之一壁长和壁宽)的稳定导热 量为 FtQ  [w ] 测定时,如果将平板两面的温差LRttt、平板厚度 、垂直热流方向的导热面积 F 和通过平板的热流量Q 测定以后,就可以根据下式得出导热系数: FtQ )/(CmW 需要指出,上式所得的导热系数是在当时的平均温度下材料的导热系数值,此平均温度为: )(21LRttt ][ C 在不同的温度和温差条件下测出相应的 值,然后将  值标在t 坐标图内,就可以得出)(tf 的关系曲线。 1 三.实验装置及测量仪表 稳态平板法测定材料导热系数的试验装置如图1 和图2 所示。 被试验材料做成二块方形薄壁平板试件,面积为300×300][2mm,实际导热计算面积F 为200×200][2mm,板的厚度为 (实测)][2mm,平板试件分别被夹紧在加热器的上、下热面和上、下水套的冷面之间。加热器的上下面和水套与试件的接触面都设有铜板,以使温度均匀。利用薄膜式加热片 来实现对上、下试件热面的加热,而上下导热面积水套的冷却面是通过循环冷却水(或通过自来水)来实现的。在中间 200×200][2mm部位上安设的加热器为主加热器。为了使主加热器的热量能够全部单向通过上下两个试件,并通过水套的冷水带走,在主加热器四周(即 200×200][2mm之外的四侧)设有四个辅助加热器,测试时控制使主加热器以外的四周保持与中间主加热器的温度相一致,以免热流量向旁侧散失。主加热器的中心温度t1(...

1、当您付费下载文档后,您只拥有了使用权限,并不意味着购买了版权,文档只能用于自身使用,不得用于其他商业用途(如 [转卖]进行直接盈利或[编辑后售卖]进行间接盈利)。
2、本站所有内容均由合作方或网友上传,本站不对文档的完整性、权威性及其观点立场正确性做任何保证或承诺!文档内容仅供研究参考,付费前请自行鉴别。
3、如文档内容存在违规,或者侵犯商业秘密、侵犯著作权等,请点击“违规举报”。

碎片内容

稳态平板法测定材料导热系数

您可能关注的文档

确认删除?
VIP
微信客服
  • 扫码咨询
会员Q群
  • 会员专属群点击这里加入QQ群
客服邮箱
回到顶部