电脑桌面
添加小米粒文库到电脑桌面
安装后可以在桌面快捷访问

第8部分:盘、柜及二次回路接线施工质量检验

第8部分:盘、柜及二次回路接线施工质量检验_第1页
1/9
第8部分:盘、柜及二次回路接线施工质量检验_第2页
2/9
第8部分:盘、柜及二次回路接线施工质量检验_第3页
3/9
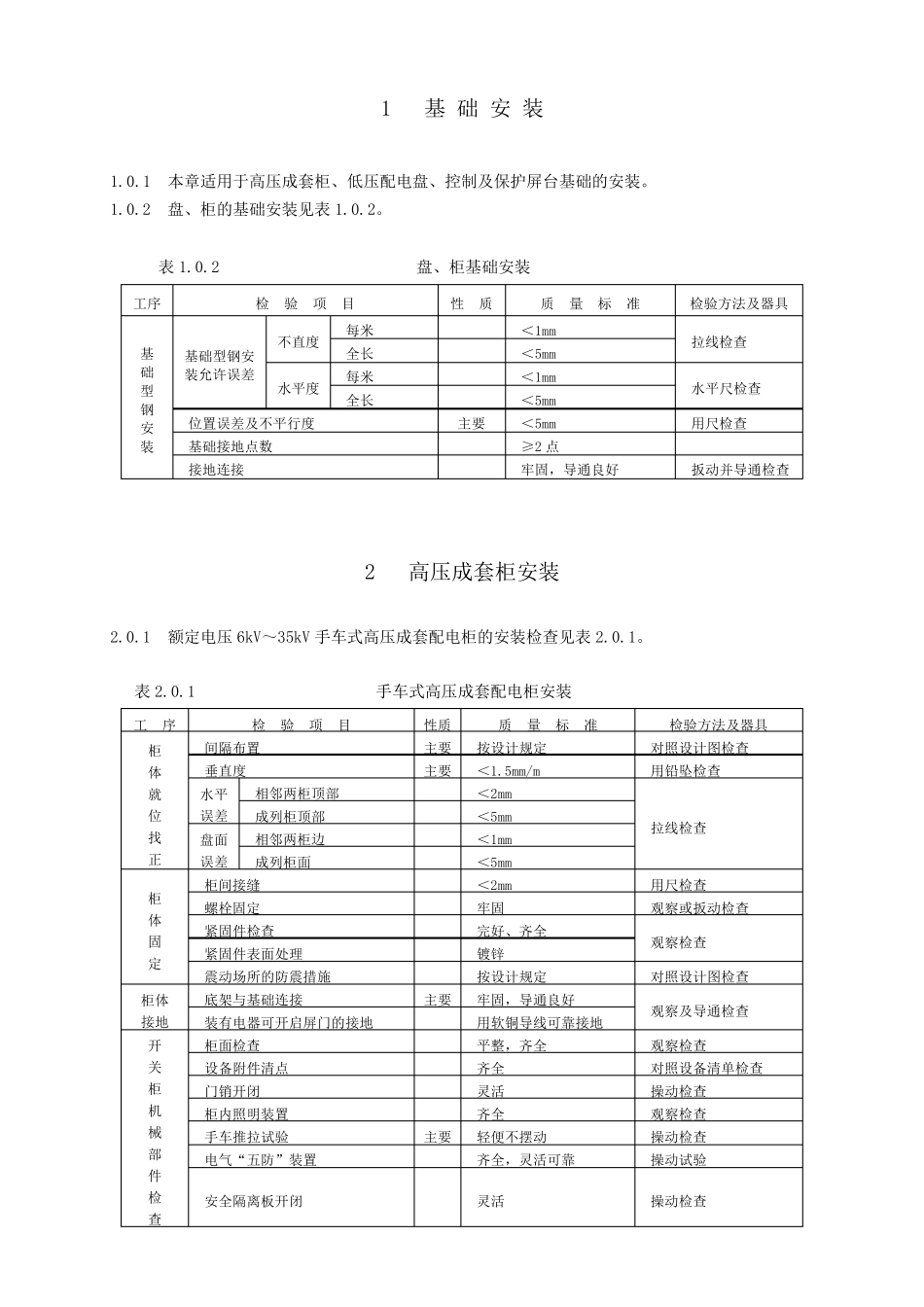
电气装置安装工程质量检验及评定规程 第8 部分:盘、柜及二次回路接线 施工质量检验 Specification for construction quality checkout and evaluation of electric equipment installation Part8:Switchboard outfit complete cubicleand secondary circuit 2002-09-16 公布 2002-12-01 实施 中华人民共和国国家经济贸易委员会 公布 前 言 《电气装置安装工程质量检验及评定规程》是一套系列标准,用于电气装置安装施工质量检查、验收及评定。 该套标准由如下17 部分组成: ——第 1 部分:通则; ——第 2 部分:高压电器施工质量检验; ——第 3 部分:电力变压器、油浸电抗器、互感器施工质量检验; ——第 4 部分:母线装置施工质量检验; ——第 5 部分:电缆线路施工质量检验; ——第 6 部分:接地装置施工质量检验; ——第 7 部分:旋转电机施工质量检验; ——第 8 部分:盘、柜及二次回路接线施工质量检验; ——第 9 部分:蓄电池施工质量检验; ——第 10 部分:35kV 及以下架空电力线路施工质量检验; ——第 11 部分:电梯电气装置施工质量检验; ——第 12 部分:低压电器施工质量检验; ——第 13 部分:电力变流设备施工质量检验; ——第 14 部分:起重机电气装置施工质量检验; ——第 15 部分:爆炸及火灾危险环境电气装置施工质量检验; ——第 16 部分:1kV 及以下配线工程施工质量检验; ——第 17 部分:电气照明装置施工质量检验。 本部分是该套系列标准中的第 8 部分:盘、柜及二次回路接线施工质量检验,是根据原电力工业部1997 年制、修订电力行业标准计划项目的通知(综科教[1998]28 号)编制的。 本部分是GB 50171《电气装置安装工程盘、柜及二次回路结线施工及验收规范》及相关国家标准、行业标准的表格化表现型式,是用于盘、柜及二次回路接线施工质量检验的电力行业标准。 本部分由国电电力建设研究所提出并归口。 本部分负责起草单位:国电电力建设研究所。 本部分参加起草单位:河南省火电建设一公司、山东电力建设第一工程公司、吉林省电力建设总公司。 本部分主要起草人:周南荣、魏 国柱 、陈 桂 英 、陈 发 宇 、郑 凯 、刘 志 良 、董 刚 。 本部分由国电电力建设研究所负责解 释 。 1 基 础 安 装 1.0.1 本 章 适 用 于 高 压 成 套 柜 、 低 压 配 电 盘 ...

1、当您付费下载文档后,您只拥有了使用权限,并不意味着购买了版权,文档只能用于自身使用,不得用于其他商业用途(如 [转卖]进行直接盈利或[编辑后售卖]进行间接盈利)。
2、本站所有内容均由合作方或网友上传,本站不对文档的完整性、权威性及其观点立场正确性做任何保证或承诺!文档内容仅供研究参考,付费前请自行鉴别。
3、如文档内容存在违规,或者侵犯商业秘密、侵犯著作权等,请点击“违规举报”。

碎片内容

第8部分:盘、柜及二次回路接线施工质量检验

小辰4+ 关注
实名认证
内容提供者

出售各种资料和文档

相关文档

确认删除?
VIP
微信客服
  • 扫码咨询
会员Q群
  • 会员专属群点击这里加入QQ群
客服邮箱
回到顶部